0
LM10524
  • LM10524
  • LM10524

LM10524

ACTIVE

Triple Buck Power Management IC (PMIC) for Solid-State Drives Key Specifications Application Key Specifications Application

Texas Instruments LM10524 Product Info

1 April 2026 0

Parameters

Product type

Processor and FPGA

Regulated outputs (#)

3

Step-down DC/DC converter

3

Step-up DC/DC converter

0

LDO

0

Vin (min) (V)

3

Vin (max) (V)

5.5

Vout (min) (V)

0.7

Vout (max) (V)

3.6

Iout (max) (A)

2.5

Configurability

Factory programmable

Features

Comm control, Power good, Power sequencing

Rating

Catalog

Operating temperature range (°C)

-30 to 85

Step-down DC/DC controller

0

Step-up DC/DC controller

0

Iq (typ) (mA)

0.05

Switching frequency (max) (kHz)

2300

Switching frequency (typ) (kHz)

2000

Package

DSBGA (YFR)-46-10.8 mm² 3.6 x 3

Features

  • Three Highly Efficient Programmable Buck Regulators
    • Integrated FETs with Low RDSON
    • Bucks Operate with Their Phases Shifted to Reduce
      the Input Current Ripple and Capacitor Size
    • Programmable Output Voltage via the SPI Interface
    • Over and Under-Voltage-Lockout
    • Automatic Internal Soft Start with Power-On-Reset
    • Current Overload and Thermal Shutdown Protection
    • PFM Mode for High Efficiency at Light Load Conditions
  • Power-Down Data Protection Enhances Data Integrity
  • Bypass Mode Available on Buck 1
  • Sleep Mode to Save Power During Idle Times
    • DEVSLP Function
  • SPI-Programmable Interrupt Comparator (2.0V to 4.0V)
  • Factory Programmable Startup Sequencing for Varied Controllers
  • Fast Startup for all Voltage Rails in about 3.5ms to PWR_OK
  • Fast Turn-off / Active Discharge on Regulator Outputs

Key Specifications

  • Single input rail with wide range: 3.3 to 5.5V
  • Programmable Buck Regulator Outputs:
    • Buck 1: 1.1V to 3.6V; 1.6A
    • Buck 2: 1.1V to 3.6V; 1A
    • Buck 3: 0.7V to 1.95V; 2.5A
  • ±3% feedback voltage accuracy
  • Up to 95% efficient buck regulators
  • 2MHz switching frequency for smaller inductor size
  • 2.815mm, 3.215mm, 0.4mm pitch, 46 bump micro SMD package

Application

  • Solid-State Drives

All trademarks are the property of their respective owners.

  • Three Highly Efficient Programmable Buck Regulators
    • Integrated FETs with Low RDSON
    • Bucks Operate with Their Phases Shifted to Reduce
      the Input Current Ripple and Capacitor Size
    • Programmable Output Voltage via the SPI Interface
    • Over and Under-Voltage-Lockout
    • Automatic Internal Soft Start with Power-On-Reset
    • Current Overload and Thermal Shutdown Protection
    • PFM Mode for High Efficiency at Light Load Conditions
  • Power-Down Data Protection Enhances Data Integrity
  • Bypass Mode Available on Buck 1
  • Sleep Mode to Save Power During Idle Times
    • DEVSLP Function
  • SPI-Programmable Interrupt Comparator (2.0V to 4.0V)
  • Factory Programmable Startup Sequencing for Varied Controllers
  • Fast Startup for all Voltage Rails in about 3.5ms to PWR_OK
  • Fast Turn-off / Active Discharge on Regulator Outputs

Key Specifications

  • Single input rail with wide range: 3.3 to 5.5V
  • Programmable Buck Regulator Outputs:
    • Buck 1: 1.1V to 3.6V; 1.6A
    • Buck 2: 1.1V to 3.6V; 1A
    • Buck 3: 0.7V to 1.95V; 2.5A
  • ±3% feedback voltage accuracy
  • Up to 95% efficient buck regulators
  • 2MHz switching frequency for smaller inductor size
  • 2.815mm, 3.215mm, 0.4mm pitch, 46 bump micro SMD package

Application

  • Solid-State Drives

All trademarks are the property of their respective owners.

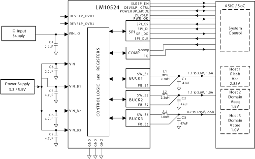
Description

LM10524 is an advanced PMU containing three configurable, high-efficiency buck regulators for supplying variable voltages. The device is ideal for supporting ASIC and SOC designs for SSD and Flash drives.

The LM10524 can operate cooperatively with an ASIC to optimize the supply voltage for low-power conditions and to control power saving modes via the SPI interface.

LM10524 is an advanced PMU containing three configurable, high-efficiency buck regulators for supplying variable voltages. The device is ideal for supporting ASIC and SOC designs for SSD and Flash drives.

The LM10524 can operate cooperatively with an ASIC to optimize the supply voltage for low-power conditions and to control power saving modes via the SPI interface.

Subscribe to Welllinkchips !
Your Name
* Email
Submit a request