0
TPS60255
  • TPS60255
  • TPS60255

TPS60255

ACTIVE

7-channel, high efficiency 175-mA charge pump for white LED backlight

Texas Instruments TPS60255 Product Info

1 April 2026 0

Parameters

Number of channels

7

Vin (min) (V)

2.7

Vin (max) (V)

6

Vout (min) (V)

2.7

Vout (max) (V)

6.5

Type

Capacitive

Switching frequency (max) (kHz)

875

Duty cycle (max) (%)

100

LED current per channel (mA)

25

Peak efficiency (%)

93

Topology

Boost

Features

Analog Dimming, EasyScale 1-Wire Interface, Enable/Shutdown, Fault Detection, Integrated Switch, Load Disconnect During Shutdown, OVP, Soft Start, Synchronous Rectification

Operating temperature range (°C)

-40 to 85

Rating

Catalog

Package

WQFN (RTE)-16-9 mm² 3 x 3

Features

  • 2.7 V to 6.0 V Input Voltage Range
  • 1× and 1.5× Charge Pump
  • Auto Switching Between 1× and 1.5× Modes
  • 750 kHz Charge Pump Frequency
  • Seven Individually-regulated WLED Current Sinks
  • Single- Wire Interface for Dimming and ON/OFF Control
  • 25 mA max LED Current for Six Current Sinks
  • One 80 mA Current Sink
  • Open WLED Detection
  • Built-in Soft Start and Current Limit
  • 16-pin, 3 mm × 3 mm QFN Package
  • APPLICATIONS
    • Cellular Phones
    • Portable Navigation Displays
    • Multi-display Handheld Devices
  • 2.7 V to 6.0 V Input Voltage Range
  • 1× and 1.5× Charge Pump
  • Auto Switching Between 1× and 1.5× Modes
  • 750 kHz Charge Pump Frequency
  • Seven Individually-regulated WLED Current Sinks
  • Single- Wire Interface for Dimming and ON/OFF Control
  • 25 mA max LED Current for Six Current Sinks
  • One 80 mA Current Sink
  • Open WLED Detection
  • Built-in Soft Start and Current Limit
  • 16-pin, 3 mm × 3 mm QFN Package
  • APPLICATIONS
    • Cellular Phones
    • Portable Navigation Displays
    • Multi-display Handheld Devices

Description

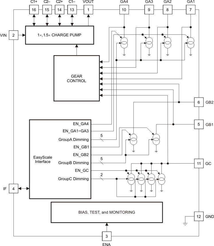
The TPS60255 is a high-efficiency, constant frequency charge pump DC/DC converter that uses 1× and 1.5× conversion to maximize efficiency for the input voltage range. By using adaptive 1×/1.5× charge-pump modes and very low dropout current regulators, the TPS60255 achieves high efficiency for the entire one-cell lithium battery range. The protection features include soft start, over-current limit, thermal shut down, and over-voltage detection. The device automatically detects and removes unused current sinks from the control loop.

This device drives six 25 mA current sinks and one 80 mA current sink. These current regulators are programmed by three independent brightness registers and five ON/OFF bits using a single-wire interface (EasyScale™). This offers flexible applications for a variety of lighting control in portable devices.

The TPS60255 is a high-efficiency, constant frequency charge pump DC/DC converter that uses 1× and 1.5× conversion to maximize efficiency for the input voltage range. By using adaptive 1×/1.5× charge-pump modes and very low dropout current regulators, the TPS60255 achieves high efficiency for the entire one-cell lithium battery range. The protection features include soft start, over-current limit, thermal shut down, and over-voltage detection. The device automatically detects and removes unused current sinks from the control loop.

This device drives six 25 mA current sinks and one 80 mA current sink. These current regulators are programmed by three independent brightness registers and five ON/OFF bits using a single-wire interface (EasyScale™). This offers flexible applications for a variety of lighting control in portable devices.

Subscribe to Welllinkchips !
Your Name
* Email
Submit a request