0
DRV8436E
  • DRV8436E
  • DRV8436E
  • DRV8436E

DRV8436E

ACTIVE

48-V, 1.5-A bipolar stepper or dual-brushed motor driver with integrated current sensing

Texas Instruments DRV8436E Product Info

1 April 2026 0

Parameters

Vs ABS (max) (V)

50

Vs (min) (V)

4.5

Peak output current (A)

2.5

Control mode

PH/EN, PWM

Control interface

Hardware (GPIO)

Number of full bridges

2

Full-scale current (A)

1.5

RDS(ON) (HS + LS) (mΩ)

900

Sleep current (µA)

2

Decay mode

Fast, Mixed, Slow, Smart Tune

Features

Integrated Current Sensing, Smart Tune

Rating

Catalog

Operating temperature range (°C)

-40 to 125

Package

HTSSOP (PWP)-28-62.08 mm² 9.7 x 6.4

Features

  • Dual H-bridge motor driver
    • One bipolar stepper motor
    • Dual bidirectional brushed-DC motors
    • Four unidirectional brushed-DC motors
  • Integrated current sense functionality
    • No sense resistors required
    • ±7.5% Full-scale current accuracy
  • 4.5- to 48-V Operating supply voltage range
  • Multiple control interface options
    • PHASE/ENABLE
    • PWM
  • Smart tune decay technology, fixed slow, fast and mixed decay options
  • Low RDS(ON): 900 mΩ HS + LS at 24 V, 25°C
  • High Current Capacity Per Bridge: 2.4-A peak, 1.5-A Full-Scale, 1.1-A rms
  • Configurable Off-Time PWM Chopping
    • 7, 16, 24 or 32 µs
  • Supports 1.8-V, 3.3-V, 5.0-V logic inputs
  • Low-current sleep mode (2 µA)
  • Spread spectrum clocking for low electromagnetic interference (EMI)
  • Small package and footprint
  • Protection features
    • VM undervoltage lockout (UVLO)
    • Charge pump undervoltage (CPUV)
    • Overcurrent protection (OCP)
    • Thermal shutdown (OTSD)
    • Fault condition output (nFAULT)
  • Dual H-bridge motor driver
    • One bipolar stepper motor
    • Dual bidirectional brushed-DC motors
    • Four unidirectional brushed-DC motors
  • Integrated current sense functionality
    • No sense resistors required
    • ±7.5% Full-scale current accuracy
  • 4.5- to 48-V Operating supply voltage range
  • Multiple control interface options
    • PHASE/ENABLE
    • PWM
  • Smart tune decay technology, fixed slow, fast and mixed decay options
  • Low RDS(ON): 900 mΩ HS + LS at 24 V, 25°C
  • High Current Capacity Per Bridge: 2.4-A peak, 1.5-A Full-Scale, 1.1-A rms
  • Configurable Off-Time PWM Chopping
    • 7, 16, 24 or 32 µs
  • Supports 1.8-V, 3.3-V, 5.0-V logic inputs
  • Low-current sleep mode (2 µA)
  • Spread spectrum clocking for low electromagnetic interference (EMI)
  • Small package and footprint
  • Protection features
    • VM undervoltage lockout (UVLO)
    • Charge pump undervoltage (CPUV)
    • Overcurrent protection (OCP)
    • Thermal shutdown (OTSD)
    • Fault condition output (nFAULT)

Description

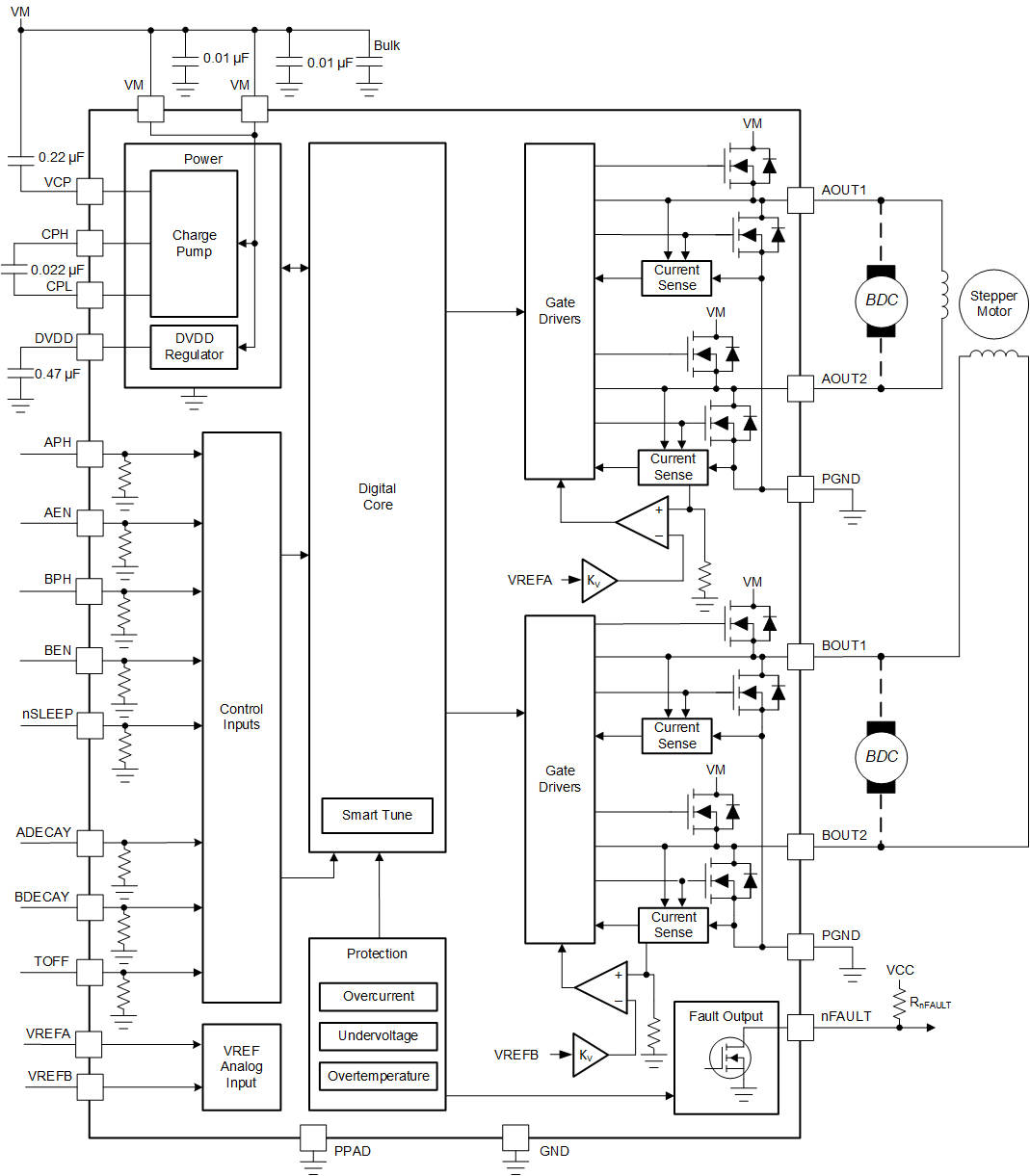
The DRV8436E/P devices are dual H-bridge motor drivers for a wide variety of industrial applications. The devices can be used for driving two DC motors, or a bipolar stepper motor. The output stage of the driver consists of N-channel power MOSFETs configured as two full H-bridges, charge pump regulator, current sensing and regulation, and protection circuitry. The integrated current sensing uses an internal current mirror architecture, removing the need for a large power shunt resistor, saving board area and reducing system cost. A low-power sleep mode is provided to achieve ultra- low quiescent current draw by shutting down most of the internal circuitry. Internal protection features are provided for supply undervoltage lockout (UVLO), charge pump undervoltage (CPUV), output overcurrent (OCP), and device overtemperature (OTSD). The DRV8436E/P is capable of driving up to 1.5-A full scale or 1.1-A rms output current per H-bridge (dependent on PCB design).

The DRV8436E/P devices are dual H-bridge motor drivers for a wide variety of industrial applications. The devices can be used for driving two DC motors, or a bipolar stepper motor. The output stage of the driver consists of N-channel power MOSFETs configured as two full H-bridges, charge pump regulator, current sensing and regulation, and protection circuitry. The integrated current sensing uses an internal current mirror architecture, removing the need for a large power shunt resistor, saving board area and reducing system cost. A low-power sleep mode is provided to achieve ultra- low quiescent current draw by shutting down most of the internal circuitry. Internal protection features are provided for supply undervoltage lockout (UVLO), charge pump undervoltage (CPUV), output overcurrent (OCP), and device overtemperature (OTSD). The DRV8436E/P is capable of driving up to 1.5-A full scale or 1.1-A rms output current per H-bridge (dependent on PCB design).

Subscribe to Welllinkchips !
Your Name
* Email
Submit a request