0
DRV8306
  • DRV8306
  • DRV8306

DRV8306

ACTIVE

40-V max sensored trapezoidal control, 3-phase BLDC smart gate driver

Texas Instruments DRV8306 Product Info

1 April 2026 1

Parameters

Rating

Catalog

Architecture

Gate driver

Control interface

1xPWM

Gate drive (A)

0.15

Vs (min) (V)

6

Vs ABS (max) (V)

40

Features

Hall Element Comparators, Hardware Management I/F, Integrated Motor Control, Smart Gate Drive, Tach/FG Feedback

Operating temperature range (°C)

-40 to 125

Package

VQFN (RSM)-32-16 mm² 4 x 4

Features

  • 6-V to 38-V, Triple Half-Bridge Gate Driver With Integrated 3x Hall Comparators
    • 40-V Absolute Maximum Rating
    • Fully Optimized for 12-V and 24-V DC Rails
    • Drives High-Side and Low-Side N-Channel MOSFETs
    • Supports 100% PWM Duty Cycle
  • Smart Gate Drive Architecture
    • Adjustable Slew-Rate Control for Better EMI and EMC Performance
    • VGS Hand-Shake and Minimum Dead-Time Insertion to Avoid Shoot-Through
    • 15-mA to 150-mA Peak Source Current
    • 30-mA to 300-mA Peak Sink Current
  • Integrated Commutation from Hall Sensors
    • 120° Trapezoidal Current Control
    • Supports Low-Cost Hall Elements
    • Tacho Output Signal (FGOUT) for Closed Loop Speed Control
  • Integrated Gate Driver Power Supplies
    • High-Side Charge Pump
    • Low-Side Linear Regulator
  • Cycle-by-Cycle Current Limit
  • Supports 1.8-V, 3.3-V, and 5-V Logic Inputs
  • Low-Power Sleep Mode
  • Linear Voltage Regulator, 3.3 V, 30 mA
  • Compact VQFN Package and Footprint
  • Integrated Protection Features
    • VM Undervoltage Lockout (UVLO)
    • Charge Pump Undervoltage (CPUV)
    • MOSFET Overcurrent Protection (OCP)
    • Gate Driver Fault (GDF)
    • Thermal Shutdown (OTSD)
    • Fault Condition Indicator (nFAULT)
  • 6-V to 38-V, Triple Half-Bridge Gate Driver With Integrated 3x Hall Comparators
    • 40-V Absolute Maximum Rating
    • Fully Optimized for 12-V and 24-V DC Rails
    • Drives High-Side and Low-Side N-Channel MOSFETs
    • Supports 100% PWM Duty Cycle
  • Smart Gate Drive Architecture
    • Adjustable Slew-Rate Control for Better EMI and EMC Performance
    • VGS Hand-Shake and Minimum Dead-Time Insertion to Avoid Shoot-Through
    • 15-mA to 150-mA Peak Source Current
    • 30-mA to 300-mA Peak Sink Current
  • Integrated Commutation from Hall Sensors
    • 120° Trapezoidal Current Control
    • Supports Low-Cost Hall Elements
    • Tacho Output Signal (FGOUT) for Closed Loop Speed Control
  • Integrated Gate Driver Power Supplies
    • High-Side Charge Pump
    • Low-Side Linear Regulator
  • Cycle-by-Cycle Current Limit
  • Supports 1.8-V, 3.3-V, and 5-V Logic Inputs
  • Low-Power Sleep Mode
  • Linear Voltage Regulator, 3.3 V, 30 mA
  • Compact VQFN Package and Footprint
  • Integrated Protection Features
    • VM Undervoltage Lockout (UVLO)
    • Charge Pump Undervoltage (CPUV)
    • MOSFET Overcurrent Protection (OCP)
    • Gate Driver Fault (GDF)
    • Thermal Shutdown (OTSD)
    • Fault Condition Indicator (nFAULT)

Description

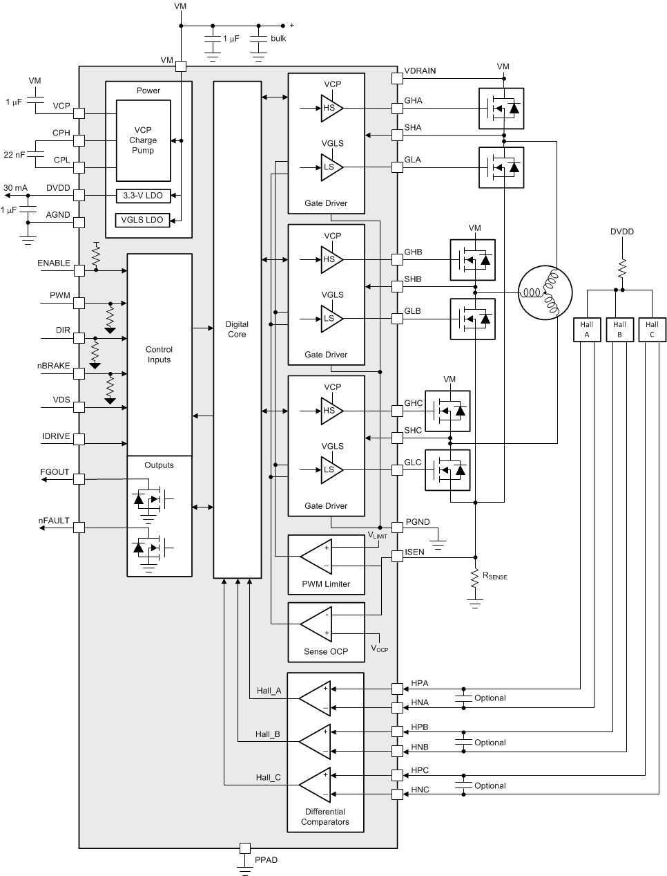
The DRV8306 device is an integrated gate driver for 3-phase brushless DC (BLDC) motor applications. The device provides three half-bridge gate drivers, each capable of driving high-side and low-side N-channel power MOSFETs. The DRV8306 device generates the proper gate drive voltages using an integrated charge pump for the high-side MOSFETs and a linear regulator for the low-side MOSFETs. The smart gate drive architecture supports up to 150-mA source and 300-mA sink peak gate drive current and 15-mA rms gate drive current capability.

The device provides an internal 120° commutation for the trapezoidal BLDC motor. The DRV8306 device has three Hall comparators which use the input from the Hall elements for internal commutation. The duty cycle ratio of the phase voltage of the motor can be adjusted through the PWM pin. Additional brake (nBRAKE) and direction (DIR) pins are provided for braking and setting the direction of the BLDC motor. A 3.3-V, 30-mA low-dropout (LDO) regulator is provided to supply the external controller and Hall elements. An additional FGOUT signal is provided which is a measure of the commutation frequency. This signal can be used for implementing the closed-loop control of BLDC motor.

A low-power sleep mode is provided to achieve low quiescent current draw by shutting down most of the internal circuitry. Internal protection functions are provided for undervoltage lockout, charge pump fault, MOSFET overcurrent, MOSFET short circuit, gate driver fault, and overtemperature. Fault conditions are indicated on the nFAULT pin.

The DRV8306 device is an integrated gate driver for 3-phase brushless DC (BLDC) motor applications. The device provides three half-bridge gate drivers, each capable of driving high-side and low-side N-channel power MOSFETs. The DRV8306 device generates the proper gate drive voltages using an integrated charge pump for the high-side MOSFETs and a linear regulator for the low-side MOSFETs. The smart gate drive architecture supports up to 150-mA source and 300-mA sink peak gate drive current and 15-mA rms gate drive current capability.

The device provides an internal 120° commutation for the trapezoidal BLDC motor. The DRV8306 device has three Hall comparators which use the input from the Hall elements for internal commutation. The duty cycle ratio of the phase voltage of the motor can be adjusted through the PWM pin. Additional brake (nBRAKE) and direction (DIR) pins are provided for braking and setting the direction of the BLDC motor. A 3.3-V, 30-mA low-dropout (LDO) regulator is provided to supply the external controller and Hall elements. An additional FGOUT signal is provided which is a measure of the commutation frequency. This signal can be used for implementing the closed-loop control of BLDC motor.

A low-power sleep mode is provided to achieve low quiescent current draw by shutting down most of the internal circuitry. Internal protection functions are provided for undervoltage lockout, charge pump fault, MOSFET overcurrent, MOSFET short circuit, gate driver fault, and overtemperature. Fault conditions are indicated on the nFAULT pin.

Subscribe to Welllinkchips !
Your Name
* Email
Submit a request