0
DRV5056
  • DRV5056
  • DRV5056
  • DRV5056
  • DRV5056
  • DRV5056

DRV5056

ACTIVE

Ratiometric unipolar linear hall effect sensor with analog output

Texas Instruments DRV5056 Product Info

1 April 2026 0

Parameters

Type

Ratiometric unipolar

Sensitivity (typ) (mV/mT)

25, 50, 100, 200

Sensitivity error (%)

5

Supply voltage (max) (V)

5.5

Supply voltage (min) (V)

3

Bandwidth (kHz)

20

Output

0.6 V to Vcc

Rating

Catalog

Operating temperature range (°C)

-40 to 125

Package

SOT-23 (DBZ)-3-6.9204 mm² 2.92 x 2.37

Features

  • Unipolar linear hall effect magnetic sensor
  • Operates from 3.3V and 5V power supplies
  • Analog output with 0.6V quiescent offset:
    • Maximizes voltage swing for high accuracy
  • Magnetic sensitivity options (at VCC = 5V):
    • A1/Z1: 200mV/mT, 20mT range
    • A2/Z2: 100mV/mT, 39mT range
    • A3/Z3: 50mV/mT, 79mT range
    • A4/Z4: 25mV/mT, 158mT range
    • A6: 100mV/mT, 39mT range
    • A8: 66.6mV/mT, 64mT range
  • Fast 20kHz sensing bandwidth
  • Low-noise output with ±1mA drive
  • Compensation for magnet temperature drift for A1/A2/A3/A4/A6/A8 versions and None for the Z1/Z2/Z3/Z4 versions
  • Standard industry packages:
    • Surface-mount SOT-23
    • Through-hole TO-92
  • Unipolar linear hall effect magnetic sensor
  • Operates from 3.3V and 5V power supplies
  • Analog output with 0.6V quiescent offset:
    • Maximizes voltage swing for high accuracy
  • Magnetic sensitivity options (at VCC = 5V):
    • A1/Z1: 200mV/mT, 20mT range
    • A2/Z2: 100mV/mT, 39mT range
    • A3/Z3: 50mV/mT, 79mT range
    • A4/Z4: 25mV/mT, 158mT range
    • A6: 100mV/mT, 39mT range
    • A8: 66.6mV/mT, 64mT range
  • Fast 20kHz sensing bandwidth
  • Low-noise output with ±1mA drive
  • Compensation for magnet temperature drift for A1/A2/A3/A4/A6/A8 versions and None for the Z1/Z2/Z3/Z4 versions
  • Standard industry packages:
    • Surface-mount SOT-23
    • Through-hole TO-92

Description

The DRV5056 is a linear Hall-effect sensor that responds proportionally to flux density of a magnetic south pole. The device can be used for accurate position sensing in a wide range of applications.

Featuring a unipolar magnetic response, the analog output drives 0.6V when no magnetic field is present, and increases when a south magnetic pole is applied. This response maximizes the output dynamic range in applications that sense one magnetic pole. Multiple sensitivity options further maximize the output swing based on the required sensing range.

The device operates from 3.3V or 5V power supplies. Magnetic flux perpendicular to the top of the package is sensed, and the two package options provide different sensing directions.

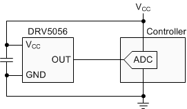
The device uses a ratiometric architecture that can minimize error from VCC tolerance when the external analog-to-digital converter (ADC) uses the same VCC for the reference. Additionally, the device features magnet temperature compensation to counteract how magnets drift for linear performance across a wide –40°C to +125°C temperature range. Device options for no temperature compensation of magnet drift are also available.

The DRV5056 is a linear Hall-effect sensor that responds proportionally to flux density of a magnetic south pole. The device can be used for accurate position sensing in a wide range of applications.

Featuring a unipolar magnetic response, the analog output drives 0.6V when no magnetic field is present, and increases when a south magnetic pole is applied. This response maximizes the output dynamic range in applications that sense one magnetic pole. Multiple sensitivity options further maximize the output swing based on the required sensing range.

The device operates from 3.3V or 5V power supplies. Magnetic flux perpendicular to the top of the package is sensed, and the two package options provide different sensing directions.

The device uses a ratiometric architecture that can minimize error from VCC tolerance when the external analog-to-digital converter (ADC) uses the same VCC for the reference. Additionally, the device features magnet temperature compensation to counteract how magnets drift for linear performance across a wide –40°C to +125°C temperature range. Device options for no temperature compensation of magnet drift are also available.

Subscribe to Welllinkchips !
Your Name
* Email
Submit a request