0
ADC12DC105
  • ADC12DC105
  • ADC12DC105
  • ADC12DC105
  • ADC12DC105

ADC12DC105

ACTIVE

Dual-Channel, 12-Bit, 105-MSPS, 1.0-GHz Input Bandwidth Analog-to-Digital Converter (ADC) Key Specifications Key Specifications

Texas Instruments ADC12DC105 Product Info

1 April 2026 0

Parameters

Sample rate (max) (Msps)

105

Resolution (Bits)

12

Number of input channels

2

Interface type

Parallel CMOS

Analog input BW (MHz)

1000

Features

Low Power

Rating

Catalog

Peak-to-peak input voltage range (V)

2

Power consumption (typ) (mW)

800

Architecture

Pipeline

SNR (dB)

71

ENOB (Bits)

11.5

SFDR (dB)

90

Operating temperature range (°C)

-45 to 85

Input buffer

No

Package

WQFN (NKA)-60-81 mm² 9 x 9

Features

  • Internal Sample-and-Hold Circuit and Precision Reference
  • Low Power Consumption
  • Clock Duty Cycle Stabilizer
  • Single +3.0V or +3.3V Supply Operation
  • Power-Down Mode
  • Offset Binary or 2's Complement Output Data Format
  • 60-Pin WQFN Package, (9x9x0.8mm, 0.5mm Pin-Pitch)

Key Specifications

  • High IF Sampling Receivers
  • Wireless Base Station Receivers
  • Test and Measurement Equipment
  • Communications Instrumentation
  • Portable Instrumentation

All trademarks are the property of their respective owners.

  • Internal Sample-and-Hold Circuit and Precision Reference
  • Low Power Consumption
  • Clock Duty Cycle Stabilizer
  • Single +3.0V or +3.3V Supply Operation
  • Power-Down Mode
  • Offset Binary or 2's Complement Output Data Format
  • 60-Pin WQFN Package, (9x9x0.8mm, 0.5mm Pin-Pitch)

Key Specifications

  • High IF Sampling Receivers
  • Wireless Base Station Receivers
  • Test and Measurement Equipment
  • Communications Instrumentation
  • Portable Instrumentation

All trademarks are the property of their respective owners.

Description

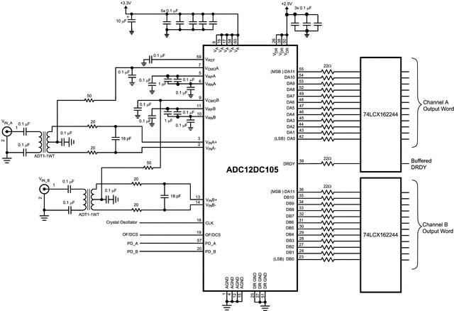
The ADC12DC105 is a high-performance CMOS analog-to-digital converter capable of converting two analog input signals into 12-bit digital words at rates up to 105 Mega Samples Per Second (MSPS). These converters use a differential, pipelined architecture with digital error correction and an on-chip sample-and-hold circuit to minimize power consumption and the external component count, while providing excellent dynamic performance. A unique sample-and-hold stage yields a full-power bandwidth of 1 GHz. The ADC12DC080/105 may be operated from a single +3.0V or +3.3V power supply. A power-down feature reduces the power consumption to very low levels while still allowing fast wake-up time to full operation. The differential inputs provide a 2V full scale differential input swing. A stable 1.2V internal voltage reference is provided, or the ADC12DC105 can be operated with an external 1.2V reference. Output data format (offset binary versus 2's complement) and duty cycle stabilizer are pin-selectable. The duty cycle stabilizer maintains performance over a wide range of clock duty cycles.

The ADC12DC105 is available in a 60-lead WQFN package and operates over the industrial temperature range of −40°C to +85°C.

The ADC12DC105 is a high-performance CMOS analog-to-digital converter capable of converting two analog input signals into 12-bit digital words at rates up to 105 Mega Samples Per Second (MSPS). These converters use a differential, pipelined architecture with digital error correction and an on-chip sample-and-hold circuit to minimize power consumption and the external component count, while providing excellent dynamic performance. A unique sample-and-hold stage yields a full-power bandwidth of 1 GHz. The ADC12DC080/105 may be operated from a single +3.0V or +3.3V power supply. A power-down feature reduces the power consumption to very low levels while still allowing fast wake-up time to full operation. The differential inputs provide a 2V full scale differential input swing. A stable 1.2V internal voltage reference is provided, or the ADC12DC105 can be operated with an external 1.2V reference. Output data format (offset binary versus 2's complement) and duty cycle stabilizer are pin-selectable. The duty cycle stabilizer maintains performance over a wide range of clock duty cycles.

The ADC12DC105 is available in a 60-lead WQFN package and operates over the industrial temperature range of −40°C to +85°C.

Subscribe to Welllinkchips !
Your Name
* Email
Submit a request