0
TLV320AIC3263
  • TLV320AIC3263
  • TLV320AIC3263

TLV320AIC3263

ACTIVE

Low Power Stereo Audio Codec W/miniDSP, Class-D Speaker, DirectPath Headphone, 4 digital mic support

Texas Instruments TLV320AIC3263 Product Info

1 April 2026 0

Parameters

Number of ADC channels

2

Number of DAC channels

2

Digital audio interface

DSP, I2S, L&R, PCM, TDM

Control interface

I2C, SPI

Analog inputs

8

Analog outputs

7

Features

MiniDSP, Mono Class-D amplifier, Stereo headphone amplifier

Sampling rate (max) (kHz)

192

Rating

Catalog

ADC SNR (typ) (dB)

93

DAC SNR (typ) (dB)

101

Operating temperature range (°C)

-40 to 85

Package

DSBGA (YZF)-81-25 mm² 5 x 5

Features

  • Stereo Audio DAC with 101dB SNR
  • 2.7mW Stereo 48kHz DAC Playback
  • Stereo Audio ADC with 93dB SNR
  • 6.1mW Stereo 48kHz ADC Record
  • 8-192kHz Playback and Record
  • 30mW DirectPathTM Headphone Driver
    Eliminates Large Output DC-Blocking Capacitors
  • 128mW Differential Receiver Output Driver
  • Class-D Speaker Driver
    • 1.7 W (8Ω , 5.5V, 10% THDN)
    • 1.4 W (8Ω , 5.5V, 1% THDN)
  • Stereo Line Outputs
  • PowerTune - Adjusts Power versus SNR
  • Extensive Signal Processing Options
  • Eight Single-Ended or 4 Fully-Differential
    Analog Inputs
  • Analog Microphone Inputs, and Up to 4
    Simultaneous Digital Microphone Channels
  • Low Power Analog Bypass Mode
  • Fully-programmable Enhanced miniDSP with PurePathTM
    Studio Support
    • Extensive Algorithm Support for Voice and Audio
      Applications
  • Three Independent Digital Audio Serial Interfaces with
    Separate I/O Power Voltages
    • TDM and mono PCM support on all Audio Serial
      Interfaces
    • 8-channel Input and Output on Audio Serial Interface 1
  • Programmable PLL, plus Low-Frequency Clocking
  • Programmable 12-Bit SAR ADC
  • SPI and I2C Control Interfaces
  • 4.81 mm × 4.81 mm × 0.625 mm 81-Ball WCSP (DSBGA) Package
  • Stereo Audio DAC with 101dB SNR
  • 2.7mW Stereo 48kHz DAC Playback
  • Stereo Audio ADC with 93dB SNR
  • 6.1mW Stereo 48kHz ADC Record
  • 8-192kHz Playback and Record
  • 30mW DirectPathTM Headphone Driver
    Eliminates Large Output DC-Blocking Capacitors
  • 128mW Differential Receiver Output Driver
  • Class-D Speaker Driver
    • 1.7 W (8Ω , 5.5V, 10% THDN)
    • 1.4 W (8Ω , 5.5V, 1% THDN)
  • Stereo Line Outputs
  • PowerTune - Adjusts Power versus SNR
  • Extensive Signal Processing Options
  • Eight Single-Ended or 4 Fully-Differential
    Analog Inputs
  • Analog Microphone Inputs, and Up to 4
    Simultaneous Digital Microphone Channels
  • Low Power Analog Bypass Mode
  • Fully-programmable Enhanced miniDSP with PurePathTM
    Studio Support
    • Extensive Algorithm Support for Voice and Audio
      Applications
  • Three Independent Digital Audio Serial Interfaces with
    Separate I/O Power Voltages
    • TDM and mono PCM support on all Audio Serial
      Interfaces
    • 8-channel Input and Output on Audio Serial Interface 1
  • Programmable PLL, plus Low-Frequency Clocking
  • Programmable 12-Bit SAR ADC
  • SPI and I2C Control Interfaces
  • 4.81 mm × 4.81 mm × 0.625 mm 81-Ball WCSP (DSBGA) Package

Description

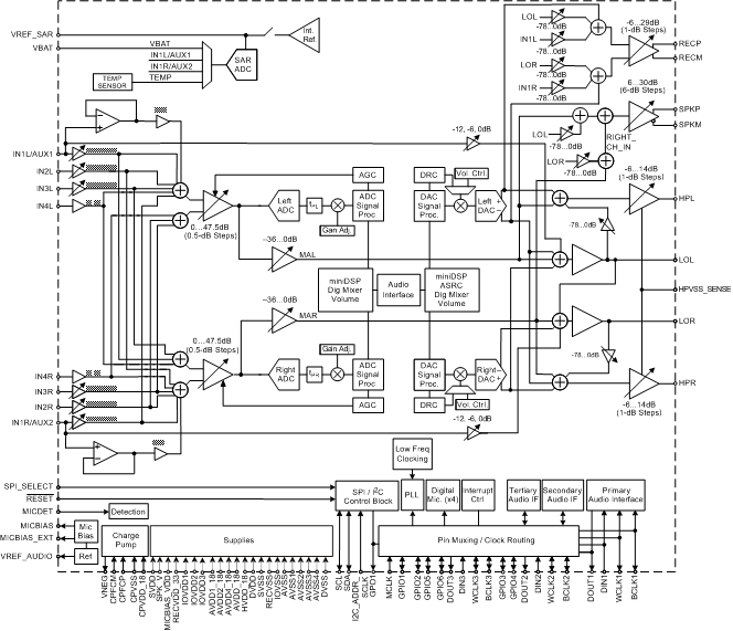
The TLV320AIC3263 (also referred to as the AIC3263) is a flexible, highly-integrated, low-power, low-voltage stereo audio codec. The AIC3263 features four digital microphone inputs, plus programmable outputs, PowerTune capabilities, enhanced fully-programmable miniDSP, predefined and parameterizable signal processing blocks, integrated PLL, and flexible digital audio interfaces. Extensive register-based control of power, input and output channel configuration, gains, effects, pin-multiplexing and clocks are included, allowing the device to be precisely targeted to its application.

The TLV320AIC3263 features two fully-programmable miniDSP cores that support application-specific algorithms in the record and/or the playback path of the device. The miniDSP cores are fully software programmable. Targeted miniDSP algorithms, such as active noise cancellation, acoustic echo cancellation or advanced DSP filtering are loaded into the device after power-up.

Combined with the advanced PowerTune technology, the device can execute operations from 8kHz mono voice playback to stereo 192kHz DAC playback, making it ideal for portable battery-powered audio and telephony applications.

The record path of the TLV320AIC3263 covers operations from 8kHz mono to 192kHz stereo recording, and contains programmable input channel configurations which cover single-ended and differential setups, as well as floating or mixing input signals. It also provides a digitally-controlled stereo microphone preamplifier and integrated microphone bias. One application of the digital signal processing blocks is removable of audible noise that may be introduced by mechanical coupling, such as optical zooming in a digital camera. The record path can also be configured for up to two stereo Pulse Density Modulation (PDM) interfaces (for instance, supporting up to 4 digital microphones) typically used at 64Fs or 128Fs.

The playback path offers signal processing blocks for filtering and effects; headphone, line, receiver, and Class-D speaker output; flexible mixing of DAC; and analog input signals as well as programmable volume controls. The playback path contains two high-power DirectPathTM headphone output drivers which eliminate the need for ac coupling capacitors. A built in charge pump generates the negative supply for the ground centered headphone drivers. These headphone output drivers can be configured in multiple ways, including stereo, and mono BTL. In addition, playback audio can be routed to an integrated Class-D speaker driver or a differential receiver amplifier.

The integrated PowerTune technology allows the device to be tuned to just the right power-performance trade-off. Mobile applications frequently have multiple use cases requiring very low-power operation while being used in a mobile environment. When used in a docked environment power consumption typically is less of a concern while lowest possible noise is important. With PowerTune the TLV320AIC3263 can address both cases.

The required internal clock of the TLV320AIC3263 can be derived from multiple sources, including the MCLK pin, the BCLK1 pin, the BCLK2 pin, several general purpose I/O pins or the output of the internal PLL, where the input to the PLL again can be derived from similar pins. Although using the internal fractional PLL ensures the availability of a suitable clock signal, it is not recommended for the lowest power settings. The PLL is highly programmable and can accept available input clocks in the range of 512kHz to 50MHz. To enable even lower clock frequencies, an integrated low-frequency clock multiplier can also be used as an input to the PLL.

The TLV320AIC3263 has a 12-bit SAR ADC converter that supports system voltage measurements. These system voltage measurements can be sourced from three dedicated analog inputs (IN1L/AUX1, IN1R/AUX2, or VBAT pins), or, alternatively, an on-chip temperature sensor that can be read by the SAR ADC.

The device also features three full Digital Audio Serial Interfaces, each supporting I2S, DSP/TDM, RJF, LJF, and mono PCM formats. This enables three simultaneous digital playback and record paths to three independent digital audio buses or chips. Additionally, the general purpose interrupt pins can be used to connect to a fourth digital audio bus, allowing the end system to easily switch in this fourth audio bus to one of the three Digital Audio Serial Interfaces. Each of the three Digital Audio Serial Interfaces can be run using separate power voltages to enable easy integration with separate chips with different I/O voltages.

The device is available in the 4.81 mm × 4.81 mm × 0.625 mm 81-Ball WCSP (DSBGA) Package.

The TLV320AIC3263 (also referred to as the AIC3263) is a flexible, highly-integrated, low-power, low-voltage stereo audio codec. The AIC3263 features four digital microphone inputs, plus programmable outputs, PowerTune capabilities, enhanced fully-programmable miniDSP, predefined and parameterizable signal processing blocks, integrated PLL, and flexible digital audio interfaces. Extensive register-based control of power, input and output channel configuration, gains, effects, pin-multiplexing and clocks are included, allowing the device to be precisely targeted to its application.

The TLV320AIC3263 features two fully-programmable miniDSP cores that support application-specific algorithms in the record and/or the playback path of the device. The miniDSP cores are fully software programmable. Targeted miniDSP algorithms, such as active noise cancellation, acoustic echo cancellation or advanced DSP filtering are loaded into the device after power-up.

Combined with the advanced PowerTune technology, the device can execute operations from 8kHz mono voice playback to stereo 192kHz DAC playback, making it ideal for portable battery-powered audio and telephony applications.

The record path of the TLV320AIC3263 covers operations from 8kHz mono to 192kHz stereo recording, and contains programmable input channel configurations which cover single-ended and differential setups, as well as floating or mixing input signals. It also provides a digitally-controlled stereo microphone preamplifier and integrated microphone bias. One application of the digital signal processing blocks is removable of audible noise that may be introduced by mechanical coupling, such as optical zooming in a digital camera. The record path can also be configured for up to two stereo Pulse Density Modulation (PDM) interfaces (for instance, supporting up to 4 digital microphones) typically used at 64Fs or 128Fs.

The playback path offers signal processing blocks for filtering and effects; headphone, line, receiver, and Class-D speaker output; flexible mixing of DAC; and analog input signals as well as programmable volume controls. The playback path contains two high-power DirectPathTM headphone output drivers which eliminate the need for ac coupling capacitors. A built in charge pump generates the negative supply for the ground centered headphone drivers. These headphone output drivers can be configured in multiple ways, including stereo, and mono BTL. In addition, playback audio can be routed to an integrated Class-D speaker driver or a differential receiver amplifier.

The integrated PowerTune technology allows the device to be tuned to just the right power-performance trade-off. Mobile applications frequently have multiple use cases requiring very low-power operation while being used in a mobile environment. When used in a docked environment power consumption typically is less of a concern while lowest possible noise is important. With PowerTune the TLV320AIC3263 can address both cases.

The required internal clock of the TLV320AIC3263 can be derived from multiple sources, including the MCLK pin, the BCLK1 pin, the BCLK2 pin, several general purpose I/O pins or the output of the internal PLL, where the input to the PLL again can be derived from similar pins. Although using the internal fractional PLL ensures the availability of a suitable clock signal, it is not recommended for the lowest power settings. The PLL is highly programmable and can accept available input clocks in the range of 512kHz to 50MHz. To enable even lower clock frequencies, an integrated low-frequency clock multiplier can also be used as an input to the PLL.

The TLV320AIC3263 has a 12-bit SAR ADC converter that supports system voltage measurements. These system voltage measurements can be sourced from three dedicated analog inputs (IN1L/AUX1, IN1R/AUX2, or VBAT pins), or, alternatively, an on-chip temperature sensor that can be read by the SAR ADC.

The device also features three full Digital Audio Serial Interfaces, each supporting I2S, DSP/TDM, RJF, LJF, and mono PCM formats. This enables three simultaneous digital playback and record paths to three independent digital audio buses or chips. Additionally, the general purpose interrupt pins can be used to connect to a fourth digital audio bus, allowing the end system to easily switch in this fourth audio bus to one of the three Digital Audio Serial Interfaces. Each of the three Digital Audio Serial Interfaces can be run using separate power voltages to enable easy integration with separate chips with different I/O voltages.

The device is available in the 4.81 mm × 4.81 mm × 0.625 mm 81-Ball WCSP (DSBGA) Package.

Subscribe to Welllinkchips !
Your Name
* Email
Submit a request