0
DAC38RF89
  • DAC38RF89
  • DAC38RF89

DAC38RF89

ACTIVE

Dual-Channel, 14-Bit, 8.4-GSPS, 1x-24x Interpolating, 5 & 7.5 GHz PLL Digital-to-Analog Converter

Texas Instruments DAC38RF89 Product Info

1 April 2026 0

Parameters

Resolution (Bits)

14

Number of DAC channels

2

Interface type

JESD204B

Sample/update rate (Msps)

8400

Features

Ultra High Speed

Rating

Catalog

Interpolation

10x, 12x, 16x, 18x, 1x, 20x, 24x, 2x, 4x, 6x, 8x

Power consumption (typ) (mW)

3800

SFDR (dB)

97

Architecture

Current Source

Operating temperature range (°C)

-40 to 85

Reference type

Ext, Int

Package

FCCSP (AAV)-144-100 mm² 10 x 10

Features

  • 14-Bit resolution, 9-GSPS DAC with multimode operation
    • 16-Bit, Dual-channel data mode
      • Max input rate: 2.5-GSPS
      • Wideband digital up-converter
        • Interpolation: 1,2,4,6,8,10,12,16,18,20,24x
    • 12-Bit, Dual-channel data mode
      • Max input rate: 3.33-GSPS
      • Wideband digital Up-converter
        • Interpolation: 1,2,24x
    • 8-Bit, Single-channel data mode
      • Max input rate: 9-GSPS
  • JESD204B interface
    • Subclass 1 for multichip synchronization
    • DAC38RF89: Maximum lane rate: 12.5 Gbps
    • DAC38RF82: Maximum lane rate: 12.8 Gbps
  • Differential output
    • Supports DC coupling
    • RF Full-scale output power (with 2:1 balun):
      3 dBm at 2.14 GHz
  • Internal PLL and VCO with bypass
    • DAC38RF82: fC(VCO) = 5.9 or 8.9 GHz
    • DAC38RF89: fC(VCO) = 5 or 7.5 GHz
  • Power supplies: -1.8 V, 1.0 V, 1.8 V
  • Package: 10 x 10 mm BGA, 0.8 mm pitch,
    144-balls
  • 14-Bit resolution, 9-GSPS DAC with multimode operation
    • 16-Bit, Dual-channel data mode
      • Max input rate: 2.5-GSPS
      • Wideband digital up-converter
        • Interpolation: 1,2,4,6,8,10,12,16,18,20,24x
    • 12-Bit, Dual-channel data mode
      • Max input rate: 3.33-GSPS
      • Wideband digital Up-converter
        • Interpolation: 1,2,24x
    • 8-Bit, Single-channel data mode
      • Max input rate: 9-GSPS
  • JESD204B interface
    • Subclass 1 for multichip synchronization
    • DAC38RF89: Maximum lane rate: 12.5 Gbps
    • DAC38RF82: Maximum lane rate: 12.8 Gbps
  • Differential output
    • Supports DC coupling
    • RF Full-scale output power (with 2:1 balun):
      3 dBm at 2.14 GHz
  • Internal PLL and VCO with bypass
    • DAC38RF82: fC(VCO) = 5.9 or 8.9 GHz
    • DAC38RF89: fC(VCO) = 5 or 7.5 GHz
  • Power supplies: -1.8 V, 1.0 V, 1.8 V
  • Package: 10 x 10 mm BGA, 0.8 mm pitch,
    144-balls

Description

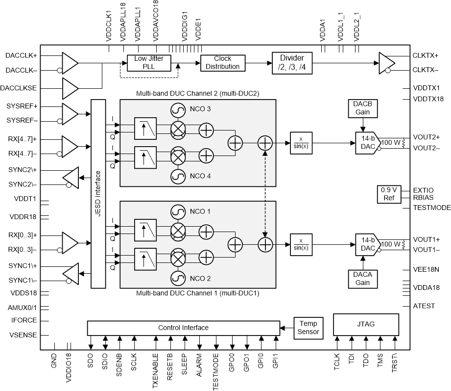
The DAC38RF82 and DAC38RF89 are high performance, wide bandwidth RF-sampling digital-to-analog (DACs) that are capable of dual channel input data rate up to 3.33 GSPS or single-channel operation with 8-bits up to 9-GSPS. The devices have a low power JESD204B Interface with up to 8 lanes, with a maximum bit rate of 12.5 Gbps (DAC38RF89) and 12.8 Gbps (DAC38RF82).

In dual channel operation, the input interface is capable of data rates up to 3.33 GSPS at 12-bits and 2.5 GSPS at 16-bits resolution without interpolation. When used as a complex baseband transmitter with interpolation modes from 2x to 24x, the DAC38RF82 or DAC38RF89 is capable of synthesizing wideband signals up to 2 GHz bandwidth with 16-bit input resolution and 2.66 GHz bandwidth with 12-bit input resolution.

The 8-bit mode allows an input at the full 9 GSPS maximum DAC sample rate and can synthesize wideband signals from 0 to 4.5 GHz.

An optional low jitter PLL/VCO simplifies the DAC clock generation by allowing use of a lower frequency reference clock. DAC38RF82 and DAC38RF89 support different VCO frequency ranges, summarized in Device Comparison Table.

The DAC38RF82 and DAC38RF89 are high performance, wide bandwidth RF-sampling digital-to-analog (DACs) that are capable of dual channel input data rate up to 3.33 GSPS or single-channel operation with 8-bits up to 9-GSPS. The devices have a low power JESD204B Interface with up to 8 lanes, with a maximum bit rate of 12.5 Gbps (DAC38RF89) and 12.8 Gbps (DAC38RF82).

In dual channel operation, the input interface is capable of data rates up to 3.33 GSPS at 12-bits and 2.5 GSPS at 16-bits resolution without interpolation. When used as a complex baseband transmitter with interpolation modes from 2x to 24x, the DAC38RF82 or DAC38RF89 is capable of synthesizing wideband signals up to 2 GHz bandwidth with 16-bit input resolution and 2.66 GHz bandwidth with 12-bit input resolution.

The 8-bit mode allows an input at the full 9 GSPS maximum DAC sample rate and can synthesize wideband signals from 0 to 4.5 GHz.

An optional low jitter PLL/VCO simplifies the DAC clock generation by allowing use of a lower frequency reference clock. DAC38RF82 and DAC38RF89 support different VCO frequency ranges, summarized in Device Comparison Table.

Subscribe to Welllinkchips !
Your Name
* Email
Submit a request