0
CSD96371Q5M
  • CSD96371Q5M
  • CSD96371Q5M

CSD96371Q5M

ACTIVE

20V 30A SON 5 x 6mm synchronous buck NexFET™ power stage

Texas Instruments CSD96371Q5M Product Info

1 April 2026 0

Parameters

Rating

Catalog

VDS (V)

25

Ploss current (A)

25

Features

Ultra-low inductance package

Operating temperature range (°C)

-55 to 150

Package

LSON-CLIP (DQP)-22-30 mm² 6 x 5

Features

  • 92% System Efficiency at 30A
  • High Frequency Operation (Up To 2MHz)
  • High Density – SON 5-mm × 6-mm Footprint
  • Low Power Loss 3.4W at 30A
  • Ultra Low Inductance Package
  • System Optimized PCB Footprint
  • 3.3V and 5V PWM Signal Compatible
  • 3-State PWM Input
  • Integrated Bootstrap Diode
  • Pre-Bias Start-Up Protection
  • Shoot Through Protection
  • RoHS Compliant – Lead Free Terminal Plating Halogen Free
  • 92% System Efficiency at 30A
  • High Frequency Operation (Up To 2MHz)
  • High Density – SON 5-mm × 6-mm Footprint
  • Low Power Loss 3.4W at 30A
  • Ultra Low Inductance Package
  • System Optimized PCB Footprint
  • 3.3V and 5V PWM Signal Compatible
  • 3-State PWM Input
  • Integrated Bootstrap Diode
  • Pre-Bias Start-Up Protection
  • Shoot Through Protection
  • RoHS Compliant – Lead Free Terminal Plating Halogen Free

Description

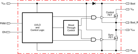
The CSD96371Q5M NexFET Power Stage has an optimized design for use in a high power high density Synchronous Buck converter. This product integrates the gate driver IC and Power MOSFETs to complete the power stage switching function. This combination produces high current, high efficiency, and high speed switching capability in a small 5-mm × 6-mm outline package. In addition, the PCB footprint has been optimized to help reduce design time and simplify the completion of the overall system design.

The CSD96371Q5M NexFET Power Stage has an optimized design for use in a high power high density Synchronous Buck converter. This product integrates the gate driver IC and Power MOSFETs to complete the power stage switching function. This combination produces high current, high efficiency, and high speed switching capability in a small 5-mm × 6-mm outline package. In addition, the PCB footprint has been optimized to help reduce design time and simplify the completion of the overall system design.

Subscribe to Welllinkchips !
Your Name
* Email
Submit a request