0
ADC1175
  • ADC1175
  • ADC1175
  • ADC1175

ADC1175

ACTIVE

8-Bit 20MSPS Analog-to-Digital Converter (ADC) Key Specifications Key Specifications

Texas Instruments ADC1175 Product Info

1 April 2026 1

Parameters

Sample rate (max) (Msps)

20

Resolution (Bits)

8

Number of input channels

1

Interface type

Parallel CMOS

Analog input BW (MHz)

120

Features

Low Power

Rating

Catalog

Peak-to-peak input voltage range (V)

2

Power consumption (typ) (mW)

60

Architecture

Two-Step

SNR (dB)

47.6

ENOB (Bits)

7.5

SFDR (dB)

58

Operating temperature range (°C)

-20 to 75

Input buffer

No

Package

TSSOP (PW)-24-49.92 mm² 7.8 x 6.4

Features

  • Internal Sample-and-Hold Function
  • Single +5V Operation
  • Internal Reference Bias Resistors
  • Industry Standard Pinout
  • TRI-STATE Outputs

Key Specifications

  • Resolution 8Bits
  • Maximum Sampling Frequency 20Msps (min)
  • DNL 0.75 LSB (max)
  • ENOB 7.5 Bits (typ)
  • Ensured No Missing Codes
  • Power Consumption (excluding IREF) 60mW (typ)

All trademarks are the property of their respective owners.

  • Internal Sample-and-Hold Function
  • Single +5V Operation
  • Internal Reference Bias Resistors
  • Industry Standard Pinout
  • TRI-STATE Outputs

Key Specifications

  • Resolution 8Bits
  • Maximum Sampling Frequency 20Msps (min)
  • DNL 0.75 LSB (max)
  • ENOB 7.5 Bits (typ)
  • Ensured No Missing Codes
  • Power Consumption (excluding IREF) 60mW (typ)

All trademarks are the property of their respective owners.

Description

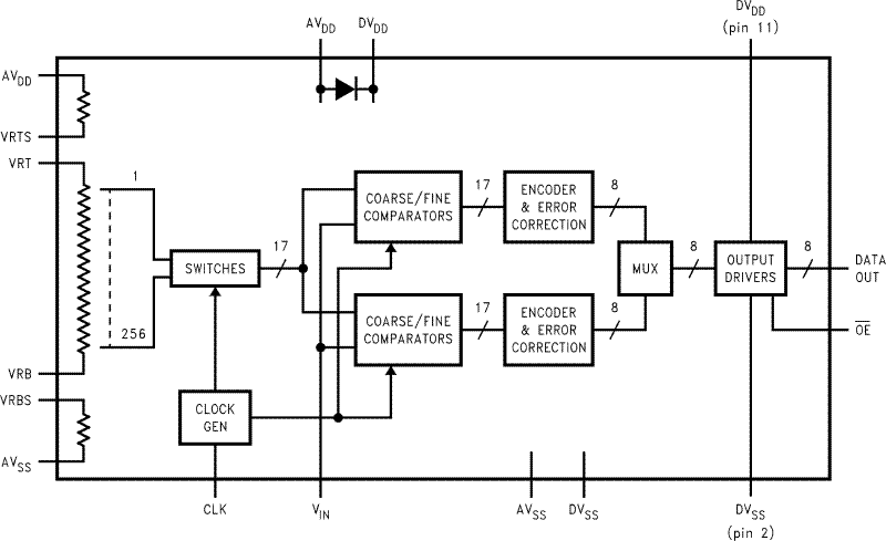
The ADC1175 is a low power, 20 Msps analog-to-digital converter that digitizes signals to 8 bits while consuming just 60 mW of power (typ). The ADC1175 uses a unique architecture that achieves 7.5 Effective Bits. Output formatting is straight binary coding.

The excellent DC and AC characteristics of this device, together with its low power consumption and +5V single supply operation, make it ideally suited for many video, imaging and communications applications, including use in portable equipment. Furthermore, the ADC1175 is resistant to latch-up and the outputs are short-circuit proof. The top and bottom of the ADC1175's reference ladder is available for connections, enabling a wide range of input possibilities.

The ADC1175 is offered in a TSSOP. It is designed to operate over the commercial temperature range of -20°C to +75°C.

The ADC1175 is a low power, 20 Msps analog-to-digital converter that digitizes signals to 8 bits while consuming just 60 mW of power (typ). The ADC1175 uses a unique architecture that achieves 7.5 Effective Bits. Output formatting is straight binary coding.

The excellent DC and AC characteristics of this device, together with its low power consumption and +5V single supply operation, make it ideally suited for many video, imaging and communications applications, including use in portable equipment. Furthermore, the ADC1175 is resistant to latch-up and the outputs are short-circuit proof. The top and bottom of the ADC1175's reference ladder is available for connections, enabling a wide range of input possibilities.

The ADC1175 is offered in a TSSOP. It is designed to operate over the commercial temperature range of -20°C to +75°C.

Subscribe to Welllinkchips !
Your Name
* Email
Submit a request