0
BQ24105-Q1
  • BQ24105-Q1
  • BQ24105-Q1

BQ24105-Q1

ACTIVE

Standalone automotive 1-3 cell 2A Buck battery charger

Texas Instruments BQ24105-Q1 Product Info

1 April 2026 0

Parameters

Rating

Automotive

Number of series cells

1, 2, 3

Cell chemistry

Li-Ion/Li-Polymer, Lithium Phosphate/LiFePO4, NiCd, NiMH

Charge current (max) (A)

2

Features

AEC-Q100 Automotive Qual, BAT temp thermistor monitoring (hot/cold profile), Input OVP

Vin (min) (V)

4.35

Vin (max) (V)

16

Absolute max Vin (max) (V)

20

Control topology

Switch-Mode Buck

Battery charge voltage (min) (V)

2.1

Battery charge voltage (max) (V)

15.5

Control interface

Standalone (RC-Settable)

Operating temperature range (°C)

-40 to 85

Package

VQFN (RHL)-20-15.75 mm² 4.5 x 3.5

Features

  • Qualified for Automotive Applications
  • Ideal For Highly Efficient Charger Designs For
    Single-, Two-, or Three-Cell Li-Ion and Li-Polymer
    Battery Packs
  • Also for LiFePO4 Battery (see Using bq24105 to Charge LiFePO4 Battery)
  • Integrated Synchronous Fixed-Frequency PWM Controller Operating at 1.1 MHz
    With 0% to 100% Duty Cycle
  • Integrated Power FETs For Up To 2-A Charge Rate
  • High-Accuracy Voltage and Current Regulation
  • Stand-Alone (Built-In Charge Management and Control) Version
  • Status Outputs For LED or Host Processor Interface Indicates Charge-In-Progress,
    Charge Completion, Fault, and AC-Adapter Present Conditions
  • 20-V Maximum Voltage Rating on IN and OUT Pins
  • High-Side Battery Current Sensing
  • Battery Temperature Monitoring
  • Automatic Sleep Mode for Low Power Consumption
  • Reverse Leakage Protection Prevents Battery Drainage
  • Thermal Shutdown and Protection
  • Built-In Battery Detection
  • Available in 20-Pin, 3.5 mm × 4.5 mm, QFN Package

All trademarks are the property of their respective owners.

  • Qualified for Automotive Applications
  • Ideal For Highly Efficient Charger Designs For
    Single-, Two-, or Three-Cell Li-Ion and Li-Polymer
    Battery Packs
  • Also for LiFePO4 Battery (see Using bq24105 to Charge LiFePO4 Battery)
  • Integrated Synchronous Fixed-Frequency PWM Controller Operating at 1.1 MHz
    With 0% to 100% Duty Cycle
  • Integrated Power FETs For Up To 2-A Charge Rate
  • High-Accuracy Voltage and Current Regulation
  • Stand-Alone (Built-In Charge Management and Control) Version
  • Status Outputs For LED or Host Processor Interface Indicates Charge-In-Progress,
    Charge Completion, Fault, and AC-Adapter Present Conditions
  • 20-V Maximum Voltage Rating on IN and OUT Pins
  • High-Side Battery Current Sensing
  • Battery Temperature Monitoring
  • Automatic Sleep Mode for Low Power Consumption
  • Reverse Leakage Protection Prevents Battery Drainage
  • Thermal Shutdown and Protection
  • Built-In Battery Detection
  • Available in 20-Pin, 3.5 mm × 4.5 mm, QFN Package

All trademarks are the property of their respective owners.

Description

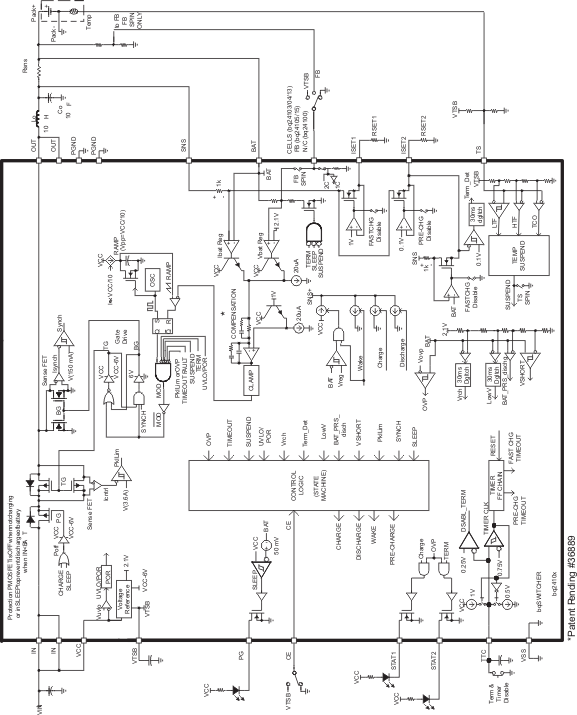
The bqSWITCHER™ series are highly integrated Li-ion and Li-polymer switch-mode charge management devices targeted at a wide range of portable applications. The bqSWITCHER™ series offers integrated synchronous PWM controller and power FETs, high-accuracy current and voltage regulation, charge preconditioning, charge status, and charge termination, in a small, thermally enhanced QFN package.

The bqSWITCHER charges the battery in three phases: conditioning, constant current, and constant voltage. Charge is terminated based on user-selectable minimum current level. A programmable charge timer provides a safety backup for charge termination. The bqSWITCHER automatically restarts the charge cycle if the battery voltage falls below an internal threshold. The bqSWITCHER automatically enters sleep mode when VCC supply is removed.

The bqSWITCHER™ series are highly integrated Li-ion and Li-polymer switch-mode charge management devices targeted at a wide range of portable applications. The bqSWITCHER™ series offers integrated synchronous PWM controller and power FETs, high-accuracy current and voltage regulation, charge preconditioning, charge status, and charge termination, in a small, thermally enhanced QFN package.

The bqSWITCHER charges the battery in three phases: conditioning, constant current, and constant voltage. Charge is terminated based on user-selectable minimum current level. A programmable charge timer provides a safety backup for charge termination. The bqSWITCHER automatically restarts the charge cycle if the battery voltage falls below an internal threshold. The bqSWITCHER automatically enters sleep mode when VCC supply is removed.

Subscribe to Welllinkchips !
Your Name
* Email
Submit a request