0
BQ769142
  • BQ769142
  • BQ769142

BQ769142

ACTIVE

3-s to 14-s high-accuracy battery monitor and protector for Li-ion, Li-polymer and LiFePO4 battery

Texas Instruments BQ769142 Product Info

1 April 2026 1

Parameters

Rating

Catalog

Number of series cells (max)

14

Number of series cells (min)

3

Features

Digital output, High-side driver, I2C support, LDO output, Multi-cell support, Overcurrent in charging protection, Overcurrent in discharging protection, Overtemperature protection, Overvoltage protection, Separate MCU requirement, Short-current detection, Stackable (built-in interface), Temperature sensing, Undertemperature protection, Undervoltage protection

Vin (max) (V)

80

Communication interface

HDQ, I2C, SPI

Device type

Cell monitor and balancer

Operating temperature range (°C)

-40 to 85

Battery overvoltage protection (min) (V)

1.012

Battery overvoltage protection (max) (V)

5.566

Package

TQFP (PFB)-48-81 mm² 9 x 9

Features

  • Battery monitoring capability for 3-series to 14-series cells
  • Integrated charge pump for high-side NFET protection with optional autonomous recovery
  • Extensive protection suite including voltage, temperature, current, and internal diagnostics
  • Two independent ADCs
    • Support for simultaneous current and voltage sampling
    • High-accuracy coulomb counter with input offset error < 1 µV (typical)
    • High accuracy cell voltage measurement < 10 mV (typical)
  • Wide-range current applications (±200-mV measurement range across sense resistor)
  • Integrated secondary chemical fuse drive protection
  • Autonomous or host-controlled cell balancing
  • Multiple power modes (typical battery pack operating range conditions)
    • NORMAL mode: 286 µA
    • Multiple SLEEP mode options: 24 µA to 41 µA
    • Multiple DEEPSLEEP mode options: 9 µA to 10 µA
    • SHUTDOWN mode: 1 µA
  • High-voltage tolerance of 85 V on cell connect and select additional pins
  • Tolerant of random cell attach sequence on production line
  • Support for temperature sensing using internal sensor and up to nine external thermistors
  • Integrated one-time-programmable (OTP) memory programmable by customers on production line
  • Communication options include 400-kHz I2C, SPI, and HDQ one-wire interface
  • Dual-programmable LDOs for external system usage
  • 48-pin TQFP package (PFB)
  • Battery monitoring capability for 3-series to 14-series cells
  • Integrated charge pump for high-side NFET protection with optional autonomous recovery
  • Extensive protection suite including voltage, temperature, current, and internal diagnostics
  • Two independent ADCs
    • Support for simultaneous current and voltage sampling
    • High-accuracy coulomb counter with input offset error < 1 µV (typical)
    • High accuracy cell voltage measurement < 10 mV (typical)
  • Wide-range current applications (±200-mV measurement range across sense resistor)
  • Integrated secondary chemical fuse drive protection
  • Autonomous or host-controlled cell balancing
  • Multiple power modes (typical battery pack operating range conditions)
    • NORMAL mode: 286 µA
    • Multiple SLEEP mode options: 24 µA to 41 µA
    • Multiple DEEPSLEEP mode options: 9 µA to 10 µA
    • SHUTDOWN mode: 1 µA
  • High-voltage tolerance of 85 V on cell connect and select additional pins
  • Tolerant of random cell attach sequence on production line
  • Support for temperature sensing using internal sensor and up to nine external thermistors
  • Integrated one-time-programmable (OTP) memory programmable by customers on production line
  • Communication options include 400-kHz I2C, SPI, and HDQ one-wire interface
  • Dual-programmable LDOs for external system usage
  • 48-pin TQFP package (PFB)

Description

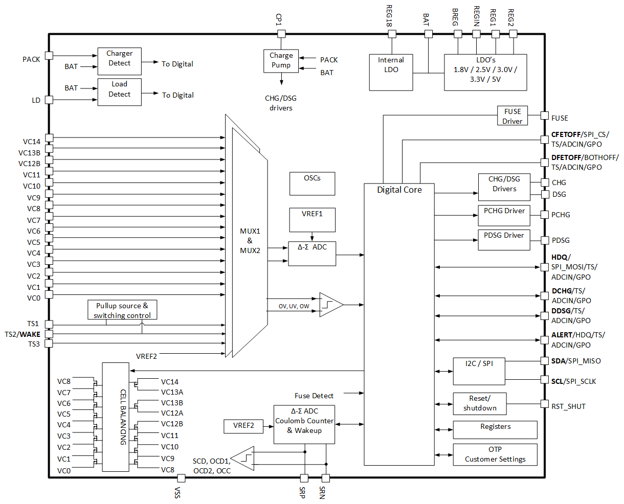
The Texas Instruments BQ769142 device is a highly integrated, high-accuracy battery monitor and protector for 3-series to 14-series Li-ion, Li-polymer, and LiFePO4 battery packs. The device includes a high-accuracy monitoring system, a highly configurable protection subsystem, and support for autonomous or host controlled cell balancing. Integration includes high-side charge-pump NFET drivers, dual programmable LDOs for external system use, and a host communication peripheral supporting 400-kHz I2C, SPI, and HDQ one-wire standards. The BQ769142 device is available in a 48-pin TQFP package.

The Texas Instruments BQ769142 device is a highly integrated, high-accuracy battery monitor and protector for 3-series to 14-series Li-ion, Li-polymer, and LiFePO4 battery packs. The device includes a high-accuracy monitoring system, a highly configurable protection subsystem, and support for autonomous or host controlled cell balancing. Integration includes high-side charge-pump NFET drivers, dual programmable LDOs for external system use, and a host communication peripheral supporting 400-kHz I2C, SPI, and HDQ one-wire standards. The BQ769142 device is available in a 48-pin TQFP package.

Subscribe to Welllinkchips !
Your Name
* Email
Submit a request