0
CDCLVP1204
  • CDCLVP1204
  • CDCLVP1204
  • CDCLVP1204
  • CDCLVP1204

CDCLVP1204

ACTIVE

Low-jitter, two-input, selectable 1:4 universal-to-LVPECL buffer

Texas Instruments CDCLVP1204 Product Info

1 April 2026 0

Parameters

Number of outputs

4

Additive RMS jitter (typ) (fs)

57

Core supply voltage (V)

2.5, 3.3

Output supply voltage (V)

2.5, 3.3

Output skew (ps)

15

Operating temperature range (°C)

-40 to 85

Rating

Catalog

Output type

LVPECL

Input type

LVCMOS, LVDS, LVPECL

Package

VQFN (RGT)-16-9 mm² 3 x 3

Features

  • 2:4 Differential Buffer
  • Selectable Clock Inputs Through Control Terminal
  • Universal Inputs Accept LVPECL, LVDS, and
    LVCMOS/LVTTL
  • Four LVPECL Outputs
  • Maximum Clock Frequency: 2 GHz
  • Maximum Core Current Consumption: 45 mA
  • Very Low Additive Jitter: <100 fs, RMS in 10-kHz
    to 20-MHz Offset Range:
    • 57 fs, RMS (typical) at 122.88 MHz
    • 48 fs, RMS (typical) at 156.25 MHz
    • 30 fs, RMS (typical) at 312.5 MHz
  • 2.375-V to 3.6-V Device Power Supply
  • Maximum Propagation Delay: 450 ps
  • Maximum Output Skew: 15 ps
  • LVPECL Reference Voltage, VAC_REF, Available
    for Capacitive-Coupled Inputs
  • Industrial Temperature Range: –40°C to +85°C
  • Supports 105°C PCB Temperature (Measured at
    Thermal Pad)
  • ESD Protection Exceeds 2 kV (HBM)
  • 2:4 Differential Buffer
  • Selectable Clock Inputs Through Control Terminal
  • Universal Inputs Accept LVPECL, LVDS, and
    LVCMOS/LVTTL
  • Four LVPECL Outputs
  • Maximum Clock Frequency: 2 GHz
  • Maximum Core Current Consumption: 45 mA
  • Very Low Additive Jitter: <100 fs, RMS in 10-kHz
    to 20-MHz Offset Range:
    • 57 fs, RMS (typical) at 122.88 MHz
    • 48 fs, RMS (typical) at 156.25 MHz
    • 30 fs, RMS (typical) at 312.5 MHz
  • 2.375-V to 3.6-V Device Power Supply
  • Maximum Propagation Delay: 450 ps
  • Maximum Output Skew: 15 ps
  • LVPECL Reference Voltage, VAC_REF, Available
    for Capacitive-Coupled Inputs
  • Industrial Temperature Range: –40°C to +85°C
  • Supports 105°C PCB Temperature (Measured at
    Thermal Pad)
  • ESD Protection Exceeds 2 kV (HBM)

Description

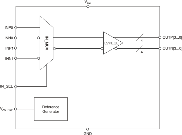
The CDCLVP1204 is a highly versatile, low additive jitter buffer that can generate four copies of LVPECL clock outputs from one of two selectable LVPECL, LVDS, or LVCMOS inputs for a variety of communication applications. It has a maximum clock frequency up to 2 GHz. The CDCLVP1204 features an on-chip multiplexer (MUX) for selecting one of two inputs that can be easily configured solely through a control terminal. The overall additive jitter performance is less than 0.1 ps, RMS from 10 kHz to 20 MHz, and overall output skew is as low as 15 ps, making the device a perfect choice for use in demanding applications.

The CDCLVP1204 clock buffer distributes one of two selectable clock inputs (IN0, IN1) to four pairs of differential LVPECL clock outputs (OUT0, OUT3) with minimum skew for clock distribution. The CDCLVP1204 can accept two clock sources into an input multiplexer. The inputs can be LVPECL, LVDS, or LVCMOS/LVTTL.

The CDCLVP1204 is specifically designed for driving 50-Ω transmission lines. When driving the inputs in single-ended mode, the LVPECL bias voltage (VAC_REF) must be applied to the unused negative input terminal. However, for high-speed performance up to 2 GHz, differential mode is strongly recommended.

The CDCLVP1204 is characterized for operation from –40°C to +85°C.

The CDCLVP1204 is a highly versatile, low additive jitter buffer that can generate four copies of LVPECL clock outputs from one of two selectable LVPECL, LVDS, or LVCMOS inputs for a variety of communication applications. It has a maximum clock frequency up to 2 GHz. The CDCLVP1204 features an on-chip multiplexer (MUX) for selecting one of two inputs that can be easily configured solely through a control terminal. The overall additive jitter performance is less than 0.1 ps, RMS from 10 kHz to 20 MHz, and overall output skew is as low as 15 ps, making the device a perfect choice for use in demanding applications.

The CDCLVP1204 clock buffer distributes one of two selectable clock inputs (IN0, IN1) to four pairs of differential LVPECL clock outputs (OUT0, OUT3) with minimum skew for clock distribution. The CDCLVP1204 can accept two clock sources into an input multiplexer. The inputs can be LVPECL, LVDS, or LVCMOS/LVTTL.

The CDCLVP1204 is specifically designed for driving 50-Ω transmission lines. When driving the inputs in single-ended mode, the LVPECL bias voltage (VAC_REF) must be applied to the unused negative input terminal. However, for high-speed performance up to 2 GHz, differential mode is strongly recommended.

The CDCLVP1204 is characterized for operation from –40°C to +85°C.

Subscribe to Welllinkchips !
Your Name
* Email
Submit a request