0
CDCLVP110
  • CDCLVP110
  • CDCLVP110

CDCLVP110

ACTIVE

1:10 LVPECL/HSTL to LVPECL clock driver

Texas Instruments CDCLVP110 Product Info

1 April 2026 0

Parameters

Number of outputs

10

Additive RMS jitter (typ) (fs)

300

Core supply voltage (V)

2.5, 3.3

Output supply voltage (V)

2.5, 3.3

Output skew (ps)

30

Operating temperature range (°C)

-40 to 85

Rating

Catalog

Output type

LVPECL

Input type

HSTL, LVPECL

Package

LQFP (VF)-32-81 mm² 9 x 9

Features

  • Distributes One Differential Clock Input Pair
    LVPECL/HSTL to 10 Differential LVPECL Clock Outputs
  • Fully Compatible With LVECL/LVPECL/HSTL
  • Single Supply Voltage Required, ±3.3-V or ±2.5-V Supply
  • Selectable Clock Input Through CLK_SEL
  • Low-Output Skew (Typ 15 ps) for Clock-Distribution Applications
  • VBB Reference Voltage Output for Single-Ended Clocking
  • Available in a 32-Pin LQFP Package
  • Frequency Range From DC to 3.5 GHz
  • Pin-to-Pin Compatible With MC100 Series EP111, ES6111, LVEP111, PTN1111

  • Distributes One Differential Clock Input Pair
    LVPECL/HSTL to 10 Differential LVPECL Clock Outputs
  • Fully Compatible With LVECL/LVPECL/HSTL
  • Single Supply Voltage Required, ±3.3-V or ±2.5-V Supply
  • Selectable Clock Input Through CLK_SEL
  • Low-Output Skew (Typ 15 ps) for Clock-Distribution Applications
  • VBB Reference Voltage Output for Single-Ended Clocking
  • Available in a 32-Pin LQFP Package
  • Frequency Range From DC to 3.5 GHz
  • Pin-to-Pin Compatible With MC100 Series EP111, ES6111, LVEP111, PTN1111

Description

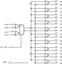
The CDCLVP110 clock driver distributes one differential clock pair of either LVPECL or HSTL (selectable) input, (CLK0, CLK1) to ten pairs of differential LVPECL clock (Q0, Q9) outputs with minimum skew for clock distribution. The CDCLVP110 can accept two clock sources into an input multiplexer. The CLK0 input accepts either LVECL/LVPECL input signals, while CLK1 accepts an HSTL input signal when operated under LVPECL conditions. The CDCLVP110 is specifically designed for driving 50-Ω transmission lines.

The VBB reference voltage output is used if single-ended input operation is required. In this case the VBB pin should be connected to CLK0 and bypassed to GND via a 10-nF capacitor.

However, for high-speed performance up to 3.5 GHz, the differential mode is strongly recommended.

The CDCLVP110 is characterized for operation from –40°C to 85°C.

The CDCLVP110 clock driver distributes one differential clock pair of either LVPECL or HSTL (selectable) input, (CLK0, CLK1) to ten pairs of differential LVPECL clock (Q0, Q9) outputs with minimum skew for clock distribution. The CDCLVP110 can accept two clock sources into an input multiplexer. The CLK0 input accepts either LVECL/LVPECL input signals, while CLK1 accepts an HSTL input signal when operated under LVPECL conditions. The CDCLVP110 is specifically designed for driving 50-Ω transmission lines.

The VBB reference voltage output is used if single-ended input operation is required. In this case the VBB pin should be connected to CLK0 and bypassed to GND via a 10-nF capacitor.

However, for high-speed performance up to 3.5 GHz, the differential mode is strongly recommended.

The CDCLVP110 is characterized for operation from –40°C to 85°C.