0
CD74HCT165
  • CD74HCT165
  • CD74HCT165
  • CD74HCT165
  • CD74HCT165

CD74HCT165

ACTIVE

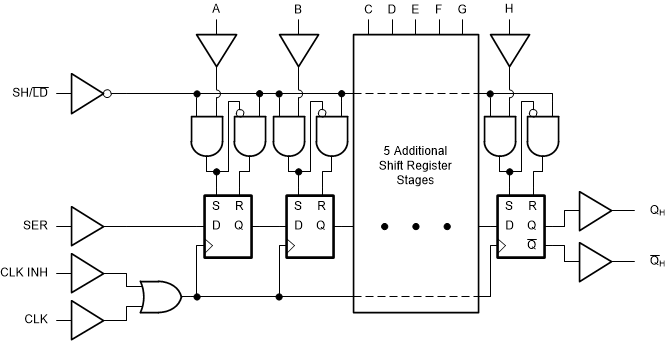
High Speed CMOS Logic 8-Bit Parallel-In/Serial-Out Shift Register

Texas Instruments CD74HCT165 Product Info

1 April 2026 4

Parameters

Configuration

Parallel-in, Serial-out

Bits (#)

8

Technology family

HCT

Supply voltage (min) (V)

4.5

Supply voltage (max) (V)

5.5

Input type

TTL-Compatible CMOS

Output type

Push-Pull

Clock frequency (MHz)

24

IOL (max) (mA)

4

IOH (max) (mA)

-4

Supply current (max) (µA)

160

Features

Balanced outputs, High speed (tpd 10-50ns), Positive input clamp diode

Operating temperature range (°C)

-55 to 125

Rating

Catalog

Package

PDIP (N)-16-181.42 mm² 19.3 x 9.4

Features

CD74HCT165

Description

CD74HCT165:High Speed CMOS Logic 8-Bit Parallel-In/Serial-Out Shift Register.Package:PDIP (N)-16-181.42 mm² 19.3 x 9.4

Subscribe to Welllinkchips !
Your Name
* Email
Submit a request