0
CD74HC390
  • CD74HC390
  • CD74HC390
  • CD74HC390
  • CD74HC390
  • CD74HC390

CD74HC390

ACTIVE

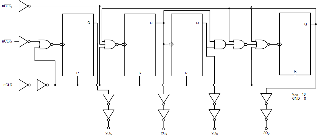
High Speed CMOS Logic Dual Decade Ripple Counters

Texas Instruments CD74HC390 Product Info

1 April 2026 2

Parameters

Function

Counter

Bits (#)

4

Technology family

HC

Supply voltage (min) (V)

2

Supply voltage (max) (V)

6

Input type

Standard CMOS

Output type

Push-Pull

Features

Balanced outputs, High speed (tpd 10-50ns), Positive input clamp diode

Operating temperature range (°C)

-55 to 125

Rating

Catalog

Package

PDIP (N)-16-181.42 mm² 19.3 x 9.4

Features

CD74HC390

Description

CD74HC390:High Speed CMOS Logic Dual Decade Ripple Counters.Package:PDIP (N)-16-181.42 mm² 19.3 x 9.4

Subscribe to Welllinkchips !
Your Name
* Email
Submit a request