0
BQ77915
  • BQ77915
  • BQ77915

BQ77915

ACTIVE

3-series to 5-series stackable ultra-low-power primary protector with autonomous cell balancing

Texas Instruments BQ77915 Product Info

1 April 2026 0

Parameters

Rating

Catalog

Number of series cells (max)

4, 5

Number of series cells (min)

3, 4, 5

Features

Cell balancing, FET drive, Open wire (OW), Over-temperature (OT), Overcurrent during charge (OCC), Overcurrent during discharge (OCD), Overvoltage, Short-circuit Discharge (SCD), Stackable, Under-temperature (UT), Undervoltage

Function

Protection

Operating current (typ) (µA)

8

Vin (max) (V)

25

TI functional safety category

Functional Safety-Capable

Overvoltage protection

3.8, 4.2, 4.25, 4.275, 4.3

Operating temperature range (°C)

-40 to 85

Battery overvoltage protection (min) (V)

3

Battery overvoltage protection (max) (V)

4.575

Package

TSSOP (PW)-24-49.92 mm² 7.8 x 6.4

Features

  • Ultra-low quiescent current: 8 µA typ. (NORMAL mode), 2 µA (HIBERNATE mode)
  • Full suite of voltage, current, and temperature protections
  • Smart passive cell balancing removes cell-to-cell imbalance
  • Scalable cell count from 3 series to 20 series or more
  • Voltage protection (accuracy ±10 mV for OV, ±18 mV for UV)
    • Overvoltage: 3 V to 4.575 V
    • Undervoltage: 1.2 V to 3 V
  • Open cell and open-wire detection (OW)
  • Current protection
    • Overcurrent discharge 1: –10 mV to –85 mV
    • Overcurrent discharge 2: –20 mV to –170 mV
    • Short-circuit discharge: –40 mV to –340 mV
  • Temperature protection
    • Overtemperature charge: 45°C or 50°C
    • Overtemperature discharge: 65°C or 70°C
  • Additional features:
    • Independent charge (CHG) and discharge (DSG) FET drivers
    • Smart cell balancing algorithm with integrated FETs (up to 50-mA balancing current), also supports external FETs for higher cell-balancing current
    • Ultra-low power HIBERNATE mode
    • High 36-V absolute maximum rating per cell input
    • Resistor programmable overcurrent (OCD1/2) delay
  • SHUTDOWN mode: 0.5-µA maximum
  • Functional Safety-Capable
  • Ultra-low quiescent current: 8 µA typ. (NORMAL mode), 2 µA (HIBERNATE mode)
  • Full suite of voltage, current, and temperature protections
  • Smart passive cell balancing removes cell-to-cell imbalance
  • Scalable cell count from 3 series to 20 series or more
  • Voltage protection (accuracy ±10 mV for OV, ±18 mV for UV)
    • Overvoltage: 3 V to 4.575 V
    • Undervoltage: 1.2 V to 3 V
  • Open cell and open-wire detection (OW)
  • Current protection
    • Overcurrent discharge 1: –10 mV to –85 mV
    • Overcurrent discharge 2: –20 mV to –170 mV
    • Short-circuit discharge: –40 mV to –340 mV
  • Temperature protection
    • Overtemperature charge: 45°C or 50°C
    • Overtemperature discharge: 65°C or 70°C
  • Additional features:
    • Independent charge (CHG) and discharge (DSG) FET drivers
    • Smart cell balancing algorithm with integrated FETs (up to 50-mA balancing current), also supports external FETs for higher cell-balancing current
    • Ultra-low power HIBERNATE mode
    • High 36-V absolute maximum rating per cell input
    • Resistor programmable overcurrent (OCD1/2) delay
  • SHUTDOWN mode: 0.5-µA maximum
  • Functional Safety-Capable

Description

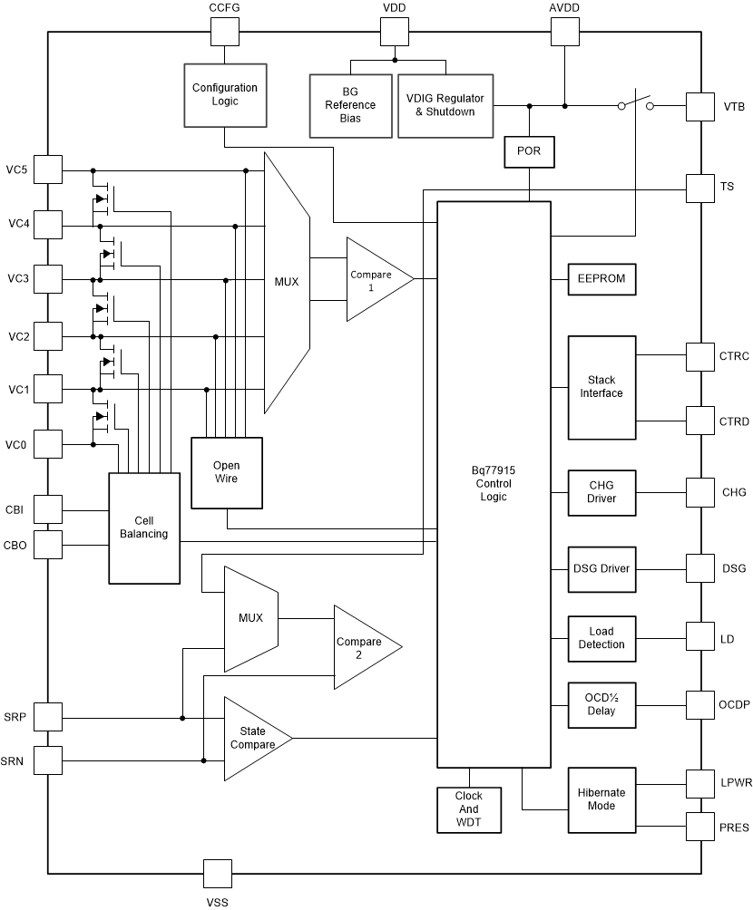
The BQ77915 device is a low-power battery pack protector that implements a suite of voltage, current, and temperature protections and a smart cell balancing algorithm without microcontroller (MCU) control. The device’s stackable interface provides simple scaling to support battery cell applications from 3 series to 20 series or more. Protection thresholds and delays are factory-programmed and available in a variety of configurations. Separate overtemperature and undertemperature thresholds for discharge (OTD and UTD) and charge (OTC and UTC) provide additional flexibility.

The BQ77915 device is a low-power battery pack protector that implements a suite of voltage, current, and temperature protections and a smart cell balancing algorithm without microcontroller (MCU) control. The device’s stackable interface provides simple scaling to support battery cell applications from 3 series to 20 series or more. Protection thresholds and delays are factory-programmed and available in a variety of configurations. Separate overtemperature and undertemperature thresholds for discharge (OTD and UTD) and charge (OTC and UTC) provide additional flexibility.

Subscribe to Welllinkchips !
Your Name
* Email
Submit a request