0
BQ25616
  • BQ25616
  • BQ25616
  • BQ25616

BQ25616

ACTIVE

Standalone 1-cell 3.0-A buck battery charger with power path and 1.2-A boost operation

Texas Instruments BQ25616 Product Info

1 April 2026 0

Parameters

Rating

Catalog

Number of series cells

1

Cell chemistry

Li-Ion/Li-Polymer

Charge current (max) (A)

3

Features

BAT temp thermistor monitoring (hot/cold profile), IC thermal regulation, IINDPM (Input current limit), Input OVP, Power Path, USB OTG integrated, VINDPM (Input voltage threshold to maximize adaptor power)

Vin (min) (V)

3.9

Vin (max) (V)

13.5

Absolute max Vin (max) (V)

22

Control topology

Switch-Mode Buck

Battery charge voltage (min) (V)

4.1

Battery charge voltage (max) (V)

4.35

Control interface

Standalone (RC-Settable)

Operating temperature range (°C)

-40 to 85

Package

WQFN (RTW)-24-16 mm² 4 x 4

Features

  • High-efficiency, 1.5-MHz, synchronous switch-mode buck charger
    • 92% charge efficiency at 2 A from 5-V input
    • ±0.5% charge voltage regulation
    • Adjustable charge voltage from VSET pin supports 4.1 V, 4.2 V, and 4.35 V with ±0.4% regulation accuracy
    • ±6% charge current regulation
    • ±7.5% input current regulation
    • Supports JEITA (BQ25616J) or Hot/Cold (BQ25616) temperature sensing profile
    • 10-hr charging safety timer
  • Support USB On-The-Go (OTG)
    • 5-V boost converter with up to 1.2-A output
    • 92% boost efficiency at 1-A output
    • Accurate constant current (CC) limit
    • Soft-start up to 500-µF capacitive load
    • PFM mode for light load operation
  • Single input supporting USB input, high-voltage adapter, or wireless power
    • Support 4-V to 13.5-V input voltage range with 22-V absolute max input rating
    • 130-ns fast turn-off input overvoltage protection with optional external OVPFET standing input voltage up to 30 V
    • Programmable input current limit (IINDPM) with ILIM pin
    • VINDPM threshold automatically tracks battery voltage for maximum power
    • Auto detect USB SDP, CDP, DCP and nonstandard adaptors
  • Narrow VDC (NVDC) power path management
    • System instant-on with no battery or deeply discharged battery
  • Low RDSON 19.5-mΩ BATFET to minimize charging loss and extend battery run time
  • 9.5-µA low battery leakage current with system standby
  • High integration includes all MOSFETs, current sensing and loop compensation
  • Safety Related Certifications:
    • IEC 62368-1 CB Certification
  • High-efficiency, 1.5-MHz, synchronous switch-mode buck charger
    • 92% charge efficiency at 2 A from 5-V input
    • ±0.5% charge voltage regulation
    • Adjustable charge voltage from VSET pin supports 4.1 V, 4.2 V, and 4.35 V with ±0.4% regulation accuracy
    • ±6% charge current regulation
    • ±7.5% input current regulation
    • Supports JEITA (BQ25616J) or Hot/Cold (BQ25616) temperature sensing profile
    • 10-hr charging safety timer
  • Support USB On-The-Go (OTG)
    • 5-V boost converter with up to 1.2-A output
    • 92% boost efficiency at 1-A output
    • Accurate constant current (CC) limit
    • Soft-start up to 500-µF capacitive load
    • PFM mode for light load operation
  • Single input supporting USB input, high-voltage adapter, or wireless power
    • Support 4-V to 13.5-V input voltage range with 22-V absolute max input rating
    • 130-ns fast turn-off input overvoltage protection with optional external OVPFET standing input voltage up to 30 V
    • Programmable input current limit (IINDPM) with ILIM pin
    • VINDPM threshold automatically tracks battery voltage for maximum power
    • Auto detect USB SDP, CDP, DCP and nonstandard adaptors
  • Narrow VDC (NVDC) power path management
    • System instant-on with no battery or deeply discharged battery
  • Low RDSON 19.5-mΩ BATFET to minimize charging loss and extend battery run time
  • 9.5-µA low battery leakage current with system standby
  • High integration includes all MOSFETs, current sensing and loop compensation
  • Safety Related Certifications:
    • IEC 62368-1 CB Certification

Description

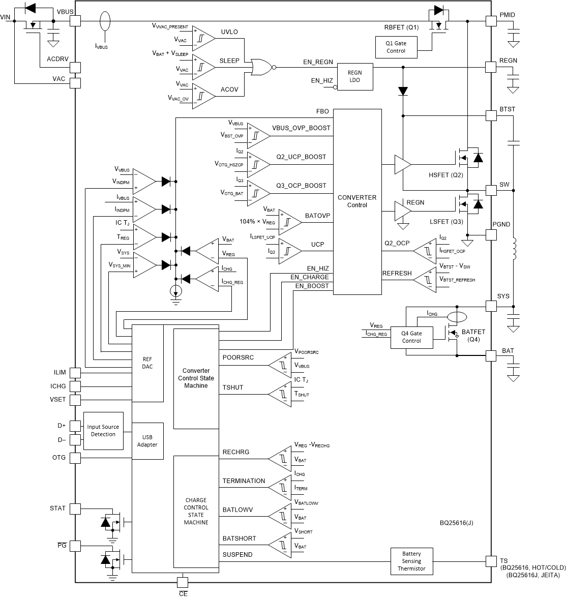
The BQ25616/616J is a highly integrated 3-A switch-mode battery charge management and system power path management device for single cell Li-Ion and Li-polymer batteries. The solution is highly integrated with input reverse-blocking FET (RBFET, Q1), high-side switching FET (HSFET, Q2), low-side switching FET (LSFET, Q3), and battery FET (BATFET, Q4) between system and battery. The low impedance power path optimizes switch-mode operation efficiency, reduces battery charging time and extends battery run time during discharging phase.

The BQ25616/616J is a highly integrated 3-A switch-mode battery charge management and system Power Path management device for Li-ion and Li-polymer batteries. It features fast charging with high input voltage support for a wide range of applications including speakers, industrial, and medical portable devices. Its low impedance power path optimizes switch-mode operation efficiency, reduces battery charging time, and extends battery run time during discharging phase. Its input voltage and current regulation deliver maximum charging power to the battery.

The solution is highly integrated with input reverse-blocking FET (RBFET, Q1), high-side switching FET (HSFET, Q2), low-side switching FET (LSFET, Q3), and battery FET (BATFET, Q4) between system and battery. It also integrates the bootstrap diode for the high-side gate drive for simplified system design. The hardware setting and status report provides easy configuration to set up the charging solution.

The device supports a wide range of input sources, including standard USB host port, USB charging port, USB compliant high voltage adapter and wireless power. It is compliant with USB 2.0 and USB 3.0 power spec with input current and voltage regulation. The device sets default input current limit based on the built-in USB detection through D+/D- pins . When the device built-in USB interface identifies the input adaptor is unknown, the device’s input current limit is determined by the ILIM pin setting resistor value.

The device integrates the buck charger and boost regulator into one solution with single inductor. It meets USB On-The-Go (OTG) operation power rating specification by supplying 5V with constant current limit up to 1.2-A.

The Power Path management regulates the system slightly above battery voltage but does not drop below 3.5-V minimum system voltage with adapter applied. With this feature, the system maintains operation even when the battery is completely depleted or removed. When the input current limit or voltage limit is reached, the Power Path management automatically reduces the charge current. As the system load continues to increase, the battery starts to discharge the battery until the system power requirement is met. This supplement mode prevents overloading the input source.

The device initiates and completes a charging cycle without software control. It senses the battery voltage and charges the battery in three phases: pre-conditioning, constant current and constant voltage. At the end of the charging cycle, the charger automatically terminates when the charge current is below a preset limit and the battery voltage is higher than the recharge threshold. If the fully charged battery falls below the recharge threshold, the charger automatically starts another charging cycle.

The charger provides various safety features for battery charging and system operations, including battery negative temperature coefficient thermistor monitoring, charging safety timer and overvoltage and over-current protections. Thermal regulation reduces charge current when the junction temperature exceeds 110°C. The STAT output reports the charging status and any fault conditions.

The BQ25616/616J is a highly integrated 3-A switch-mode battery charge management and system power path management device for single cell Li-Ion and Li-polymer batteries. The solution is highly integrated with input reverse-blocking FET (RBFET, Q1), high-side switching FET (HSFET, Q2), low-side switching FET (LSFET, Q3), and battery FET (BATFET, Q4) between system and battery. The low impedance power path optimizes switch-mode operation efficiency, reduces battery charging time and extends battery run time during discharging phase.

The BQ25616/616J is a highly integrated 3-A switch-mode battery charge management and system Power Path management device for Li-ion and Li-polymer batteries. It features fast charging with high input voltage support for a wide range of applications including speakers, industrial, and medical portable devices. Its low impedance power path optimizes switch-mode operation efficiency, reduces battery charging time, and extends battery run time during discharging phase. Its input voltage and current regulation deliver maximum charging power to the battery.

The solution is highly integrated with input reverse-blocking FET (RBFET, Q1), high-side switching FET (HSFET, Q2), low-side switching FET (LSFET, Q3), and battery FET (BATFET, Q4) between system and battery. It also integrates the bootstrap diode for the high-side gate drive for simplified system design. The hardware setting and status report provides easy configuration to set up the charging solution.

The device supports a wide range of input sources, including standard USB host port, USB charging port, USB compliant high voltage adapter and wireless power. It is compliant with USB 2.0 and USB 3.0 power spec with input current and voltage regulation. The device sets default input current limit based on the built-in USB detection through D+/D- pins . When the device built-in USB interface identifies the input adaptor is unknown, the device’s input current limit is determined by the ILIM pin setting resistor value.

The device integrates the buck charger and boost regulator into one solution with single inductor. It meets USB On-The-Go (OTG) operation power rating specification by supplying 5V with constant current limit up to 1.2-A.

The Power Path management regulates the system slightly above battery voltage but does not drop below 3.5-V minimum system voltage with adapter applied. With this feature, the system maintains operation even when the battery is completely depleted or removed. When the input current limit or voltage limit is reached, the Power Path management automatically reduces the charge current. As the system load continues to increase, the battery starts to discharge the battery until the system power requirement is met. This supplement mode prevents overloading the input source.

The device initiates and completes a charging cycle without software control. It senses the battery voltage and charges the battery in three phases: pre-conditioning, constant current and constant voltage. At the end of the charging cycle, the charger automatically terminates when the charge current is below a preset limit and the battery voltage is higher than the recharge threshold. If the fully charged battery falls below the recharge threshold, the charger automatically starts another charging cycle.

The charger provides various safety features for battery charging and system operations, including battery negative temperature coefficient thermistor monitoring, charging safety timer and overvoltage and over-current protections. Thermal regulation reduces charge current when the junction temperature exceeds 110°C. The STAT output reports the charging status and any fault conditions.

Subscribe to Welllinkchips !
Your Name
* Email
Submit a request