0
BQ25601D
  • BQ25601D
  • BQ25601D
  • BQ25601D

BQ25601D

ACTIVE

I2C 1cell 3A Buck battery charger with power path, USB detection and OTG Linux mainline status

Texas Instruments BQ25601D Product Info

1 April 2026 2

Parameters

Rating

Catalog

Number of series cells

1

Cell chemistry

Li-Ion/Li-Polymer

Charge current (max) (A)

3

Features

BAT temp thermistor monitoring (JEITA profile), IC thermal regulation, Input OVP, Power Path, USB D+/D-/BC1.2 integrated, USB OTG integrated, VINDPM (Input voltage threshold to maximize adaptor power)

Vin (min) (V)

3.9

Vin (max) (V)

13.5

Absolute max Vin (max) (V)

20

Control topology

Switch-Mode Buck

Battery charge voltage (min) (V)

3.85

Battery charge voltage (max) (V)

4.62

Control interface

I2C

Operating temperature range (°C)

-40 to 85

Package

WQFN (RTW)-24-16 mm² 4 x 4

Features

  • High-efficiency, 1.5-MHz, synchronous switch-mode buck charger
    • 92% Charge efficiency at 2 A from 5-V input
    • Optimized for USB voltage input (5 V)
    • Selectable low power Pulse Frequency Modulation (PFM) Mode for light load operations
  • Supports USB On-The-Go (OTG)
    • Boost converter with up to 1.2-A output
    • 92% Boost efficiency at 1-A output
    • Accurate Constant Current (CC) limit
    • Soft-start up to 500-µF capacitive load
    • Output short circuit protection
    • Selectable low power PFM Mode for light load operations
  • Single input to support USB input and high voltage adapters
    • Support 3.9-V to 13.5-V input voltage range with 22-V absolute maximum input voltage rating
    • Programmable input current limit (100 mA to 3.2 a with 100-mA Resolution) to support USB 2.0, USB 3.0 standards and high voltage adaptors (IINDPM)
    • Maximum power tracking by input voltage limit up to 5.4 V (VINDPM)
    • VINDPM Threshold automatically tracks battery voltage
    • Auto detect USB BC1.2, SDP, CDP, DCP and non-standard adaptors
  • High battery discharge efficiency with 19.5-mΩ battery discharge MOSFET
  • Narrow VDC (NVDC) power path management
    • Instant-on works with no battery or deeply discharged battery
    • Ideal diode operation in Battery Supplement Mode
  • BATFET Control to support ship mode, wake up and full system reset
  • Flexible autonomous and I2C Mode for optimal system performance
  • High integration includes all MOSFETs, current sensing and loop compensation
  • 17-µA Low battery leakage current
  • High accuracy
    • ±0.5% Charge voltage regulation
    • ±5% at 1.5-A Charge current regulation
    • ±10% at 0.9-A Input current regulation
  • Safety-Related Certifications:
    • TUV IEC 62368 Certification
  • High-efficiency, 1.5-MHz, synchronous switch-mode buck charger
    • 92% Charge efficiency at 2 A from 5-V input
    • Optimized for USB voltage input (5 V)
    • Selectable low power Pulse Frequency Modulation (PFM) Mode for light load operations
  • Supports USB On-The-Go (OTG)
    • Boost converter with up to 1.2-A output
    • 92% Boost efficiency at 1-A output
    • Accurate Constant Current (CC) limit
    • Soft-start up to 500-µF capacitive load
    • Output short circuit protection
    • Selectable low power PFM Mode for light load operations
  • Single input to support USB input and high voltage adapters
    • Support 3.9-V to 13.5-V input voltage range with 22-V absolute maximum input voltage rating
    • Programmable input current limit (100 mA to 3.2 a with 100-mA Resolution) to support USB 2.0, USB 3.0 standards and high voltage adaptors (IINDPM)
    • Maximum power tracking by input voltage limit up to 5.4 V (VINDPM)
    • VINDPM Threshold automatically tracks battery voltage
    • Auto detect USB BC1.2, SDP, CDP, DCP and non-standard adaptors
  • High battery discharge efficiency with 19.5-mΩ battery discharge MOSFET
  • Narrow VDC (NVDC) power path management
    • Instant-on works with no battery or deeply discharged battery
    • Ideal diode operation in Battery Supplement Mode
  • BATFET Control to support ship mode, wake up and full system reset
  • Flexible autonomous and I2C Mode for optimal system performance
  • High integration includes all MOSFETs, current sensing and loop compensation
  • 17-µA Low battery leakage current
  • High accuracy
    • ±0.5% Charge voltage regulation
    • ±5% at 1.5-A Charge current regulation
    • ±10% at 0.9-A Input current regulation
  • Safety-Related Certifications:
    • TUV IEC 62368 Certification

Description

The BQ25601D device is a highly-integrated 3-A switch-mode battery charge management and system power path management device for single cell Li-Ion and Li-polymer battery. The low impedance power path optimizes switch-mode operation efficiency, reduces battery charging time and extends battery life during discharging phase. The I2C serial interface with charging and system settings makes the device a truly flexible solution.

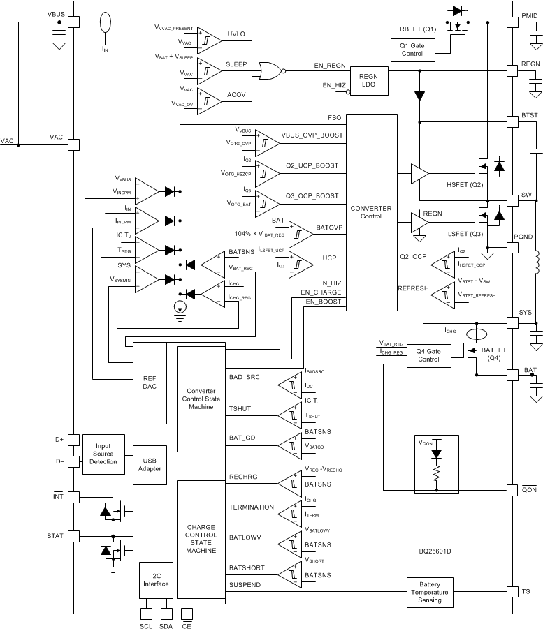
The BQ25601D is a highly-integrated 3.0-A switch-mode battery charge management and system power path management device for single cell Li-Ion and Li-polymer battery. It features fast charging with high input voltage support for a wide range of smart phones, tablets and portable devices. Its low impedance power path optimizes switch-mode operation efficiency, reduces battery charging time and extends battery life during discharging phase. Its input voltage and current regulation deliver maximum charging power to battery. The solution is highly integrated with input reverse-blocking FET (RBFET, Q1), high-side switching FET (HSFET, Q2), low-side switching FET (LSFET, Q3), and battery FET (BATFET, Q4) between system and battery. It also integrates the bootstrap diode for the high-side gate drive for simplified system design. The I2C serial interface with charging and system settings makes the device a truly flexible solution.

The device supports a wide range of input sources, including standard USB host port, USB charging port, and USB compliant high voltage adapter. The device sets default input current limit based on the built-in USB interface. To set the default input current limit, the device uses the built-in USB interface, or takes the result from detection circuit in the system, such as USB PHY device. The device is compliant with USB 2.0 and USB 3.0 power spec with input current and voltage regulation. The device also meets USB On-the-Go (OTG) operation power rating specification by supplying 5.15 V on VBUS with constant current limit up to 1.2A.

The power path management regulates the system slightly above battery voltage but does not drop below 3.5 V minimum system voltage (programmable). With this feature, the system maintains operation even when the battery is completely depleted or removed. When the input current limit or voltage limit is reached, the power path management automatically reduces the charge current to zero. As the system load continues to increase, the power path discharges the battery until the system power requirement is met. This Supplement Mode prevents overloading the input source.

The device initiates and completes a charging cycle without software control. It senses the battery voltage and charges the battery in three phases: pre-conditioning, constant current and constant voltage. At the end of the charging cycle, the charger automatically terminates when the charge current is below a preset limit and the battery voltage is higher than recharge threshold. If the fully charged battery falls below the recharge threshold, the charger automatically starts another charging cycle.

The charger provides various safety features for battery charging and system operations, including battery negative temperature coefficient thermistor monitoring, charging safety timer and overvoltage and overcurrent protections. The thermal regulation reduces charge current when the junction temperature exceeds 110°C (programmable). The STAT output reports the charging status and any fault conditions. Other safety features include battery temperature sensing for charge and boost mode, thermal regulation and thermal shutdown and input UVLO and overvoltage protection. The VBUS_GD bit indicates if a good power source is present. The INT output Immediately notifies host when fault occurs.

The device also provides QON pin for BATFET enable and reset control to exit low power ship mode or full system reset function.

The device is available in 24-pin, 4 mm × 4 mm x 0.75 mm thin WQFN package.

The BQ25601D device is a highly-integrated 3-A switch-mode battery charge management and system power path management device for single cell Li-Ion and Li-polymer battery. The low impedance power path optimizes switch-mode operation efficiency, reduces battery charging time and extends battery life during discharging phase. The I2C serial interface with charging and system settings makes the device a truly flexible solution.

The BQ25601D is a highly-integrated 3.0-A switch-mode battery charge management and system power path management device for single cell Li-Ion and Li-polymer battery. It features fast charging with high input voltage support for a wide range of smart phones, tablets and portable devices. Its low impedance power path optimizes switch-mode operation efficiency, reduces battery charging time and extends battery life during discharging phase. Its input voltage and current regulation deliver maximum charging power to battery. The solution is highly integrated with input reverse-blocking FET (RBFET, Q1), high-side switching FET (HSFET, Q2), low-side switching FET (LSFET, Q3), and battery FET (BATFET, Q4) between system and battery. It also integrates the bootstrap diode for the high-side gate drive for simplified system design. The I2C serial interface with charging and system settings makes the device a truly flexible solution.

The device supports a wide range of input sources, including standard USB host port, USB charging port, and USB compliant high voltage adapter. The device sets default input current limit based on the built-in USB interface. To set the default input current limit, the device uses the built-in USB interface, or takes the result from detection circuit in the system, such as USB PHY device. The device is compliant with USB 2.0 and USB 3.0 power spec with input current and voltage regulation. The device also meets USB On-the-Go (OTG) operation power rating specification by supplying 5.15 V on VBUS with constant current limit up to 1.2A.

The power path management regulates the system slightly above battery voltage but does not drop below 3.5 V minimum system voltage (programmable). With this feature, the system maintains operation even when the battery is completely depleted or removed. When the input current limit or voltage limit is reached, the power path management automatically reduces the charge current to zero. As the system load continues to increase, the power path discharges the battery until the system power requirement is met. This Supplement Mode prevents overloading the input source.

The device initiates and completes a charging cycle without software control. It senses the battery voltage and charges the battery in three phases: pre-conditioning, constant current and constant voltage. At the end of the charging cycle, the charger automatically terminates when the charge current is below a preset limit and the battery voltage is higher than recharge threshold. If the fully charged battery falls below the recharge threshold, the charger automatically starts another charging cycle.

The charger provides various safety features for battery charging and system operations, including battery negative temperature coefficient thermistor monitoring, charging safety timer and overvoltage and overcurrent protections. The thermal regulation reduces charge current when the junction temperature exceeds 110°C (programmable). The STAT output reports the charging status and any fault conditions. Other safety features include battery temperature sensing for charge and boost mode, thermal regulation and thermal shutdown and input UVLO and overvoltage protection. The VBUS_GD bit indicates if a good power source is present. The INT output Immediately notifies host when fault occurs.

The device also provides QON pin for BATFET enable and reset control to exit low power ship mode or full system reset function.

The device is available in 24-pin, 4 mm × 4 mm x 0.75 mm thin WQFN package.

Subscribe to Welllinkchips !
Your Name
* Email
Submit a request