0
BQ25120F3A
  • BQ25120F3A
  • BQ25120F3A
  • BQ25120F3A

BQ25120F3A

ACTIVE

700-nA low IQ highly integrated battery charge management solution

Texas Instruments BQ25120F3A Product Info

1 April 2026 0

Parameters

Rating

Catalog

Number of series cells

1

Cell chemistry

Li-Ion/Li-Polymer, Lithium Phosphate/LiFePO4

Charge current (max) (A)

0.3

Features

BAT temp thermistor monitoring (JEITA profile), IC thermal regulation, Input OVP, Integrated LDO, Integrated buck converter, Power Path, VINDPM (Input voltage threshold to maximize adaptor power)

Vin (min) (V)

3.4

Vin (max) (V)

5.5

Absolute max Vin (max) (V)

20

Control topology

Linear

Battery charge voltage (min) (V)

3.6

Battery charge voltage (max) (V)

4.65

Control interface

I2C

Operating temperature range (°C)

-40 to 85

Package

DSBGA (YFP)-25-6.75999999999999792000000000000016 mm² 2.5999999999999996 x 2.5999999999999996

Features

  • Increases system operation time between charges
    • Configurable 300-mA buck regulator (1.8-V default)
    • 700-nA (typical) Iq with buck converter enabled (no load)
    • Configurable load switch or 100-mA LDO output ( LDO by default. VLDO 1.8-V)
    • Up to 300-mA charge current for fast charging. I2C programmable up to 200 mA, external resistor setting for 200 mA to 300 mA.
    • 0.5% Accurate battery voltage regulation (configurable from 3.6 V to 4.65 V in 10-mV steps) 4.35-V default
    • Configurable termination current down to 500 µA
    • Simple voltage based battery monitor
    • Watchdog timer disabled
    • TS WARM fault disabled (no reduction in battery regulation voltage)
  • Highly integrated solution with small footprint
    • 2.5-mm x 2.5-mm WCSP Package and six external components for minimal solution
    • Push-button wake-up and reset with adjustable timers
    • Power path management for powering the system and charging the battery
    • Power path management enables < 50 nA Ship Mode battery quiescent current for longest shelf life
    • Battery charger operates from 3.4 V – 5.5 VIN (5.5-V OVP / 20-V tolerant)
    • Dedicated pins for input current limit, charge current, termination current, and status output
  • I2C communication control
    • Charge voltage and current
    • Termination threshold
    • Input current limit
    • VINDPM Threshold
    • Timer options
    • Load switch control
    • System output voltage adjustment
    • LDO output voltage adjustment
  • Increases system operation time between charges
    • Configurable 300-mA buck regulator (1.8-V default)
    • 700-nA (typical) Iq with buck converter enabled (no load)
    • Configurable load switch or 100-mA LDO output ( LDO by default. VLDO 1.8-V)
    • Up to 300-mA charge current for fast charging. I2C programmable up to 200 mA, external resistor setting for 200 mA to 300 mA.
    • 0.5% Accurate battery voltage regulation (configurable from 3.6 V to 4.65 V in 10-mV steps) 4.35-V default
    • Configurable termination current down to 500 µA
    • Simple voltage based battery monitor
    • Watchdog timer disabled
    • TS WARM fault disabled (no reduction in battery regulation voltage)
  • Highly integrated solution with small footprint
    • 2.5-mm x 2.5-mm WCSP Package and six external components for minimal solution
    • Push-button wake-up and reset with adjustable timers
    • Power path management for powering the system and charging the battery
    • Power path management enables < 50 nA Ship Mode battery quiescent current for longest shelf life
    • Battery charger operates from 3.4 V – 5.5 VIN (5.5-V OVP / 20-V tolerant)
    • Dedicated pins for input current limit, charge current, termination current, and status output
  • I2C communication control
    • Charge voltage and current
    • Termination threshold
    • Input current limit
    • VINDPM Threshold
    • Timer options
    • Load switch control
    • System output voltage adjustment
    • LDO output voltage adjustment

Description

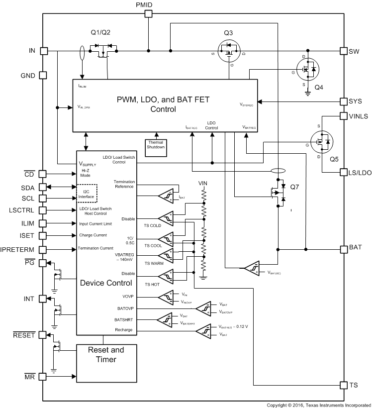
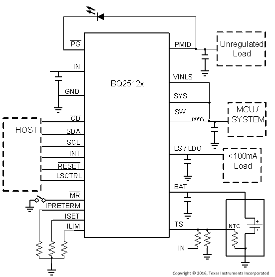
The BQ25120F3A is a highly integrated battery charge management IC that integrates the most common functions for wearable devices: Linear charger, regulated output, load switch, manual reset with timer, and battery voltage monitor. The integrated buck converter is a high efficiency, low IQ switcher using DCS-Control™ that extends light load efficiency down to 10-µA load currents. The low quiescent current during operation and shutdown enables maximum battery life. The device supports charge currents from 5 mA to 300 mA.

The battery is charged using a standard Li-Ion charge profile with three phases: precharge, constant current and constant voltage. A voltage-based battery pack thermistor monitoring input (TS) is included that monitors battery temperature and automatically changes charge parameters to prevent the battery from charging outside of its safe temperature range. The charger is optimized for 5-V USB input, with 20-V tolerance to withstand line transients. The buck converter is run from the input or battery. When in battery only mode, the device can run from a battery up to 4.65 V.

A configurable load switch allows system optimization by disconnecting infrequently used devices. The manual reset with timer allows multiple different configuration options for wake are reset optimization. A simple voltage based monitor provides battery level information to the host in 2% increments from 60% to 100% of the programmed V(BATREG).

The BQ25120F3A is a highly integrated battery charge management IC that integrates the most common functions for wearable devices: Linear charger, regulated output, load switch, manual reset with timer, and battery voltage monitor. The integrated buck converter is a high efficiency, low IQ switcher using DCS-Control™ that extends light load efficiency down to 10-µA load currents. The low quiescent current during operation and shutdown enables maximum battery life. The device supports charge currents from 5 mA to 300 mA.

The battery is charged using a standard Li-Ion charge profile with three phases: precharge, constant current and constant voltage. A voltage-based battery pack thermistor monitoring input (TS) is included that monitors battery temperature and automatically changes charge parameters to prevent the battery from charging outside of its safe temperature range. The charger is optimized for 5-V USB input, with 20-V tolerance to withstand line transients. The buck converter is run from the input or battery. When in battery only mode, the device can run from a battery up to 4.65 V.

A configurable load switch allows system optimization by disconnecting infrequently used devices. The manual reset with timer allows multiple different configuration options for wake are reset optimization. A simple voltage based monitor provides battery level information to the host in 2% increments from 60% to 100% of the programmed V(BATREG).

Subscribe to Welllinkchips !
Your Name
* Email
Submit a request