0
MSP430F1121A
  • MSP430F1121A
  • MSP430F1121A
  • MSP430F1121A
  • MSP430F1121A
  • MSP430F1121A

MSP430F1121A

ACTIVE

8 MHz MCU with 4KB Flash, 256B SRAM, timer, comparator

Texas Instruments MSP430F1121A Product Info

1 April 2026 0

Parameters

CPU

MSP430

Frequency (MHz)

8

Flash memory (kByte)

4

RAM (kByte)

0.25

ADC type

Slope

Features

Real-time clock

UART

0

Number of ADC channels

0

SPI

0

USB

No

Hardware accelerators

0

Operating temperature range (°C)

-40 to 85

Rating

Catalog

Operating system

BareMetal (No OS), TI RTOS

Nonvolatile memory (kByte)

4

Number of GPIOs

14

Number of I2Cs

0

Security

Secure debug

Package

SOIC (DW)-20-131.84 mm² 12.8 x 10.3

Features

  • Low Supply Voltage Range 1.8 V – 3.6 V
  • Ultralow-Power Consumption
    • Active Mode: 160 µA at 1 MHz, 2.2 V
    • Standby Mode: 0.7 µA
    • Off Mode (RAM Retention): 0.1 µA
  • Wake-Up From Standby Mode in less than 6 µs
  • 16-Bit RISC Architecture, 125 ns Instruction Cycle Time
  • Basic Clock Module Configurations:
    • Various Internal Resistors
    • Single External Resistor
    • 32-kHz Crystal
    • High-Frequency Crystal
    • Resonator
    • External Clock Source
  • 16-Bit Timer_A With Three Capture/Compare Registers
  • On-Chip Comparator for Analog Signal Compare Function or Slope A/D Conversion
  • Serial Onboard Programming, No External Programming Voltage Needed Programmable Code Protection by Security Fuse
  • Family Members Include:
      MSP430C1101: 1KB ROM, 128B RAM
      MSP430C1111: 2KB ROM, 128B RAM
      MSP430C1121: 4KB ROM, 256B RAM
      MSP430F1101A: 1KB + 128B Flash Memory 128B RAM
      MSP430F1111A: 2KB + 256B Flash Memory 128B RAM
      MSP430F1121A: 4KB + 256B Flash Memory 256B RAM
  • Available in a 20-Pin Plastic Small-Outline Wide Body (SOWB) Package, 20-Pin Plastic Small-Outline Thin Package, and 20-Pin TVSOP (F11x1A only) and 24-Pin QFN
  • For Complete Module Descriptions, Refer to the MSP430x1xx Family User’s Guide, Literature Number SLAU049.

  • Low Supply Voltage Range 1.8 V – 3.6 V
  • Ultralow-Power Consumption
    • Active Mode: 160 µA at 1 MHz, 2.2 V
    • Standby Mode: 0.7 µA
    • Off Mode (RAM Retention): 0.1 µA
  • Wake-Up From Standby Mode in less than 6 µs
  • 16-Bit RISC Architecture, 125 ns Instruction Cycle Time
  • Basic Clock Module Configurations:
    • Various Internal Resistors
    • Single External Resistor
    • 32-kHz Crystal
    • High-Frequency Crystal
    • Resonator
    • External Clock Source
  • 16-Bit Timer_A With Three Capture/Compare Registers
  • On-Chip Comparator for Analog Signal Compare Function or Slope A/D Conversion
  • Serial Onboard Programming, No External Programming Voltage Needed Programmable Code Protection by Security Fuse
  • Family Members Include:
      MSP430C1101: 1KB ROM, 128B RAM
      MSP430C1111: 2KB ROM, 128B RAM
      MSP430C1121: 4KB ROM, 256B RAM
      MSP430F1101A: 1KB + 128B Flash Memory 128B RAM
      MSP430F1111A: 2KB + 256B Flash Memory 128B RAM
      MSP430F1121A: 4KB + 256B Flash Memory 256B RAM
  • Available in a 20-Pin Plastic Small-Outline Wide Body (SOWB) Package, 20-Pin Plastic Small-Outline Thin Package, and 20-Pin TVSOP (F11x1A only) and 24-Pin QFN
  • For Complete Module Descriptions, Refer to the MSP430x1xx Family User’s Guide, Literature Number SLAU049.

Description

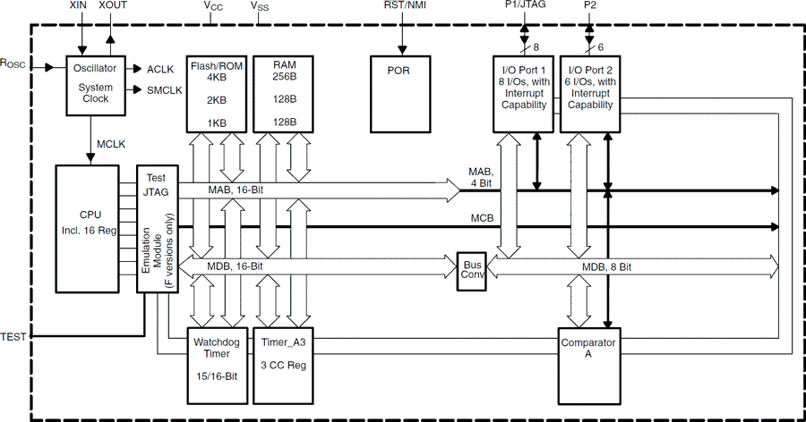
The Texas Instruments MSP430 family of ultralow power microcontrollers consist of several devices featuring different sets of peripherals targeted for various applications. The architecture, combined with five low power modes is optimized to achieve extended battery life in portable measurement applications. The device features a powerful 16-bit RISC CPU, 16-bit registers, and constant generators that attribute to maximum code efficiency. The digitally controlled oscillator (DCO) allows wake-up from low-power modes to active mode in less than 6µs.

The MSP430x11x1 series is an ultralow-power mixed signal microcontroller with a built-in 16-bit timer, versatile analog comparator and fourteen I/O pins.

Typical applications include sensor systems that capture analog signals, convert them to digital values, and then process the data for display or for transmission to a host system. Stand alone RF sensor front end is another area of application. The I/O port inputs provide single slope A/D conversion capability on resistive sensors.

The Texas Instruments MSP430 family of ultralow power microcontrollers consist of several devices featuring different sets of peripherals targeted for various applications. The architecture, combined with five low power modes is optimized to achieve extended battery life in portable measurement applications. The device features a powerful 16-bit RISC CPU, 16-bit registers, and constant generators that attribute to maximum code efficiency. The digitally controlled oscillator (DCO) allows wake-up from low-power modes to active mode in less than 6µs.

The MSP430x11x1 series is an ultralow-power mixed signal microcontroller with a built-in 16-bit timer, versatile analog comparator and fourteen I/O pins.

Typical applications include sensor systems that capture analog signals, convert them to digital values, and then process the data for display or for transmission to a host system. Stand alone RF sensor front end is another area of application. The I/O port inputs provide single slope A/D conversion capability on resistive sensors.