0
AM26LV31
  • AM26LV31
  • AM26LV31
  • AM26LV31

AM26LV31

ACTIVE

Low-Voltage High-Speed Quadruple Differential Line Driver

Texas Instruments AM26LV31 Product Info

1 April 2026 1

Parameters

Number of receivers

0

Number of transmitters

4

Duplex

Half

Supply voltage (nom) (V)

3.3

Signaling rate (max) (Mbps)

32

IEC 61000-4-2 contact (±V)

None

Fault protection (V)

-7 to 7

Common-mode range (V)

-7 to 7

Number of nodes

32

Isolated

No

Supply current (max) (µA)

100

Rating

Catalog

Operating temperature range (°C)

-45 to 85

Package

SOIC (D)-16-59.4 mm² 9.9 x 6

Features

  • Switching rates up to 32MHz
  • Operate from a single 3.3V supply
  • Propagation delay time: 8ns typical
  • Pulse skew time: 500ps typical
  • High output-drive current: ±30 mA
  • Controlled rise and fall times: 3ns typical
  • Differential output voltage with 100Ω load: 1.5V typical
  • Ultra-low power dissipation
    • DC, 0.3mW maximum
    • 32MHz All channels (no load), 385mW typical
  • Accept 5V logic inputs with 3.3V supply
  • Low-voltage pin-to-pin compatible replacement for AM26C31, AM26LS31, MB571
  • High output impedance in power-off condition
  • Driver output short-protection circuit
  • Package options include plastic small-outline (D, NS) packages
  • Switching rates up to 32MHz
  • Operate from a single 3.3V supply
  • Propagation delay time: 8ns typical
  • Pulse skew time: 500ps typical
  • High output-drive current: ±30 mA
  • Controlled rise and fall times: 3ns typical
  • Differential output voltage with 100Ω load: 1.5V typical
  • Ultra-low power dissipation
    • DC, 0.3mW maximum
    • 32MHz All channels (no load), 385mW typical
  • Accept 5V logic inputs with 3.3V supply
  • Low-voltage pin-to-pin compatible replacement for AM26C31, AM26LS31, MB571
  • High output impedance in power-off condition
  • Driver output short-protection circuit
  • Package options include plastic small-outline (D, NS) packages

Description

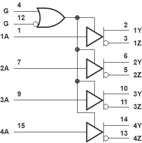
The AM26LV31C and AM26LV31I are BiCMOS quadruple differential line drivers with 3-state outputs. They are designed to be similar to TIA/EIA-422-B and ITU Recommendation V.11 drivers with reduced supply-voltage range.

The devices are optimized for balanced-bus transmission at switching rates up to 32MHz. The outputs have very high current capability for driving balanced lines such as twisted-pair transmission lines and provide a high impedance in the power-off condition. The enable function is common to all four drivers and offers the choice of active-high or active-low enable inputs. The AM26LV31C and AM26LV31I are designed using Texas Instruments proprietary LinIMPACT-C60™ technology, facilitating ultra-low power consumption without sacrificing speed. These devices offer optimum performance when used with the AM26LV32 quadruple line receivers.

The AM26LV31C is characterized for operation from 0°C to 70°C. The AM26LV31I is characterized for operation from –45°C to 85°.C

The AM26LV31C and AM26LV31I are BiCMOS quadruple differential line drivers with 3-state outputs. They are designed to be similar to TIA/EIA-422-B and ITU Recommendation V.11 drivers with reduced supply-voltage range.

The devices are optimized for balanced-bus transmission at switching rates up to 32MHz. The outputs have very high current capability for driving balanced lines such as twisted-pair transmission lines and provide a high impedance in the power-off condition. The enable function is common to all four drivers and offers the choice of active-high or active-low enable inputs. The AM26LV31C and AM26LV31I are designed using Texas Instruments proprietary LinIMPACT-C60™ technology, facilitating ultra-low power consumption without sacrificing speed. These devices offer optimum performance when used with the AM26LV32 quadruple line receivers.

The AM26LV31C is characterized for operation from 0°C to 70°C. The AM26LV31I is characterized for operation from –45°C to 85°.C

Subscribe to Welllinkchips !
Your Name
* Email
Submit a request