0
ADC11DS105
  • ADC11DS105
  • ADC11DS105
  • ADC11DS105

ADC11DS105

ACTIVE

Dual-Channel, 11-Bit, 105MSPS Analog-to-Digital Converter (ADC) Key Specifications Key Specifications

Texas Instruments ADC11DS105 Product Info

1 April 2026 0

Parameters

Sample rate (max) (Msps)

105

Resolution (Bits)

11

Number of input channels

2

Interface type

Serial LVDS

Analog input BW (MHz)

1000

Features

Low Power

Rating

Catalog

Peak-to-peak input voltage range (V)

2

Power consumption (typ) (mW)

1000

Architecture

Pipeline

SNR (dB)

67

ENOB (Bits)

10.9

SFDR (dB)

88

Operating temperature range (°C)

-40 to 85

Input buffer

No

Package

WQFN (NKA)-60-81 mm² 9 x 9

Features

  • Clock Duty Cycle Stabilizer
  • Single +3.0 or +3.3V Supply Operation
  • Serial LVDS Outputs
  • Serial Control Interface
  • Overrange Outputs
  • 60-Pin WQFN Package, (9x9x0.8mm, 0.5mm Pin-Pitch)

Key Specifications

  • Resolution 11 Bits
  • Conversion Rate 105 MSPS
  • SNR (fIN = 240 MHz) 66 dBFS (typ)
  • SFDR (fIN = 240 MHz) 82 dBFS (typ)
  • Full Power Bandwidth 1 GHz (typ)
  • Power Consumption 1 W (typ)

All trademarks are the property of their respective owners.

  • Clock Duty Cycle Stabilizer
  • Single +3.0 or +3.3V Supply Operation
  • Serial LVDS Outputs
  • Serial Control Interface
  • Overrange Outputs
  • 60-Pin WQFN Package, (9x9x0.8mm, 0.5mm Pin-Pitch)

Key Specifications

  • Resolution 11 Bits
  • Conversion Rate 105 MSPS
  • SNR (fIN = 240 MHz) 66 dBFS (typ)
  • SFDR (fIN = 240 MHz) 82 dBFS (typ)
  • Full Power Bandwidth 1 GHz (typ)
  • Power Consumption 1 W (typ)

All trademarks are the property of their respective owners.

Description

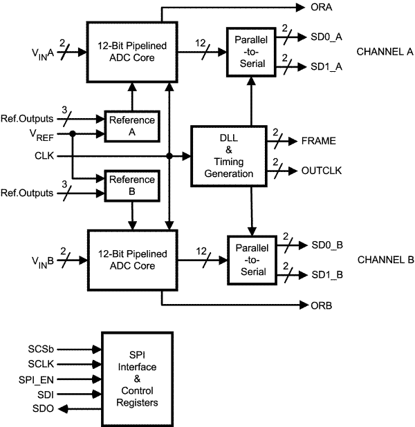
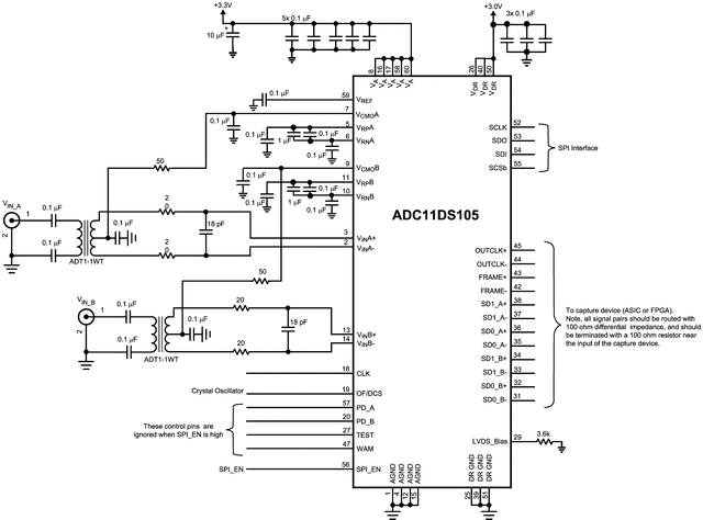
The ADC11DS105is a high-performance CMOS analog-to-digital converters capable of converting two analog input signals into 11-bit digital words at rates up to 105 Mega Samples Per Second (MSPS). The digital outputs are serialized and provided on differential LVDS signal pairs. These converters use a differential, pipelined architecture with digital error correction and an on-chip sample-and-hold circuit to minimize power consumption and the external component count, while providing excellent dynamic performance. The ADC11DS105 may be operated from a single +3.0 or +3.3V power supply. A power-down feature reduces the power consumption to very low levels while still allowing fast wake-up time to full operation. The differential inputs accept a 2V full scale differential input swing. A stable 1.2V internal voltage reference is provided, or the ADC11DS105 can be operated with an external 1.2V reference. The selectable duty cycle stabilizer maintains performance over a wide range of clock duty cycles. A serial interface allows access to the internal registers for full control of the ADC11DS105's functionality. The ADC11DS105 is available in a 60-lead WQFN package and operates over the industrial temperature range of −40°C to +85°C.

The ADC11DS105is a high-performance CMOS analog-to-digital converters capable of converting two analog input signals into 11-bit digital words at rates up to 105 Mega Samples Per Second (MSPS). The digital outputs are serialized and provided on differential LVDS signal pairs. These converters use a differential, pipelined architecture with digital error correction and an on-chip sample-and-hold circuit to minimize power consumption and the external component count, while providing excellent dynamic performance. The ADC11DS105 may be operated from a single +3.0 or +3.3V power supply. A power-down feature reduces the power consumption to very low levels while still allowing fast wake-up time to full operation. The differential inputs accept a 2V full scale differential input swing. A stable 1.2V internal voltage reference is provided, or the ADC11DS105 can be operated with an external 1.2V reference. The selectable duty cycle stabilizer maintains performance over a wide range of clock duty cycles. A serial interface allows access to the internal registers for full control of the ADC11DS105's functionality. The ADC11DS105 is available in a 60-lead WQFN package and operates over the industrial temperature range of −40°C to +85°C.

Subscribe to Welllinkchips !
Your Name
* Email
Submit a request