0
MAX4899AE
  • MAX4899AE

MAX4899AE

PRODUCTION

USB 2.0 High-Speed, Fault-Tolerant 3:1, 4:1 Multiplexers High-Speed Analog Switches for Portable Applications that Allow a Limited Number of Pins to Be Used for Multiple Purposes

Analog Devices MAX4899AE Product Info

10 February 2026 7

Features

  • Single 2.7V to 3.6V Power-Supply Voltage
  • Low 4Ω (typ) On-Resistance (RON)
  • -3dB Bandwidth: 425MHz
  • Fault Tolerant to Meet Full USB 2.0 Specification
  • COM_ Protected to ±15kV ESD Protection per Human Body Model (Mil Standard 883; Method 3015)
  • Low Operating Current (200µA), Ultra-Low Quiescent Current (3.0µA max) in Standby Mode
  • Low Threshold Eliminates the Need for Translators in 1.8V Low Voltage Systems
  • Tiny 3mm x 3mm, 16-Pin TQFN Package

Part details & applications

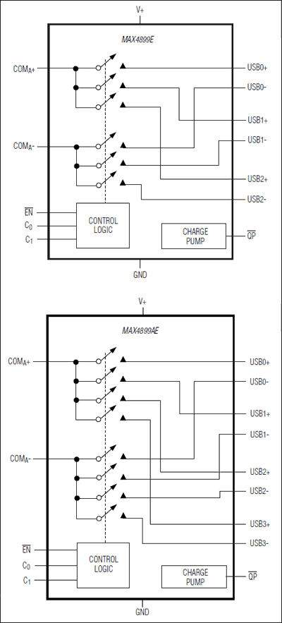
The MAX4899E/MAX4899AE analog multiplexers combine the low on-capacitance (CON) and low on-resistance (RON) necessary for high-performance switching applications. These devices are designed for USB 2.0 high-speed applications at 480Mbps. The MAX4899E/MAX4899AE also handle all the requirements for USB low- and full-speed signaling.

The MAX4899E is a dual 3:1 multiplexer whereas the MAX4899AE is a dual 4:1 multiplexer. The MAX4899E/MAX4899AE feature two digital inputs, C0 and C1, to control the analog signal path. Typical applications include switching a USB connector between USB and other operations such as serial communications, audio, and video.

An enable input (active-low EN) is provided to disable all channels and place the device into a high-impedance (off) state, as well as reducing power consumption.

The MAX4899E/MAX4899AE operate from a 2.7V to 3.6V power-supply voltage and are protected against +5.5V shorts to COMA- and COMA+. In addition, COMA+ and COMA- are normally connected to outside circuitry and feature ±15kV ESD protection. The MAX4899E/MAX4899AE are available in a 3mm x 3mm, 16-pin TQFN package and operate over the -40°C to +85°C temperature range.

Applications

  • Cell Phones
  • Combination Products
  • Digital Still Cameras
  • Digital Video Cameras
  • KVM
  • MPEG-4 Players
  • PDAs
  • Portable GPS Navigation Systems

Subscribe to Welllinkchips !
Your Name
* Email
Submit a request