0
LTC5555
  • LTC5555
  • LTC5555
  • LTC5555

LTC5555

RECOMMENDED FOR NEW DESIGNS

1.5GHz to 7GHz Programmable Gain Downconverting Mixer

Analog Devices LTC5555 Product Info

10 February 2026 18

Features

  • Optimized Gain Flatness from 2.5GHz to 7GHz
  • 31dBm Output IP3
  • 9dB Power Conversion Gain
  • 15.5dB Adjustable Gain Range
  • SPI or Parallel Gain Control in 0.5dB Steps
  • Very Small Solution Size
  • 3.3V Single Supply
  • Low Power and Shutdown Modes
  • 28-Lead (4mm × 5mm) QFN Package

Part details & applications

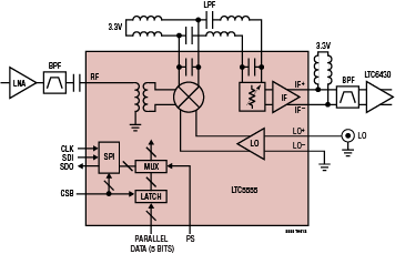
The LTC5555 programmable gain downconverting mixer is ideal for receivers that require precise gain setting. The IC incorporates an active mixer and a digital IF VGA with 15.5dB gain control range. The IF gain is programmed in 0.5dB steps through the SPI or parallel interface.

An enable pin allows for fast turn-on and shutdown. A reduced power mode is also available.

An integrated RF transformer provides a single-ended 50Ω input. The differential LO input is designed for single-ended or differential drive. The differential IF output simplifies the interface to differential IF filters and amplifiers. The mixer is optimized for the 3GHz to 7GHz RF frequency range but may be used down to 1.5GHz with degraded performance.

Applications

  • 3.6GHz, 4.8GHz and 5.8GHz Band Wireless Infrastructure Receivers
  • Wireless Repeaters
  • Military Radar and Communications Receivers
  • Test and Measurement Equipment
  • Software-Defined Radios

Subscribe to Welllinkchips !
Your Name
* Email
Submit a request