0
HMC265LM3
  • HMC265LM3

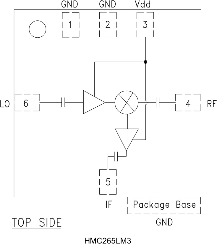
HMC265LM3

PRODUCTION

Sub-Harmonic Mixer SMT, 20 - 31 GHz

Analog Devices HMC265LM3 Product Info

10 February 2026 9

Features

  • Integrated LO Amplifier: -4 dBm Input
  • Sub-Harmonically Pumped (x2) LO
  • High 2LO/RF Isolation: > 28 dB
  • LM3 SMT Package

Part details & applications

The HMC265LM3 is a 20 - 31 GHz surface mount sub-harmonically pumped (x2) MMIC mixer downconverter with integrated LO and IF amplifiers in a SMT leadless chip carrier package. The 2LO to RF and IF isolations are an excellent 28 to 47 dB, eliminating the need for additional filtering. The LO amplifier is a single bias (+3V to +4V) two stage design with only -4 dBm drive requirement. All data is with the non-hermetic, epoxy sealed LM3 packaged device mounted in a 50 ohm test fixture. Utilizing the HMC265LM3 eliminates the need for wirebonding, thereby providing a consistent connection interface for the customer.

APPLICATIONS

  • 20 and 31 GHz Microwave Radios
  • Downconverter for Point-to-Point Radios
  • LMDS and SATCOM

Subscribe to Welllinkchips !
Your Name
* Email
Submit a request