0
HMC404
  • HMC404

HMC404

RECOMMENDED FOR NEW DESIGNS

GaAs MMIC Sub Harmonic IRM Mixer Chip, 26 - 33 GHz

Analog Devices HMC404 Product Info

10 February 2026 8

Features

  • Integrated LO Amplifier: +2 dBm Input
  • Sub-Harmonically Pumped (x2) LO
  • Image Rejection: 22 dB
  • Small Size: 1.90 × 1.25 mm

Part details & applications

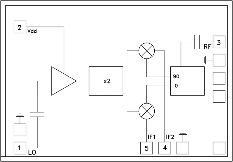
The HMC404 chip is a sub-harmonically pumped (x2) MMIC image rejection mixer with an integrated LO amplifier which can be used as an upconverter or downconverter. The chip utilizes a GaAs PHEMT technology that results in a small overall chip area of 2.31mm2. The on-chip 90° hybrid provides excellent amplitude and phase balance resulting in greater than 22 dB of image rejection. The LO amplifier is a single bias (+4V) two stage design with only +2 dBm nominal drive required.


APPLICATIONS

  • 26 to 33 GHz Microwave Radios
  • Up and Down Converter for Point-to-Point Radios
  • Satellite Communication Systems

Subscribe to Welllinkchips !
Your Name
* Email
Submit a request