0
MAX221E
  • MAX221E

MAX221E

PRODUCTION

±15kV ESD-Protected, +5V, 1µA, Single RS-232 Transceiver with AutoShutdown Industry's Smallest, Low-Power, Single RS-232 Transceiver Featuring ±15kV ESD Protection

Analog Devices MAX221E Product Info

10 February 2026 7

Features

  • Single RS-232 Transceiver in a Small 16-Pin TSSOP
  • ESD Protection for RS-232 I/O Pins
    • ±15kV-Human Body Model
    • ±8kV-IEC 1000-4-2, Contact Discharge
    • ±15kV-IEC 1000-4-2, Air-Gap Discharge
  • Latchup Free
  • 1µA Supply Current
  • AutoShutdown Saves Power without Changes to BIOS
  • Guaranteed 250kbps Data Rate

Part details & applications

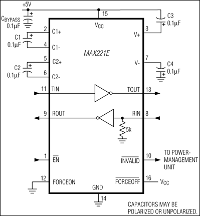
The MAX221E is a +5V powered, single transmit/receive RS-232 and V.28 communications interface with automatic shutdown/wake-up features and high data rate capabilities.

The MAX221E features enhanced electrostatic discharge (ESD) protection. Both the transmitter output and receiver input are protected to ±15kV using the IEC 1000-4-2 Air-Gap Discharge Method, to ±8kV using the IEC 1000-4-2 Contact Discharge Method, and to ±15kV using the Human Body Model.

The MAX221E achieves a low 1µA supply current with Maxim's revolutionary AutoShutdown™ feature. AutoShutdown saves power without changes to the existing BIOS or operating system by entering low-power shutdown mode when the RS-232 cable is disconnected or when the transmitter of the connected peripheral is off. The MAX221E wakes up and drives the active-low INVALID pin high when an active RS-232 cable is connected, signaling the host that a peripheral is connected to the communications port.

The MAX221E is available in a 16-pin SSOP package as well as a 16-pin TSSOP that uses 50% less board space than a 16-pin SO.

Applications

  • Industrial Systems
  • Maintenance/Diagnostic Ports
  • Set-Top Boxes
  • Telecommunications

Subscribe to Welllinkchips !
Your Name
* Email
Submit a request