0
ADTF3175
  • ADTF3175
  • ADTF3175
  • ADTF3175
  • ADTF3175

ADTF3175

RECOMMENDED FOR NEW DESIGNS

1 MegaPixel Time-of-Flight Module

Analog Devices ADTF3175 Product Info

10 February 2026 6

Features

  • 1024 × 1024 ToF imager with 3.5 μm × 3.5 μm pixels
  • 75 × 75 deg Field of view (FOV)
  • Imager lens subassembly with 940nm bandpass filter
  • Illumination subassembly with eye safety support
  • 4-lane MIPI CSI-2 Tx interface, 1.5 Gbps per lane
  • 4-wire SPI and 2-wire I2C serial interfaces
  • NVM (Flash) for module boot-up sequence
  • Power regulators for local imager and illumination rails
  • Calibrated modes at 1024 × 1024 and 512 × 512 resolutions
  • Depth range: 0.4 m to 4 m (depth noise (1 σ) 15 mm maximum, 19% minimum target reflectance, 3 klux equivalent sunlight)
  • Depth accuracy: ±5 mm (across full depth range)
  • Available in 50-lead, MODULE, ML-50-1 package

Part details & applications

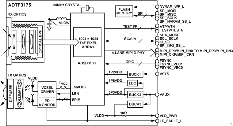
The ADTF3175 is a complete Time-of-Flight (ToF) module for high resolution 3D depth sensing and vision systems. Based on the ADSD3100, a 1 Megapixel CMOS indirect Time-of-Flight (iToF) imager, the ADTF3175 also integrates the lens and optical bandpass filter for the imager, an infrared illumination source containing optics, laser diode, laser diode driver and photodetector, a flash memory, and power regulators to generate local supply voltages. The module is fully calibrated at multiple range and resolution modes. To complete the depth sensing system, the raw image data from the ADTF3175 is processed externally by the host system processor or depth ISP.

The ADTF3175 image data output interfaces electrically to the host system over a 4-lane mobile industry processor interface (MIPI), Camera Serial Interface 2 (CSI-2) Tx interface. The module programming and operation are controlled through 4-wire SPI and I2C serial interfaces.

The ADTF3175 has module dimensions of 42mm × 31mm × 15.1mm, and is specified over an operating temperature range of -20°C to 65°C.

APPLICATIONS

  • Machine vision systems
  • Robotics
  • Building automation
  • Augmented reality (AR) systems

Subscribe to Welllinkchips !
Your Name
* Email
Submit a request