0
MAX6577
  • MAX6577

MAX6577

PRODUCTION

SOT Temperature Sensors with Period/Frequency Output SOT23 Single Wire Digital Temperature Sensors

Analog Devices MAX6577 Product Info

10 February 2026 7

Features

  • Simple Single-Wire Output
  • Two Output Types Available
    • Temperature to Period (µs) (MAX6576)
    • Temperature to Frequency (Hz) (MAX6577)
  • ±0.8°C Accuracy at +25°C (±3°C max)
  • No External Components
  • Operates from +2.7V to +5.5V Supply Voltage
  • Low 140µA Typical Supply Current
  • Standard Operating Temperature Range: -40°C to +125°C
  • Small 6-Pin SOT23 Package

Part details & applications

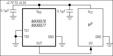
The MAX6576/MAX6577 are low-cost, low-current temperature sensors with a single-wire output. The MAX6576 converts the ambient temperature into a square wave with a period proportional to absolute temperature (°K). The MAX6577 converts the ambient temperature into a square wave with a frequency proportional to absolute temperature. The MAX6576 offers accuracy of ±3°C at +25°C, ±4.5°C at +85°C, and ±5°C at +125°C. The MAX6577 offers accuracy of ±3°C at +25°C, ±3.5°C at +85°C, and ±4.5°C at +125°C.

Both devices feature a single-wire output that minimizes the number of pins necessary to interface with a microprocessor. The period/frequency range of the output square wave can be selected by hard-wiring the two time-select pins (TS0, TS1) to either VDD or GND. The MAX6576/MAX6577 are available in space-saving 6-pin SOT23 packages.

Applications

  • Battery Packs
  • Cell Phones
  • Critical µP and µC Temperature Monitoring
  • Hard Drives/Tape Drives
  • Medical Equipment
  • Networking and Telecom Equipment
  • Portable Battery-Powered Equipment

Subscribe to Welllinkchips !
Your Name
* Email
Submit a request