0
MAX1653
  • MAX1653

MAX1653

PRODUCTION

High-Efficiency, PWM, Step-Down DC-DC Controllers in 16-Pin QSOP 10A DSP/CPU Core Supply with Secondary Outputs in Space-Saving QSOP Package

Analog Devices MAX1653 Product Info

10 February 2026 6

Features

  • 96% Efficiency
  • Small, 16-Pin QSOP Package (half the size of a 16-pin narrow SO)
  • Pin-Compatible with MAX797 (MAX1653/MAX1655)
  • Output Voltage Down to 1V (MAX1655)
  • 4.5V to 30V Input Range
  • 99% Duty Cycle for Lower Dropout
  • 170µA Quiescent Supply Current
  • 3µA Logic-Controlled Shutdown
  • Dual, N-Channel, Synchronous-Rectified Control
  • Fixed 150kHz/300kHz PWM Switching, or Synchronized from 190kHz to 340kHz
  • Programmable Soft Start
  • Low-Cost Secondary Outputs (MAX1652/MAX1654)
  • Synchronous rectifier, secondary output regulation, high efficiency over full IOUT range

Part details & applications

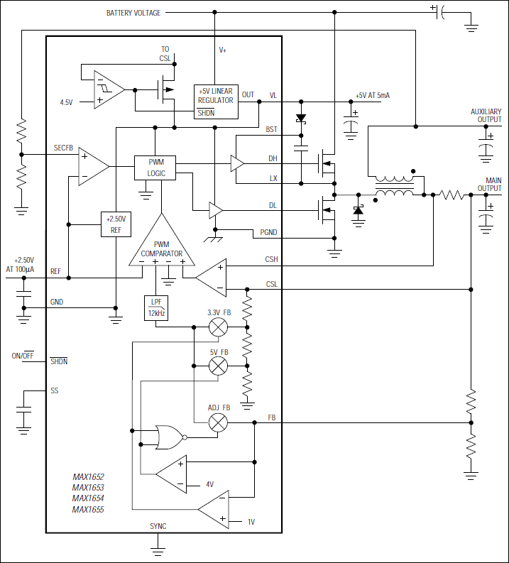
The MAX1652-MAX1655 are high-efficiency, pulse-width-modulated (PWM), step-down DC-DC controllers in small QSOP packages. The MAX1653/MAX1655 also come in 16-pin narrow SO packages that are pin-compatible upgrades to the popular MAX797. Improvements include higher duty-cycle operation for better dropout, lower quiescent supply currents for better light-load efficiency, and an output voltage down to 1V (MAX1655).

The MAX1652-MAX1655 achieve up to 96% efficiency and deliver up to 10A using a unique Idle Mode™ synchronous-rectified PWM control scheme. These devices automatically switch between PWM operation at heavy loads and pulse-frequency-modulated (PFM) operation at light loads to optimize efficiency over the entire output current range. The MAX1653/MAX1655 also feature logic-controlled, forced PWM operation for noise-sensitive applications.

All devices operate with a selectable 150kHz/300kHz switching frequency, which can also be synchronized to an external clock signal. Both external power switches are inexpensive N-channel MOSFETs, which provide low resistance while saving space and reducing cost.

The MAX1652 and MAX1654 have an additional feedback pin that permits regulation of a low-cost second output tapped from a transformer winding. The MAX1652 provides an additional positive output. The MAX1654 provides an additional negative output.

The MAX1652-MAX1655 have a 4.5V to 30V input voltage range. The MAX1652/MAX1653/MAX1654's output range is 2.5V to 5.5V while the MAX1655's output range extends down to 1V. An evaluation kit (MAX1653EVKit) is available to speed designs.

Applications

  • Cell Phones
  • Distributed Power
  • Handheld Computers
  • Handy Terminals
  • Mobile Communications
  • Notebook Computers
  • PDAs

Subscribe to Welllinkchips !
Your Name
* Email
Submit a request