0
AD7873
  • AD7873
  • AD7873
  • AD7873

AD7873

PRODUCTION

Touch Screen Digitizer

Analog Devices AD7873 Product Info

10 February 2026 11

Features

  • 4-Wire touch screen interface
  • On-chip temperature sensor: –40°C to +85°C
  • On-chip 2.5 V reference
  • Direct battery measurement (0 V to 6 V)
  • Touch pressure measurement
  • Specified throughput rate of 125 kSPS
  • Single supply, VCC of 2.2 V to 5.25 V
  • Ratiometric conversion
  • High speed serial interface
  • Programmable
    8- or 12-bit resolution
  • One auxiliary analog input
  • Shutdown mode: 1 µA maximum
  • 16-lead QSOP, TSSOP, and LFCSP packages

Part details & applications

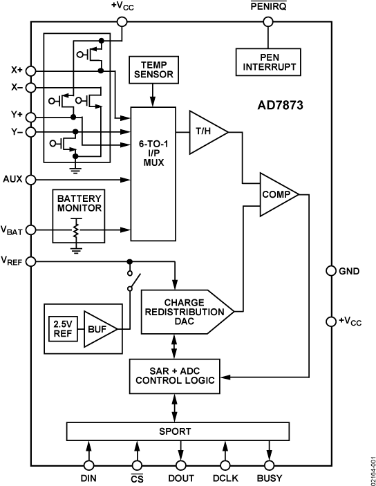
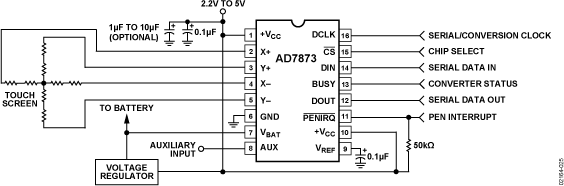
The AD7873 is a 12-bit successive approximation ADC with a synchronous serial interface and low on resistance switches for driving touch screens. The AD7873 operates from a single 2.2 V to 5.25 V supply, with a throughput rate of 125 kSPS.

The AD7873 features direct battery measurement, temperature measurement, and touch pressure measurement. The AD7873 also has an on-board reference of 2.5 V that can be used for the auxiliary input, battery monitor, and temperature measurement modes. When not in use, the internal reference can be shut down to conserve power. An external reference can also be applied and varied from 1 V to VCC with an analog input range from 0 V to VREF. The device includes a shutdown mode that reduces the current consumption to less than 1 µA.

The AD7873 features on-board switches. This, coupled with low power and high speed operation, makes the device ideal for battery-powered systems with resistive touch screens. The part is available in a 16-lead, 0.15 inch quarter size outline package (QSOP), a 16-lead, thin shrink small outline package (TSSOP), and a 16-lead, lead frame chip scale package (LFCSP).

PRODUCT HIGHLIGHTS

  1. Ratiometric conversion mode available, eliminating errors due to on-board switch resistances.
  2. On-board temperature sensor: −40°C to +85°C.
  3. Battery monitor input.
  4. Touch pressure measurement capability.
  5. Low power consumption of 1.37 mW maximum with the reference off, or 2.41 mW typical with the reference on, at 125 kSPS and VCC at 3.6 V.
  6. Package options include 4 mm × 4 mm LFCSP.
  7. Analog input range from 0 V to VREF.
  8. Versatile serial I/O ports.

APPLICATIONS

  • Personal digital assistants
  • Smart hand-held devices
  • Touch screen m

Subscribe to Welllinkchips !
Your Name
* Email
Submit a request