0
MAX1262
  • MAX1262

MAX1262

PRODUCTION

400ksps, +5V, 8-/4-Channel, 12-Bit ADCs with +2.5V Reference and Parallel Interface

Analog Devices MAX1262 Product Info

10 February 2026 6

Features

  • 12-Bit Resolution, ±0.5 LSB Linearity
  • +5V Single-Supply Operation
  • User-Adjustable Logic Level (+2.7V to +5.5V)
  • Internal +2.5V Reference
  • Software-Configurable Analog Input Multiplexer
    • 8-Channel Single Ended/4-Channel Pseudo-Differential (MAX1262)
    • 4-Channel Single Ended/2-Channel Pseudo-Differential (MAX1264)
  • Software-Configurable Unipolar/Bipolar Analog Inputs
  • Low Current
    • 2.5mA (400ksps)
    • 1.0mA (100ksps)
    • 400µA (10ksps)
    • 2µA (Shutdown)
  • Internal 6MHz Full-Power Bandwidth Track/Hold
  • Byte-Wide Parallel (8 + 4) Interface
  • Small Footprint
    • 28-Pin QSOP (MAX1262)
    • 24-Pin QSOP (MAX1264)

Part details & applications

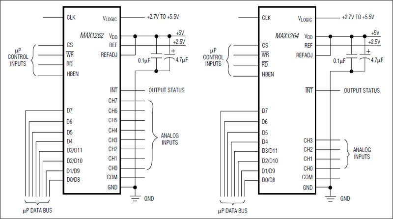
The MAX1262/MAX1264 low-power, 12-bit analog-to-digital converters (ADCs) feature a successive-approximation ADC, automatic power-down, fast wake-up (2µs), an on-chip clock, +2.5V internal reference, and a high-speed, byte-wide parallel interface. The devices operate with a single +5V analog supply and feature a VLOGIC pin that allows them to interface directly with a +2.7V to +5.5V digital supply.

Power consumption is only 10mW (VDD = VLOGIC) at a 400ksps max sampling rate. Two software-selectable power-down modes enable the MAX1262/MAX1264 to be shut down between conversions; accessing the parallel interface returns them to normal operation. Powering down between conversions can cut supply current to under 10µA at reduced sampling rates.

Both devices offer software-configurable analog inputs for unipolar/bipolar and single-ended/pseudo-differential operation. In single-ended mode, the MAX1262 has eight input channels and the MAX1264 has four input channels (four and two input channels, respectively, when in pseudo-differential mode).

Excellent dynamic performance and low power, combined with ease of use and small package size, make these converters ideal for battery-powered and data-acquisition applications or for other circuits with demanding power consumption and space requirements.

The MAX1262 is available in a 28-pin QSOP package, while the MAX1264 comes in a 24-pin QSOP. For pin-compatible +3V, 12-bit versions, refer to the MAX1261/MAX1263 data sheet.

Applications

  • Data Acquisition Systems
  • Data Logging
  • Energy Management
  • Industrial Controls Systems
  • Patient Monitoring
  • Touch Screens

Subscribe to Welllinkchips !
Your Name
* Email
Submit a request