0
MAX11105
  • MAX11105

MAX11105

PRODUCTION

2Msps/3Msps, Low-Power, Serial 12-/10-/8-Bit ADCs Small, Low-Power, SPI, 1-/2-Channel, 2Msps/3Msps ADCs

Analog Devices MAX11105 Product Info

10 February 2026 6

Features

  • 2Msps/3Msps Conversion Rate, No Pipeline Delay
  • 12-/10-/8-Bit Resolution
  • 1-/2-Channel, Single-Ended Analog Inputs
  • Low-Noise 73dB SNR
  • Variable I/O: 1.5V to 3.6V (Dual-Channel Only)
    • Allows the Serial Interface to Connect Directly to 1.5V, 1.8V, 2.5V, or 3V Digital Systems
  • 2.2V to 3.6V Supply Voltage
  • Low Power
    • 3.7mW at 2Msps
    • 5.2mW at 3Msps
    • Very Low Power Consumption at 2.5µA/ksps
  • External Reference Input (Dual-Channel Devices Only)
  • 1.3µA Power-Down Current
  • SPI-/QSPI-/MICROWIRE-Compatible Serial Interface
  • 10-Pin, 3mm x 3mm TDFN Package
  • 10-Pin, 3mm x 5mm µMAX Package
  • 6-Pin, 2.8mm x 2.9mm SOT23 Package
  • Wide -40°C to +125°C Operation

Part details & applications

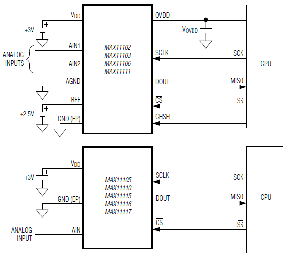
The MAX11102, MAX11103, MAX11105, MAX11106, MAX11110, MAX11111, MAX11115–MAX11117 are 12-/10-/8-bit, compact, high-speed, low-power, successive approximation analog-to-digital converters (ADCs). These high-performance ADCs include a high-dynamic range sample-and-hold and a high-speed serial interface. These ADCs accept a full-scale input from 0V to the power supply or to the reference voltage.

The MAX11102/MAX11103/MAX11106/MAX11111 feature dual, single-ended analog inputs connected to the ADC core using a 2:1 MUX. The devices also include a separate supply input for data interface and a dedicated input for reference voltage. In contrast, the single-channel devices generate the reference voltage internally from the power supply.

These ADCs operate from a 2.2V to 3.6V supply and consume only 5.2mW at 3Msps and 3.7mW at 2Msps. The devices include full power-down mode and fast wake-up for optimal power management and a high-speed 3-wire serial interface. The 3-wire serial interface directly connects to SPI, QSPI, and MICROWIRE® devices without external logic.

Excellent dynamic performance, low voltage, low power, ease of use, and small package size make these converters ideal for portable battery-powered data-acquisition applications, and for other applications that demand low-power consumption and minimal space.

These ADCs are available in a 10-pin TDFN package, 10-pin µMAX® package, and a 6-pin SOT23 package. These devices operate over the -40°C to +125°C temperature range.

Applications

  • Automotive Systems
  • Battery-Operated Systems
  • Communication Systems
  • Data Acquisition
  • Medical Instrumentation
  • Portable Data Logging

Subscribe to Welllinkchips !
Your Name
* Email
Submit a request