0
LTC4312
  • LTC4312
  • LTC4312
  • LTC4312
  • LTC4312

LTC4312

PRODUCTION

Pin-Selectable, 2-Channel, 2-Wire Multiplexer with Bus Buffers

Analog Devices LTC4312 Product Info

10 February 2026 5

Features

  • 1:2 Multiplexer/Switch for 2-Wire Bus
  • Bidirectional Buffer for SDA and SCL Lines
  • High Noise Margin with VIL = 0.3•VCC
  • ENABLE Pins Connect SDA and SCL Lines
  • Selectable Rise Time Accelerator Current and Activation Voltage
  • Level Shift 1.5V, 1.8V, 2.5V, 3.3V and 5V Busses
  • Prevents SDA and SCL Corruption During Live Board Insertion and Removal from Backplane
  • Stuck Bus Disconnect and Recovery
  • Compatible with I2C, I2C Fast Mode and SMBus
  • ±4kV Human Body Model (HBM) ESD Ruggedness
  • 14-Lead 4mm × 3mm DFN and 16-Lead MSOP Packages

Part details & applications

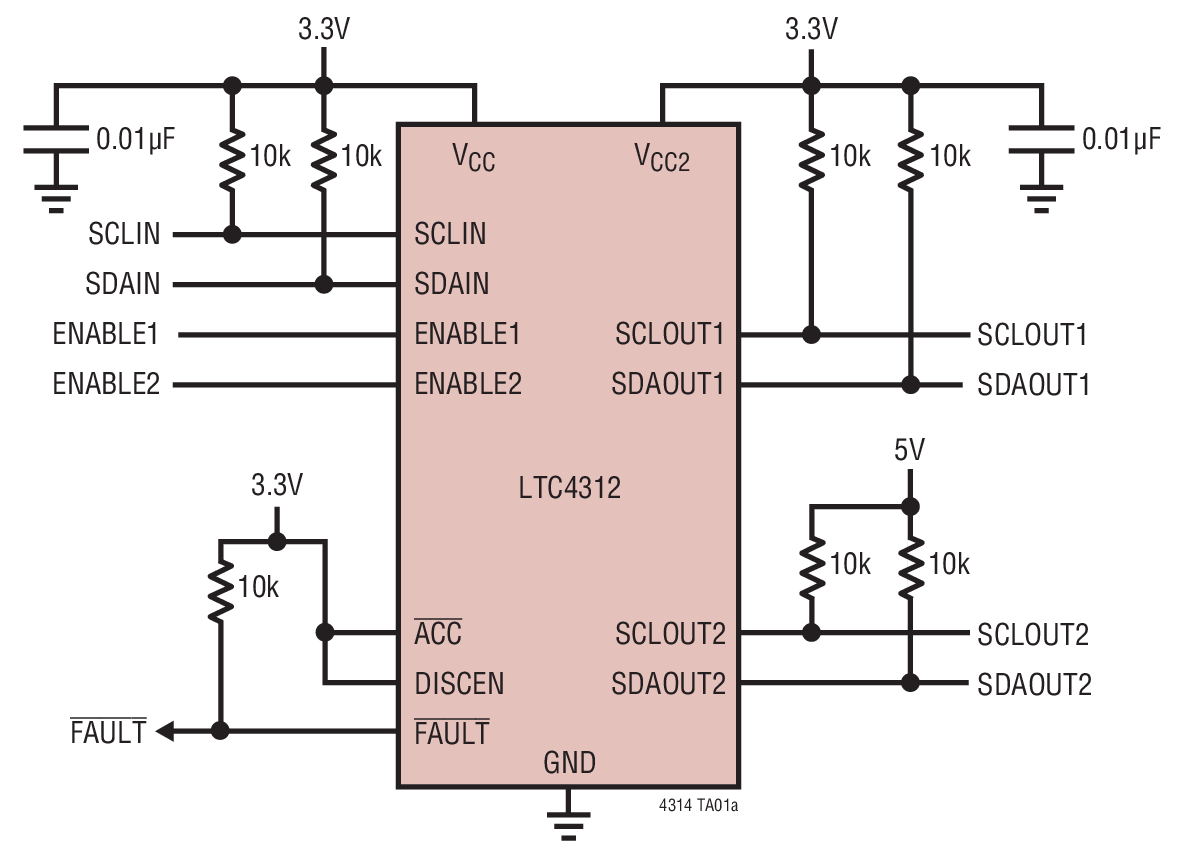
The LTC4312 is a hot-swappable 2-channel 2-wire bus multiplexer that allows one upstream bus to connect to any combination of downstream busses or channels. An individual enable pin controls each connection. The LTC4312 provides bidirectional buffering, keeping the upstream bus capacitance isolated from the downstream bus capacitances. The high noise margin allows the LTC4312 to be interoperable with I2C devices that drive a high VOL (> 0.4V). The LTC4312 supports level translation between 1.5V, 1.8V, 2.5V, 3.3V and 5V busses. The hot-swappable nature of the LTC4312 allows I/O card insertion into, and removal from, a live backplane without corruption of the data and clock busses.

If both data and clock are not simultaneously high at least once in 45ms and DISCEN is high, a FAULT signal is generated indicating a stuck bus low condition, the input is disconnected from each enabled output channel and up to 16 clocks are generated on the enabled downstream busses. A three state ACC pin enables input and output side rise time accelerators of varying strengths and sets the VIL,RISING voltage.

Applications

  • Telecommunications Systems Including ATCA
  • Address Expansion
  • Level Translator
  • Capacitance Buffers/Bus Extender
  • Live Board Insertion
  • PMBus

Subscribe to Welllinkchips !
Your Name
* Email
Submit a request