0
ADF4360-1
  • ADF4360-1
  • ADF4360-1

ADF4360-1

PRODUCTION

Integrated Integer-N Synthesizer and VCO - Output Frequency 2050 to 2450

Analog Devices ADF4360-1 Product Info

10 February 2026 18

Features

  • Output frequency range: 2050 MHz to 2450 MHz
  • Divide-by-2 output
  • 3.0 V to 3.6 V power supply
  • 1.8 V logic compatibility
  • Integer-N synthesizer
  • Programmable dual-modulus prescaler 8/9, 16/17, 32/33
  • Programmable output power level
  • 3-wire serial interface
  • Analog and digital lock detect
  • Hardware and software power-down mode

Part details & applications

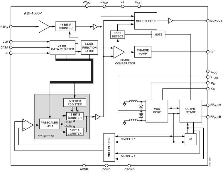
The ADF4360-1 is a fully integrated integer-N synthesizer and voltage controlled oscillator (VCO). The ADF4360-1 is designed for a center frequency of 2250 MHz. In addition, there is a divide-by-2 option available, whereby the user gets an RF output of between 1025 MHz and 1225 MHz. Control of all the on-chip registers is through a simple 3-wire interface. The device operates with a power supply ranging from 3.0 V to 3.6 V and can be powered down when not in use. 

Subscribe to Welllinkchips !
Your Name
* Email
Submit a request