0
HMC699
  • HMC699

HMC699

RECOMMENDED FOR NEW DESIGNS

7 GHz Integer-N Synthesizer SMT

Analog Devices HMC699 Product Info

10 February 2026 5

Features

  • Ultra Low SSB Phase Noise Floor:
    -153 dBc/Hz @ 10 kHz offset @ 100 MHz
  • Reference Frequency.
  • Programmable Divider (N= 16 - 516) Operating up to 7 GHz
  • Open Collector Output Buffer Amplifiers for Interfacing w/ Op-Amp Based Loop Filter
  • Reversible Polarity PFD w/ Lock Detect Output
  • 32 Lead 5x5mm SMT Package: 25mm

Part details & applications

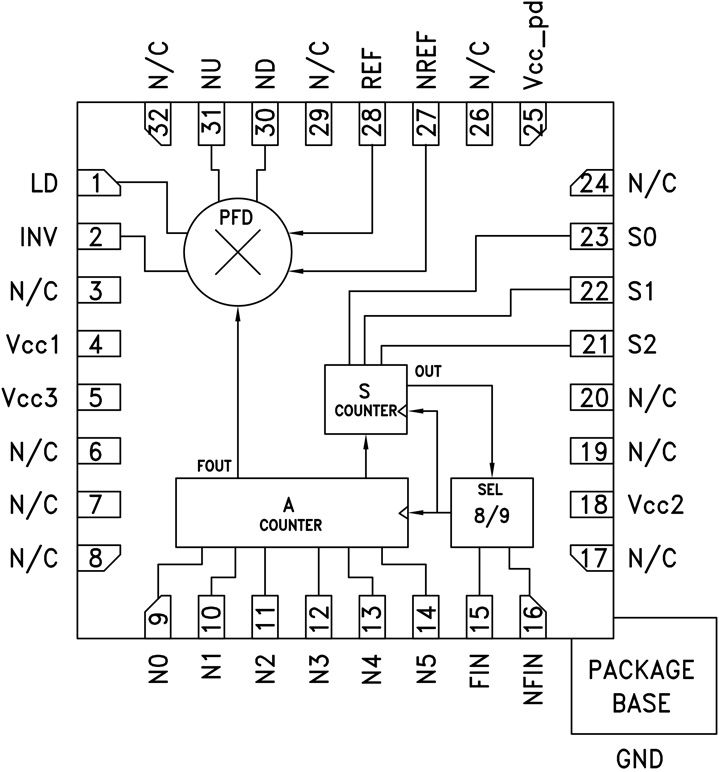
The HMC699LP5(E) is a frequency synthesizer with a wideband reversible polarity digital PFD and lock detect output. The divider operates from 160 - 7000 MHz with a continuous integer division ratio N = 56 to 519 and non-continuous division ratio N = 16 to 54. The HMC699LP5(E) high frequency operation along with ultra low phase noise floor make possible synthesizers with wide loop bandwidth and low N resulting in fast settling and very low phase noise. When used in conjunction with a differential loop filter, the HMC699LP5(E) can be used to phase lock a VCO to a reference oscillator. For continuous division ratio, the A counter and S counter must satisfy the condition: A + 1 ≥≥ S.

APPLICATIONS

  • Satellite Communication Systems
  • Point-to-Point Radios
  • Military Applications
  • Sonet Clock Generation

Subscribe to Welllinkchips !
Your Name
* Email
Submit a request