0
LTC2666
  • LTC2666
  • LTC2666
  • LTC2666

LTC2666

PRODUCTION

Octal 16-Bit/12-Bit ±10V VOUT SoftSpan DACs with 10ppm/°C Max Reference

Analog Devices LTC2666 Product Info

10 February 2026 11

Features

  • Precision Reference 10ppm/°C Max
  • Independently Programmable Output Ranges: 0V to 5V, 0V to 10V, ±2.5V, ±5V, ±10V
  • Full 16-Bit/12-Bit Resolution at All Ranges
  • Maximum INL Error: ±4LSB at 16 Bits
  • A/B Toggle via Software or Dedicated Pin
  • 8:1 Analog Multiplexer
  • Guaranteed Monotonic Over Temperature
  • Internal or External Reference
  • Outputs Drive ±10mA Guaranteed
  • 1.8V to 5V SPI Serial interface
  • 32-Lead (5mm × 5mm) QFN Package

Part details & applications

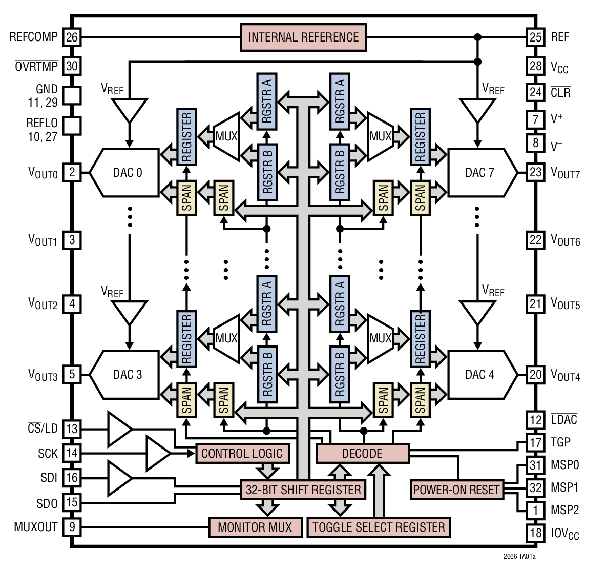
The LTC2666 is a family of 8-channel, 16-/12-bit ±10V digital-to-analog converters with integrated precision references. They are guaranteed monotonic and have built-in rail-to-rail output buffers. These SoftSpan DACs offer five output ranges up to ±10V. The range of each channel is independently programmable, or the part can be hardware-configured for operation in a fixed range.

The integrated 2.5V reference is buffered separately to each channel; an external reference can be used for additional range options. The LTC2666 also includes A/B toggle capability via a dedicated pin or software toggle command.

The SPI/Microwire-compatible 3-wire serial interface operates on logic levels as low as 1.71V at clock rates up to 50MHz.

Applications

  • Optical Networking
  • Instrumentation
  • Data Acquisition
  • Automatic Test Equipment
  • Process Control and Industrial Automation

Subscribe to Welllinkchips !
Your Name
* Email
Submit a request