0
ADF7021-V
  • ADF7021-V
  • ADF7021-V

ADF7021-V

NOT RECOMMENDED FOR NEW DESIGNS

High Performance, Narrow-Band Transceiver IC

Analog Devices ADF7021-V Product Info

10 February 2026 7

Features

  • High performance, low power, narrow-band transceiver
  • Enhanced performance ADF7021-N with external VCO
  • Frequency bands using external VCO: 80 MHz to 960 MHz
  • Improved adjacent channel power (ACP) and adjacent channel rejection (ACR) compared with the ADF7021-N
  • Programmable IF filter bandwidths:
    9 kHz, 13.5 kHz, and 18.5 kHz
  • Modulation schemes: 2FSK, 3FSK, 4FSK, MSK
  • Spectral shaping: Gaussian and raised cosine filtering
  • Data rates: 0.05 kbps to 24 kbps
  • Power supply: 2.3 V to 3.6 V
  • See data sheet for additional Features

Part details & applications

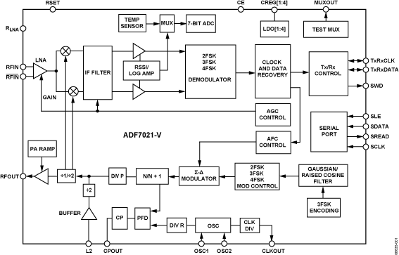
The ADF7021-V is a high performance, low power, narrow-band RF transceiver based on the ADF7021-N. The architecture of the ADF7021-V transceiver is similar to that of the ADF7021-N except that an external VCO is used by the on-chip RF synthesizer for applications that require improved phase noise performance.

The ADF7021-V is designed to operate in both the license-free ISM bands and in the licensed bands from 80 MHz to 960 MHz.

To minimize RF feedthrough and spurious emissions, the external VCO operates at 2× or 4× the desired RF frequency; the ADF7021-V supports a maximum VCO frequency operation of 1920 MHz. The 4× VCO operation is programmable by enabling an additional on-chip divide-by-2 outside the RF synthesizer loop and offers improved phase noise performance.

As with the ADF7021-N receiver, the IF filter bandwidths of 9 kHz, 13.5 kHz, and 18.5 kHz are supported, making the ADF7021-V ideally suited to worldwide narrow-band telemetry applications.

The part has both Gaussian and raised cosine transmit data filtering options to improve spectral efficiency for narrow-band applications. It is suitable for circuit applications targeted at the following:

  • European ETSI EN 300 220
  • North American FCC Part 15, Part 90, and Part 95
  • Japanese ARIB STD-T67
  • Korean short-range device regulations
  • Chinese short-range device regulations

A complete transceiver can be built using a small number of discrete external components, making the ADF7021-V very suitable for area-sensitive, high performance driven applications.

See data sheet for more information.

APPLICATIONS

  • Narrow-band, short range device (SRD) standards
    ETSI EN 300 220
    FCC Part 90 (meets Emission Mask D requirements)
    FCC Part 95 ARIB STD-T67
Subscribe to Welllinkchips !
Your Name
* Email
Submit a request