0
HMC904
  • HMC904

HMC904

RECOMMENDED FOR NEW DESIGNS

GaAs MMIC I/Q Downconverter, 17 - 24 GHz

Analog Devices HMC904 Product Info

10 February 2026 9

Features

  • Conversion Gain: 12 dB
  • Image Rejection: 30 dB
  • 2 LO to RF Isolation: 45 dB
  • Noise Figure: 3 dB
  • Input IP3: 0 dBm
  • 32 Lead 5x5mm SMT Package: 25mm2

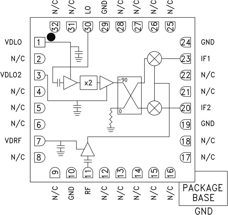
Part details & applications

The HMC904LC5 is a compact GaAs MMIC I/Q downconverter in a leadless RoHS compliant SMT package. This device provides a small signal conversion gain of 12 dB with a noise figure of 3 dB and 30 dB of image rejection across the frequency band. The HMC904LC5 utilizes an LNA followed by an image reject mixer which is driven by an active x2 multiplier.

The image reject mixer eliminates the need for a filter following the LNA, and removes thermal noise at the image frequency. I and Q mixer outputs are provided and an external 90° hybrid is needed to select the required sideband. The HMC904LC5 is a much smaller alternative to hybrid style image reject mixer downconverter assemblies, and is compatible with surface mount manufacturing techniques.

APPLICATIONS

  • Point-to-Point and Point-to-Multi-Point Radio
  • Military Radar, EW & ELINT
  • Satellite Communications

Subscribe to Welllinkchips !
Your Name
* Email
Submit a request