0
ADMV1012
  • ADMV1012
  • ADMV1012
  • ADMV1012

ADMV1012

RECOMMENDED FOR NEW DESIGNS

17.5 GHz to 24 GHz, GaAs, MMIC, I/Q Downconverter

Analog Devices ADMV1012 Product Info

10 February 2026 7

Features

  • RF input frequency range: 17.5 GHz to 24 GHz
  • IF output frequency range: 2.5 GHz to 3.5 GHz
  • LO input frequency range: 7 GHz to 13.5 GHz
  • Conversion gain (with hybrid): 15 dB typical
  • SSB noise figure: 2.5 dB typical
  • Input IP3: 3 dBm typical
  • Input P1dB: −5 dBm typical
  • 20 dB of image rejection
  • Single-ended, 50 Ω RF and LO input ports
  • Exposed pad, 4.9 mm × 4.9 mm, 32-terminal LCC

Part details & applications

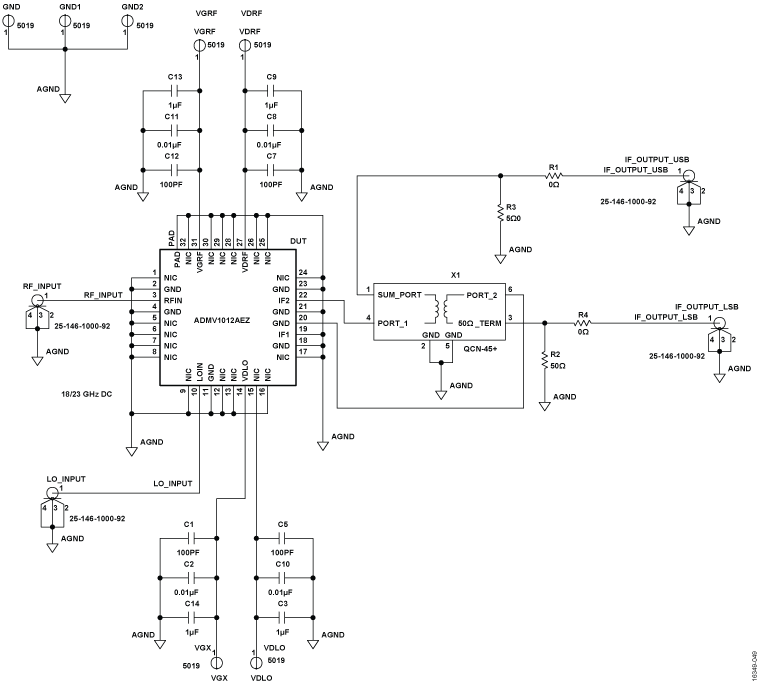
The ADMV1012 is a compact, gallium arsenide (GaAs) design, monolithic microwave integrated circuit (MMIC) double sideband (DSB) downconverter in a RoHS compliant package optimized for point to point microwave radio designs that operate in the 17.5 GHz to 24 GHz input frequency range.

The ADMV1012 provides 15 dB of conversion gain with 25 dB of image rejection, and 2.5 dB noise figure. The ADMV1012 uses a radio frequency (RF) low noise amplifier (LNA) followed by an in phase/quadrature (I/Q), double balanced mixer, where a driver amplifier drives the local oscillator (LO) with a ×2 multiplier. IF1 and IF2 mixer quadrature outputs are provided, and an external 90° hybrid is required to select the required sideband.

The I/Q mixer topology reduces the need for filtering of unwanted sideband. The ADMV1012 is a much smaller alternative to hybrid style DSB downconverter assemblies and eliminates the need for wire bonding by allowing the use of surface-mount manufacturing assemblies.

The ADMV1012 downconverter comes in a compact, thermally enhanced, 4.9 mm × 4.9 mm, 32-terminal LCC. The ADMV1012 operates over the −40°C to +85°C temperature range.

Applications

  • Point to point microwave radios
  • Radars and electronic warfare systems
  • Instrumentation, automatic test equipment (ATE)
  • Satellite communications

Subscribe to Welllinkchips !
Your Name
* Email
Submit a request