0
LTC2480
  • LTC2480
  • LTC2480
  • LTC2480
  • LTC2480

LTC2480

PRODUCTION

16-Bit ΔΣ ADC with Easy Drive Input Current Cancellation

Analog Devices LTC2480 Product Info

10 February 2026 9

Features

  • Extended Temperature Range of –40°C to 125°C
  • Easy Drive Technology Enables Rail-to-Rail Inputs with Zero Differential Input Current
  • Directly Digitizes High Impedance Sensors with Full Accuracy
  • Programmable Gain from 1 to 256
  • GND to VCC Input/Reference Common Mode Range
  • Programmable 50Hz, 60Hz or Simultaneous 50Hz/60Hz Rejection Mode
  • 2ppm (0.25LSB) INL, No Missing Codes
  • 1ppm Offset and 15ppm Full-Scale Error
  • Selectable 2x Speed Mode (15Hz Using Internal Oscillator)
  • No Latency: Digital Filter Settles in a Single Cycle
  • Single Supply 2.7V to 5.5V Operation
  • Internal Oscillator
  • Available in a Tiny (3mm × 3mm) 10-Lead DFN Package and 10-Lead MSOP Package

Part details & applications

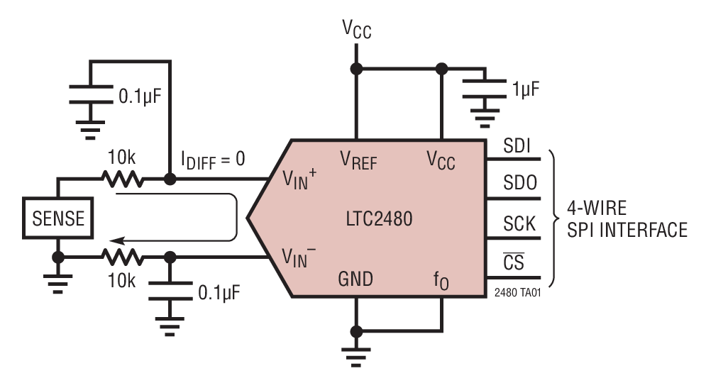
The LTC2480 combines a 16-bit plus sign No Latency ΔΣ analog-to-digital converter with patented Easy Drive technology. The patented sampling scheme eliminates dynamic input current errors and the shortcomings of onchip buffering through automatic cancellation of differential input current. This allows large external source impedances and input signals, with rail-to-rail input range to be directly digitized while maintaining exceptional DC accuracy.

The LTC2480 includes on-chip programmable gain and an oscillator. The LTC2480 can be configured to provide a programmable gain from 1 to 256 in 8 steps, measure an external signal or internal temperature sensor and reject line frequencies. 50Hz, 60Hz or simultaneous 50Hz/60Hz line frequency rejection can be selected as well as a 2x speed-up mode.

The LTC2480 allows a wide common mode input range (0V to VCC) independent of the reference voltage. The reference can be as low as 100mV or can be tied directly to VCC. The LTC2480 includes an on-chip trimmed oscillator eliminating the need for external crystals or oscillators. Absolute accuracy and low drift are automatically maintained through continuous, transparent, offset and full-scale calibration.

Applications

  • Direct Sensor Digitizer
  • Weight Scales
  • Direct Temperature Measurement
  • Strain Gauge Transducers
  • Instrumentation
  • Industrial Process Control
  • DVMs and Meters

Subscribe to Welllinkchips !
Your Name
* Email
Submit a request