0
LTC2378-20
  • LTC2378-20
  • LTC2378-20
  • LTC2378-20
  • LTC2378-20

LTC2378-20

PRODUCTION

20-Bit, 1Msps, Low Power SAR ADC with 0.5ppm INL

Analog Devices LTC2378-20 Product Info

10 February 2026 9

Features

  • 1Msps Throughput Rate
  • ±0.5ppm INL (Typ)
  • Guaranteed 20-Bit No Missing Codes
  • Low Power: 21mW at 1Msps, 21μW at 1ksps
  • 104dB SNR (Typ) at fIN = 2kHz
  • –125dB THD (Typ) at fIN = 2kHz
  • Digital Gain Compression (DGC)
  • Guaranteed Operation to 85°C
  • 2.5V Supply
  • Fully Differential Input Range ±VREF
  • VREF Input Range from 2.5V to 5.1V
  • No Pipeline Delay, No Cycle Latency
  • 1.8V to 5V I/O Voltages
  • SPI-Compatible Serial I/O with Daisy-Chain Mode
  • Internal Conversion Clock
  • 16-Lead MSOP and 4mm × 3mm DFN Packages

Part details & applications

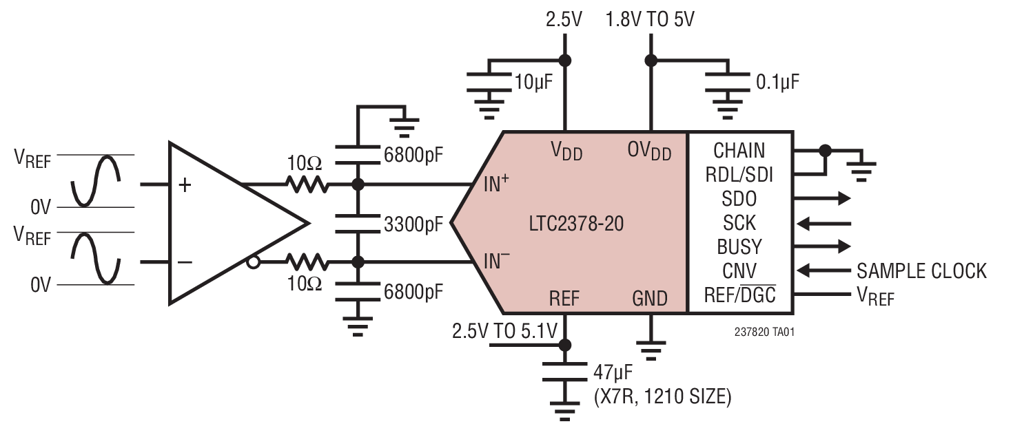
The LTC2378-20 is a low noise, low power, high speed 20-bit successive approximation register (SAR) ADC. Operating from a 2.5V supply, the LTC2378-20 has a ±VREF fully differential input range with VREF ranging from 2.5V to 5.1V. The LTC2378-20 consumes only 21mW and achieves ±2ppm INL maximum, no missing codes at 20 bits with 104dB SNR.

The LTC2378-20 has a high speed SPI-compatible serial interface that supports 1.8V, 2.5V, 3.3V and 5V logic while also featuring a daisy-chain mode. The fast 1Msps throughput with no cycle latency makes the LTC2378-20 ideally suited for a wide variety of high speed applications. An internal oscillator sets the conversion time, easing external timing considerations. The LTC2378-20 automatically powers down between conversions, leading to reduced power dissipation that scales with the sampling rate.

The LTC2378-20 features a unique digital gain compression (DGC) function, which eliminates the driver amplifier’s negative supply while preserving the full resolution of the ADC. When enabled, the ADC performs a digital scaling function that maps zero-scale code from 0V to 0.1 • VREF and full-scale code from VREF to 0.9 • VREF. For a typical reference voltage of 5V, the full-scale input range is now 0.5V to 4.5V, which provides adequate headroom for powering the driving amplifier from a single 5.5V supply.

Applications

  • Medical Imaging
  • High Speed Data Acquisition
  • Portable or Compact Instrumentation
  • Industrial Process Control
  • Low Power Battery-Operated Instrumentation
  • ATE

Subscribe to Welllinkchips !
Your Name
* Email
Submit a request