0
LTC2107
  • LTC2107
  • LTC2107
  • LTC2107
  • LTC2107

LTC2107

PRODUCTION

16-Bit, 210Msps High Performance ADC

Analog Devices LTC2107 Product Info

10 February 2026 8

Features

  • 98dBFS SFDR
  • 80dBFS SNR Noise Floor
  • Aperture Jitter = 45fsRMS
  • PGA Front-End 2.4VP-P or 1.6VP-P Input Range
  • Optional Internal Dither
  • Optional Data Output Randomizer
  • Power Dissipation: 1280mW
  • Shutdown Mode
  • Serial SPI Port for Configuration
  • Clock Duty Cycle Stabilizer
  • 48-Lead (7mm × 7mm) QFN Package

Part details & applications

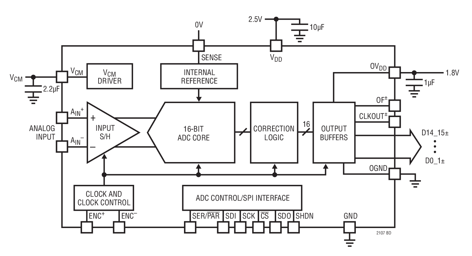
The LTC2107 is a 16-bit, 210Msps high performance ADC. The combination of high sample rate, low noise and high linearity enable a new generation of digital radio designs. The direct sampling front-end is designed specifically for the most demanding receiver applications such as software defined radio and multi-channel GSM base stations. The AC performance includes, SNR = 80dBFS, SFDR = 98dBFS. Aperture jitter = 45fsRMS allows direct sampling of IF frequencies up to 500MHz with excellent performance.

Features such as internal dither, a PGA front-end and digital output randomization help maximize performance. Modes of operation can be controlled through a 3-wire serial interface (SPI).

The double data rate (DDR) low voltage differential (LVDS) digital outputs help reduce digital line count and enable space saving designs.

Applications

  • Software Defined Radios
  • Military Radio and RADAR
  • Cellular Base Stations
  • Spectral Analysis
  • Imaging Systems
  • ATE and Instrumentation

Subscribe to Welllinkchips !
Your Name
* Email
Submit a request