0
HMC1063
  • HMC1063

HMC1063

RECOMMENDED FOR NEW DESIGNS

GaAs MMIC I/Q Mixer, 24 - 28 GHz

Analog Devices HMC1063 Product Info

10 February 2026 3

Features

  • Low LO Power: 10 dBm
  • Wide IF Bandwidth: DC - 3 GHz
  • Image Rejection: 21 dBc
  • LO/RF Isolation: 40 dB
  • High Input IP3: 17 dBm
  • 16 Lead 3x3 mm SMT Package: 9 mm2

Part details & applications

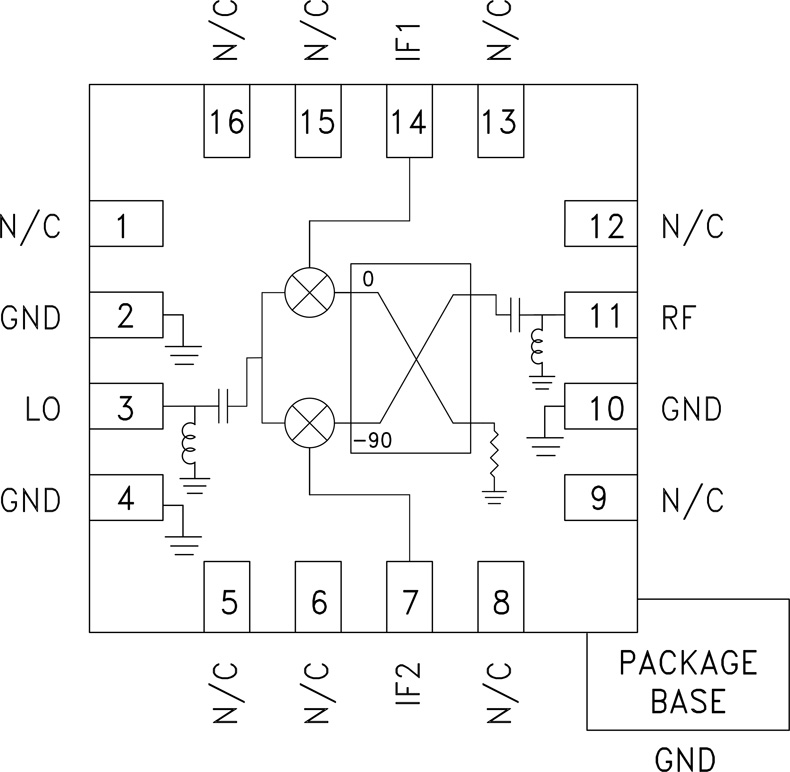
The HMC1063LP3E is a compact I/Q MMIC mixer in a leadless “Pb free” SMT package, which can be used as either an Image Reject Mixer or a Single Sideband Upconverter. The mixer utilizes two standard Hittite double balanced mixer cells and a 90 degree hybrid fabricated in a GaAs Schottky diode process. A low frequency quadrature hybrid was used to produce a 1000 MHz LSB IF output. This product is a much smaller alternative to hybrid style Image Reject Mixers and Single Sideband Upconverter assemblies. The HMC1063LP3E eliminates the need for wire bonding and allows the use of surface mount manufacturing techniques.

APPLICATIONS

  • Point-to-Point and
    Point-to-Multi-Point Radio
  • Military Radar, EW & ELINT
  • Satellite Communications
  • Sensors

Subscribe to Welllinkchips !
Your Name
* Email
Submit a request