0
LTC1346A
  • LTC1346A
  • LTC1346A

LTC1346A

PRODUCTION

10Mbps DCE/DTE V.35 Transceiver

Analog Devices LTC1346A Product Info

10 February 2026 9

Features

  • Single Chip Provides Complete Differential Signal Interface for V.35 Port
  • Drivers and Receivers Will Withstand Repeated ±10kV ESD Pulses
  • Operates from ±5V Supplies
  • 10Mbaud Transmission Rate
  • Meets CCITT V.35 Specification
  • Shutdown Mode Reduces ICC to Below 1µA
  • Selectable Transmitter and Receiver Configurations
  • Independent Driver/Receiver Enables
  • Transmitter Maintains High Impedance When Disabled, Shut Down or with Power Off
  • Transmitters Are Short-Circuit Protected

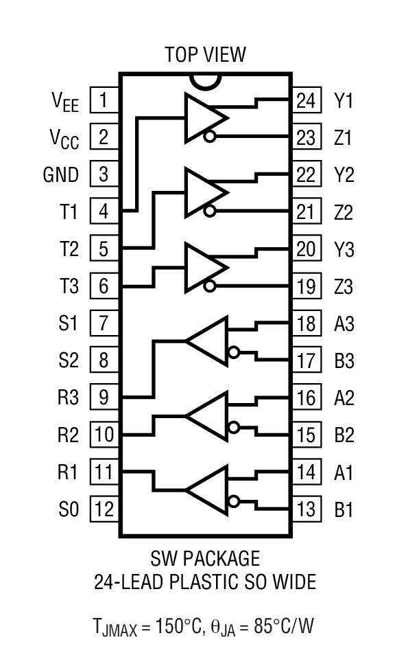
Part details & applications

The LTC1346A is a single chip transceiver that provides the differential clock and data signals for a V.35 interface from ±5V supplies. Combined with an external resistor termination network and an LT1134A RS232 transceiver for the control signals, the LTC1346A forms a complete low power DTE or DCE V.35 interface port.

The LTC1346A features three current output differential transmitters and three differential receivers. The transceiver can be configured for DTE or DCE operation or shutdown using three Select pins. In the Shutdown mode, the supply current is reduced to below 1µA.

The LTC1346A transceiver operates up to 10Mbaud. All transmitters feature short-circuit protection. Both the transmitter outputs and the receiver outputs can be forced into a high impedance state. The transmitter outputs and receiver inputs feature ±10kV ESD protection.

Applications

  • Modems
  • Telecommunications
  • Data Routers