0
MAX96752
  • MAX96752
  • MAX96752

MAX96752

RECOMMENDED FOR NEW DESIGNS

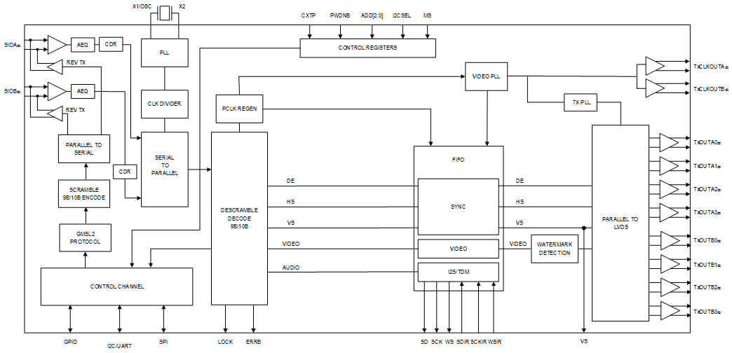
GMSL2 Deserializer with Dual LVDS (OLDI) Output

Analog Devices MAX96752 Product Info

10 February 2026 15

Features

  • 1 x 4, 2 x 4, or 1 x 8 OLDI Output Lane Configurations
  • 3Gbps or 6Gbps Forward Link Rates for System and Power Flexibility
  • Full-Duplex Capability Over a Single Wire
  • Supports Up to 300MHz PCLK
  • Supports Video Replication and Dual-View Splitting for Driving Two Displays
  • Uses Low-Cost 50Ω Coax or 100Ω STP Cables
  • Forward and Reverse I2S or 7.1 TDM Audio
  • Optional Internal VDD Regulator
  • ASIL-Relevant Functional Safety Features
    • ASIL-B Compliant
    • 16-Bit CRC Protection of Control Channel Data (I2C, UART, SPI, GPIO, Audio)
    • Retransmission of All Control Channel Data (I2C, UART, SPI, GPIO, Audio) Upon Error Detection
    • Optional 32-Bit Video Line Cyclic Redundancy Check (CRC)
    • Selectable Interrupts for Fault Detection
    • Video Watermark Detection
  • Performance Tools Ensure High Link Margin
    • Continuous Adaptive Equalization on GMSL links
    • Forward and Reverse Channel Pseudorandom Binary Sequence (PRBS) Generator and Checker for BER Testing of Serial I/O Links
    • Eye-Opening Monitor for Continuous Link Margin Diagnosis
  • Concurrent Control Channel for Device Configuration and Communicating with Remote Peripherals
    • I2C, UART, Pass-Through I2C/UART, SPI, and Tunneled or Register-Programmable GPIO
    • Settable Priority Levels
    • Eight Hardware Programmable Device Addresses
    • Up to 14 Programmable General Purpose Input/Output (GPIO)
    • Sleep Mode with Register State Retention
  • Compact 8mm x 8mm TQFN Package with Exposed Pad

Part details & applications

The MAX96752 deserializers convert a single- or dual-link GMSL™ serial input to single or dual OLDI. They also send and receive side-channel and peripheral control data, enabling full-duplex, single-wire transmission of video and bidirectional data.

The OLDI output can be configured as single-port (4 or 8 lanes) or dual-port (2 x 4 lanes) for flexibility in driving displays with a variety of resolutions. Each port accommodates pixel clock rates of up to 150MHz, and in dual-port mode, the MAX96752 support a combined pixel clock of up to 300MHz.

The GMSL2 concurrent control channel operates in I2C or UART mode. Two additional pass-through I2C or UART channels and a pass-through SPI channel are provided for peripheral control. The bidirectional audio channel supports I2S stereo and up to 8 channels in TDM mode.

Operation is specified over the -40°C to +105°C automotive temperature range. The devices are AEC-Q100 qualified.

Data can be transmitted over low-cost 50Ω Coax or 100Ω STP cables that meet the GMSL2 channel specification.

APPLICATIONS

  • Cluster and Heads-Up Displays
  • Central Information Displays
  • Rear-Seat Infotainment Displays

Subscribe to Welllinkchips !
Your Name
* Email
Submit a request