0
LTC1323
  • LTC1323
  • LTC1323
  • LTC1323
  • LTC1323

LTC1323

NOT RECOMMENDED FOR NEW DESIGNS

Single 5V AppleTalk® Transceiver

Analog Devices LTC1323 Product Info

10 February 2026 5

Features

  • Single Chip Provides Complete LocalTalk®/AppleTalk Port
  • Operates From a Single 5V Supply
  • ESD Protection to ±10kV on Receiver Inputs and Driver Outputs
  • Low Power: ICC = 2.4mA Typ
  • Shutdown Pin Reduces ICC to 0.5µA Typ
  • Receiver Keep-Alive Function: ICC = 65µA Typ
  • Differential Driver Drives Either Differential AppleTalk or Single-Ended EIA562 Loads
  • Drivers Maintain High Impedance in Three-State or with Power Off
  • Thermal Shutdown Protection
  • Drivers are Short-Circuit Protected

Part details & applications

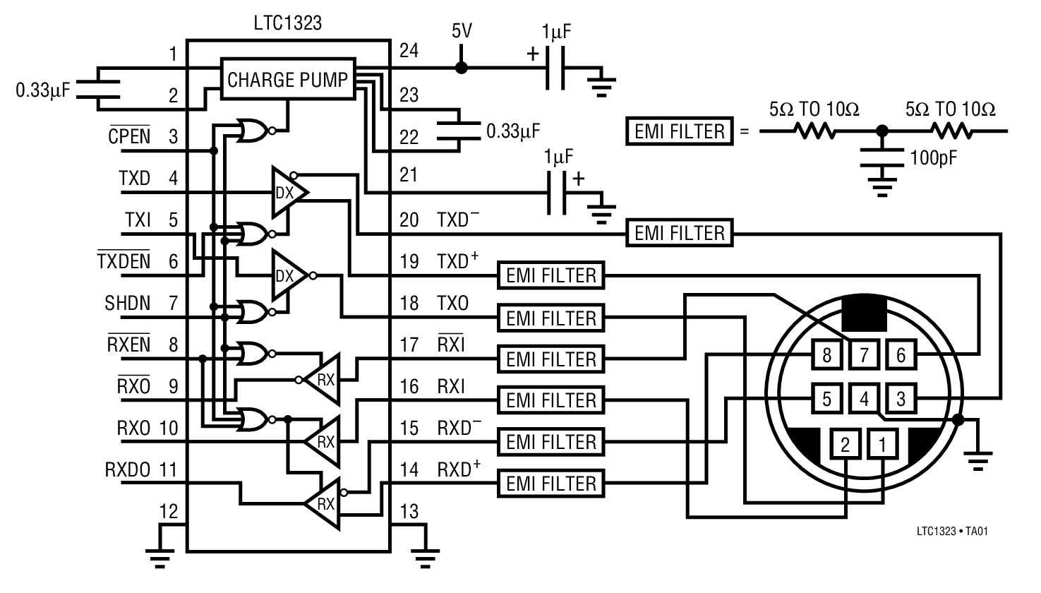
The LTC1323 is a multi-protocol line transceiver designed to operate on AppleTalk or EIA562-compatible single-ended networks while operating from a single 5V supply. There are two versions of the LTC1323 available: a 16-pin version designed to connect to an AppleTalk network, and a 24-pin version which also includes the additional single-ended drivers and receivers necessary to create an Apple-compatible serial port. An on-board charge pump generates a ­5V supply which can be used to power external devices. Additionally, the 24-pin LTC1323 features a micropower keep-alive mode during which one of the single-ended receivers is kept active to monitor external wake-up signals. The LTC1323 draws only 2.4mA quiescent current when active, 65µA in receiver keep-alive mode, and 0.5µA in shutdown, making it ideal for use in battery-powered systems.

The differential driver can drive either differential AppleTalk loads or conventional single-ended loads. The driver outputs three-state when disabled, during shutdown, in receiver keep-alive mode, or when the power is off. The driver outputs will maintain high impedance even with output common-mode voltages beyond the power supply rails. Both the driver outputs and receiver inputs are protected against ESD damage to ±10kV.

Applications

  • LocalTalk Peripherals
  • Notebook/Palmtop Computers
  • Battery-Powered Systems

Subscribe to Welllinkchips !
Your Name
* Email
Submit a request