0
ADMV8416
  • ADMV8416
  • ADMV8416
  • ADMV8416

ADMV8416

RECOMMENDED FOR NEW DESIGNS

6.3 GHz to 18 GHz, Tunable Band-Pass Filter

Analog Devices ADMV8416 Product Info

10 February 2026 9

Features

  • Amplitude settling: 200 ns typical
  • Wideband rejection: ≥20 dB
  • Single chip implementation
  • 40-lead, 6 mm × 6 mm, RoHS compliant LFCSP

Part details & applications

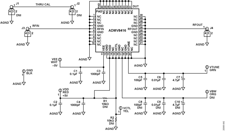
The ADMV8416 is a monolithic microwave integrated circuit (MMIC), tunable band-pass filter that features a user selectable pass-band frequency. The 3 dB filter bandwidth is approximately 15% of the center frequency (fCENTER), and the 20 dB filter bandwidth is 37%. Additionally, fCENTER can be varied between 6.8 GHz to 16.8 GHz by applying an analog fCENTER tuning voltage between 0 V to 15 V. The usable pass band corner frequencies (fCORNER) span from 6.3 GHz to 18 GHz. This tunable filter can be used as a much smaller alternative to large switched filter banks and cavity tuned filters. The filter has excellent microphonics due to the monolithic design and provides a dynamically adjustable solution.

Applications

  • Test and measurement equipment
  • Military radar and electronic warfare (EW) systems
  • Video satellite (VSAT) communications

Subscribe to Welllinkchips !
Your Name
* Email
Submit a request