0
HMC1044
  • HMC1044

HMC1044

NOT RECOMMENDED FOR NEW DESIGNS

Programmable Harmonic Low Pass Filter, 1 - 3 GHz 3 dB Bandwidth

Analog Devices HMC1044 Product Info

10 February 2026 8

Features

  • Programmable Bandwidth: 1 to 3 GHz
  • Compatible with Narrowband & Wideband:
    PLLs with Integrated VCOs
    Modulators
    Demodulators
  • Improves Modulator/Demodulator Sideband/Image Rejection
  • LO Harmonic Rejection: ~20 dB
  • Performance: 20 dB Typical
  • Single-Ended or Differential Options
  • Footprint up to 90% Smaller than
    Current Discrete Fixed
    Bandwidth Solutions
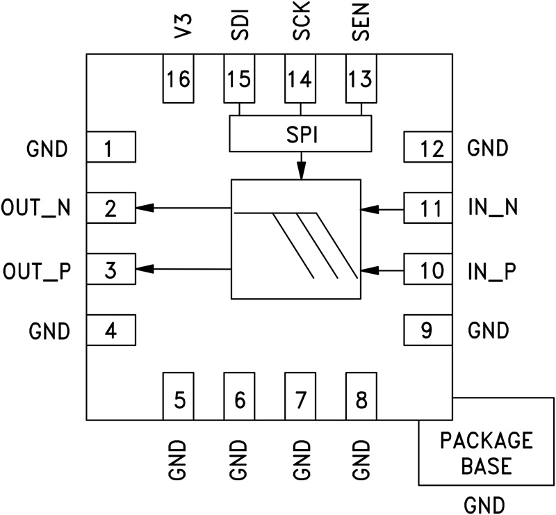
  • 16 Lead 3x3 mm SMT Package

Part details & applications

The HMC1044LP3E is a programmable bandwidth LPF (Low Pass Filter) targeted at all applications that use quadrature modulators and/or demodulators. The HMC1044LP3E filters out LO harmonics and ensures little or no LO contribution to modulator sideband rejection or demodulator image rejection performance.

Although targeted at LO filtering applications, the HMC1044LP3E can be used to filter all RF harmonics such as the ones generated by amplifiers.

The HMC1044LP3E offers a choice of 16 programmable bands, optimized for high and low cellular bands ranging from 1 to 3 GHz, making the a truly wideband part compatible with wideband PLLs with Integrated VCOs and wideband quadrature modulators and demodulators. It enables wideband multi-standard, multi-carrier designs that are field configurable on-the-fly for each individual application.

The HMC1044LP3E is packaged in a compact 3x3 mm QFN leadless package.

APPLICATIONS

  • Filtering LO Harmonics to Reduce Modulator Sideband Rejection & Demodulator Image Rejection
  • Amplifier Harmonic Filtering
  • RF Filtering

Subscribe to Welllinkchips !
Your Name
* Email
Submit a request